Writer: admin Time:2020-05-30 15:23 Browse:℃

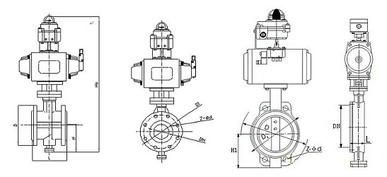
| 公称通径 | DN50~DN1200(MM) |
| 公称压力 | PN0.6、1.0、1.6、2.5MPa |
| 连接方式 | 对夹式或法兰连接 |
| 驱动形式 | 气动控制(气源驱动,压缩空气4~7bar) |
| 密封材质 | 软密封(≤180℃)、金属密封(≤450℃) |
| 动作范围 | 0~90° |
| 泄露量 | 按GB/T4213-92,为Kv值的10-4,软密封:零泄漏 |
| 阀体材质 | 碳钢、不锈钢304、316 |
| 作用方式 | 单作用(常开,常闭)、双作用(气开,气关) |
| 控制形式 | 开关型(开关两位控制)、调节型(定位器4-20mA模拟量控制) |

| 供气压力 | 0.4~0.7MPa |
| 气源接口 | G1/4"、G1/8"、G3/8"、G1/2" |
| 环境温度 | -30~+70℃ |
| 作用形式 |
单作用执行机构:气关式(B)--失气时阀位开(FO);气开式(K)--失气时阀位关(FC) 双作用执行机构:气关式(B)--失气时阀位保持(FL);气开式(K)-- 失气时阀位保持(FL) |
| 可配附件 | 防爆定位器、防爆电磁阀、空气过滤减压器、保位阀、防爆行程开关、防爆阀位传送器、手轮机构等 |
QQ: 769693943
Phone: 13816746668
Tel: 021-31001158
Email: 769693943
Add: 上海市金山区沪杭公路4169号