021-31001158  mmvalves@126.com

ZCS液用电磁阀

更新时间:2024-04-13 10:04:43

ZCS液用电磁阀

  • 1、产品型号:ZCS。
  • 2、公称通径:DN15~DN300。
  • 3、公称压力:1.0MPa~1.6MPa。
  • 4、适用温度:-5ºC~+80ºC。
  • 5、阀体材质:铸铁、铸钢、不锈钢。
  • 6、适用介质:水、液体。
  • 7、结构形式:膜片式。
  • 8、连接方式:法兰、螺纹。
  • 9、驱动方式:电磁动。
  • 10、制造标准:国标GB、德国DIN、美国API、ANSI。

产品说明

ZCS液用电磁阀适用于以水或液体为工业介质,可自动化控制或远程控制水、油、液体等工作介质管路的通断。ZCS电磁阀采用橡胶密封,故对工作介质的清洁度大大降低,具有启闭迅速,可靠性高等特点。

结构原理

ZCS液用电磁阀为膜片一次开阀的先导式电磁阀,其结构主要由副阀和主阀组成。根据断电时所处状态的不同,可分为常闭电磁阀和常开电磁阀。
常闭:常位时,活动铁 芯封住副阀口,阀腔内压力平衡,副阀、主阀口封闭。当线圈通电,产生电磁力将活动铁芯吸上,副阀打开,主阀腔内的介质自导阀口外泄,以致主阀膜片上下产生 压力差,膜片被迅速托起,主阀口开启,阀呈通路状态。当线圈断电,磁场消失,活动铁芯复位,封闭副阀口,继而副阀膜片上腔压力上升,主阀膜片压向阀座,阀又呈关闭状态。
常开:当线圈通电时,产生磁场力,衔铁在磁力作用下下移,推动副阀阀杯下移,副阀关闭。随着主阀阀内上下压差趋向相等,主阀膜片由弹簧及自重压向密封 阀门关闭。当线圈断电后,磁力为零,衔铁和副阀阀环由于弹簧作用上升,副阀打开,主阀膜片上腔内介质经副阀流走、压力下降,当压力降到一定值后,主阀由上 下压差作用向上升起,主阀打开,阀门开启。 

技术参数

公称通径(mm) 15 20 25 32 40 50 65 80 100 125 150 200 250 300
工作介质 液体、水、≤ΟE、及其他非腐蚀性流体
功耗VA 17 30
阀体材质  铜  不锈钢 铸铁
流量系数Kv值 2.8 5 8.5 12 18 28 45 70 110 180 250 600 870 1000
动作方式 常开常闭
型式 先导式
介质温度(℃) -5~80 -50~60
工作压力(Mpa) 0.05~1.0 0.1~1.0 0.15~1.0
额定电压 AC220V·DC24V其余规格可作特殊订货

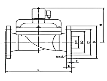
外形结构图

 

主要外形尺寸

公称通径DN 内螺纹连接 法兰连接
内螺纹 外形尺寸 外形尺寸 法兰尺寸
G H L H L D D1 D2 n-d b f
15 1/2″ 105 90                
20 3/4″ 114 100                
25 1″ 138 120 130 160 115 85 65 4- 14 16 3
32 11/4″ 151 137 137 180 140 100 76 4- 18 18 3
40 11/2″ 155 145 152 200 150 110 84 4- 18 18 3
50 2″ 187 188 152 230 165 125 99 4- 18 20 3
65       222 290 185 145 118 4- 18 20 3
80       239 310 200 160 132 8- 18 20 3
100       255 350 220 180 156 8- 18 22 3
125       416 360 250 210 184 8- 18 22 3
150       440 400 285 240 211 8- 22 24 3
200       443 600 340 295 266 8- 22 24 3
250       493 750 395 350 319 12- 22 26 3
300       549 850 445 400 370 12-φ22 26 4

上一篇:没有了 下一篇:没有了


CATEGORIES

CONTACT US

QQ: 769693943

Phone: 13816746668

Tel: 021-31001158

Email: 769693943

Add: 上海市金山区沪杭公路4169号