气动V型球阀产品概述
VQ647H、VQ647Y气动V型球阀是由法兰连接V型球阀与气动执行机构及附件组合而成,其气缸接入0.4~0.7MPa气源,与行程限位开关、二位五通电磁阀及减压阀配套使用即可驱动阀杆带动球体旋转90度来控制阀的启闭动作,并通过阀门的全开或全关,实现对管道内介质的流通或截断,再配上定位器,就能调节阀门开度,改变介质流通的截面积,实现阀门的调节。由于该阀为直角回转式结构,当阀芯相对于阀座旋转时具有较强的剪切作用,因此尤其适用于带有纤维和微小颗粒介质的调节控制。本产品被广泛用于石油、化工、电力、造纸、冶金等行业。
VQ647H、VQ647Y气动V型球阀气动执行机构有单作用和双作用二种。双作用气动工作时由双作用定位器输出的气源信号压力分别输入气缸活塞左、右二气室,由于输入活塞左、右二气室的气源压力不同,形成压差,推动活塞作直线运动,通过齿轮、齿条传动,将活塞的直线运动转换成执行器主轴的旋转运动,直至左、右气室压力平衡,运动停止,在主轴作旋转运动的同时带动阀杆、阀芯作旋转运动,改变阀芯、阀座间的流通面积,达到调节目的。单作用工作时由单作用定位器输出的气信号压力输入到气缸无弹簧一侧的气室中,气信号压力作用在活塞上形成的推力和弹簧力之间差值的作用下,气缸活塞作直线运动,通过齿轮,齿条传动,直至气信号压力形成的推力与弹簧力平衡,运动停止,在执行机构主轴作旋转运动的同时带动阀杆、阀芯作旋转运动,从而改变阀芯、阀座之间的流通面积,达到调节目的。
气动V型球阀部件材料
序号 | 部件名称 | 材料名称 | ||||
1 | 阀 体 | WCB | CF8 | CF3 | CF8M | CF3M |
2 | 球 体 | WCB | CF8 | CF3 | CF8M | CF3M |
3 | 阀 杆 | 2Cr13 | 304 | 304L | 316 | 316L |
4 | 阀 座 | RPTFE、PTFE、TEFLON、NYLON、PPL、PEEK、DEVLON、不锈钢+表面硬化处理 | ||||
5 | 压 圈 | WCB | CF8 | CF3 | CF8M | CF3M |
6 | 下 端 盖 | WCB | CF8 | CF3 | CF8M | CF3M |
7 | 填料压盖 | WCB | CF8 | CF3 | CF8M | CF3M |
8 | 填 料 | 柔性石墨环、V形聚四氟乙烯、碳纤维编织 | ||||
9 | 螺 栓 | 35CrMoA | 304 | 304 | 316 | 316 |
10 | 螺 母 | 45 | 304 | 304 | 316 | 316 |
11 | 气 动 | 组合件 | 组合件 | 组合件 | 组合件 | 组合件 |
气动V型球阀性能规范
公称压力PN(MPa) | 1.6 | 2.5 | 4.0 | 2.0 | 5.0 |
壳体试验压力(MPa) | 2.4 | 3.75 | 6.0 | 3.0 | 7.5 |
高压液密封试验压力(MPa) | 1.76 | 2.75 | 4.4 | 2.2 | 5.5 |
低压气密封试验压力(MPa) | 0.6 | 0.6 | 0.6 | 0.6 | 0.6 |
设计制造 | JB/T 13517、GB/T 12237、API 608、ASME B16.34 | ||||
结构长度 | JB/T 13517、GB/T 12221、ASME B16.10 | ||||
法兰标准 | JB/T 79、GB/T 9113、HG/T 20592、HG/T 20615、SH/T 3406、ASME B16.5等 | ||||
检验试验 | GB/T 26480、JB/T 9092、GB/T 13927、API 598 | ||||
可配附件 | 电磁阀、空气过滤减压器、定位器、保位阀、阀位传送器、手轮机构等 | ||||
供气压力 | 0.4MPa ~ 0.7MPa | ||||
气源接口 | G⅛、G¼、G⅜、G½ | ||||
作用方式 | 双作用:气关式(B) 一 失气时阀位保持(FL);气开式(K) 一 失气时阀位保持(FL)。 | ||||
单作用:气关式(B) 一 失气时阀位开(FO);气开式(K) 一 失气时阀位关(FC)。 | |||||
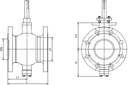
气动V型球阀外型尺寸
公称压力 PN(MPa) | 公称通径 DN(mm) | 尺寸(mm) | ||||
L | L1 | H | H1 | d1 | ||
1.6-2.5 (Class150) 2.0 | 25 | 102 | 51 | 81 | 73 | 38 |
32 | 102 | 51 | 86 | 78 | 45 | |
40 | 114 | 57 | 90 | 80 | 50 | |
50 | 124 | 62 | 93 | 90 | 62 | |
65 | 145 | 72.5 | 108 | 105 | 73 | |
80 | 165 | 82.5 | 123 | 118 | 90 | |
100 | 194 | 97 | 138 | 130 | 115 | |
125 | 194 | 97 | 148 | 145 | 134 | |
150 | 229 | 114.5 | 170 | 170 | 164 | |
200 | 243 | 121.5 | 200 | 201 | 206 | |
250 | 297 | 148.5 | 240 | 237 | 260 | |
300 | 338 | 169 | 286 | 282 | 316 | |
350 | 400 | 200 | 330 | 337 | 372 | |
400 | 400 | 200 | 367 | 372 | 420 | |
450 | 520 | 260 | 422 | 432 | 470 | |
500 | 600 | 300 | 490 | 498 | 516 | |
气动V型球阀结构图

如果你需订购我厂V型球阀产品,咨询时烦请注明产品型号,如无法提供型号数据,请说明公称通径、公称压力、阀体和内件材质、使用介质、法兰标准及法兰密封面形式、气动执行器类型,是否含三联件、定位器等,我公司可按客户需要定制。