对夹V型球阀产品概述
VQ377H、VQ377Y对夹V型球阀是一种端部为对夹连接,并在球体的一侧开V型缺口,用于调节流量的阀门。该阀有调节型和切断型两种,其中调节型为调节阀门开度,改变介质流通的截面积,实现阀门的调节, 而切断型则为通过阀门的全开或全关,实现对管道内介质的流通或截断。
VQ377H、VQ377Y对夹V型球阀采用整体式阀体结构设计,不存在产生潜在泄漏的可能,球体V型切口与阀座之间具有剪切作用,特适合含纤维、微小固体颗粒、料浆等介质。本产品具有启闭迅速,轻便,流体阻力小,结构简单,相对体积小,重量轻,便于维修,密封性能好等特点。
对夹V型球阀部件材料
序号 | 部件名称 | 材料名称 | ||||
1 | 阀 体 | WCB | CF8 | CF3 | CF8M | CF3M |
2 | 球 体 | WCB | CF8 | CF3 | CF8M | CF3M |
3 | 阀 杆 | 2Cr13 | 304 | 304L | 316 | 316L |
4 | 阀 座 | RPTFE、PTFE、TEFLON、NYLON、PPL、PEEK、DEVLON、不锈钢+表面硬化处理 | ||||
5 | 压 圈 | WCB | CF8 | CF3 | CF8M | CF3M |
6 | 下 端 盖 | WCB | CF8 | CF3 | CF8M | CF3M |
7 | 填料压盖 | WCB | CF8 | CF3 | CF8M | CF3M |
8 | 填 料 | 柔性石墨环、V形聚四氟乙烯、碳纤维编织 | ||||
9 | 螺 柱 | 35CrMoA | 304 | 304 | 316 | 316 |
10 | 螺 母 | 45 | 304 | 304 | 316 | 316 |
11 | 蜗 轮 | 组合件 | 组合件 | 组合件 | 组合件 | 组合件 |
对夹V型球阀技术规范
公称压力PN(MPa) | 1.6 | 2.5 | 4.0 | 2.0 | 5.0 |
壳体试验压力(MPa) | 2.4 | 3.75 | 6.0 | 3.0 | 7.5 |
高压液密封试验压力(MPa) | 1.76 | 2.75 | 4.4 | 2.2 | 5.5 |
低压气密封试验压力(MPa) | 0.6 | 0.6 | 0.6 | 0.6 | 0.6 |
设计制造 | JB/T 13517、GB/T 12237、API 608、ASME B16.34 | ||||
结构长度 | JB/T 13517、GB/T 12221、ASME B16.10 | ||||
法兰标准 | JB/T 79、GB/T 9113、HG/T 20592、HG/T 20615、SH/T 3406、ASME B16.5等 | ||||
检验试验 | GB/T 26480、JB/T 9092、GB/T 13927、API 598 | ||||
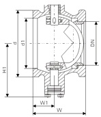
对夹V型球阀外型尺寸
公称压力 PN(MPa) | 公称通径 DN(mm) | 尺寸(mm) | ||||
W | W1 | H1 | d | d1 | ||
1.6~2.5 | 25 | 50 | 25 | 57 | 64 | 38 |
40 | 60 | 25 | 63 | 82 | 49 | |
50 | 75 | 32 | 92 | 100 | 60 | |
65 | 85 | 38 | 100 | 120 | 75 | |
80 | 100 | 45 | 108 | 131 | 89 | |
100 | 115 | 50 | 117 | 158 | 113 | |
125 | 135 | 55 | 140 | 180 | 140 | |
150 | 160 | 65 | 177 | 216 | 164 | |
200 | 200 | 80 | 200 | 268 | 205 | |
250 | 240 | 92 | 252 | 326 | 259 | |
对夹V型球阀结构图

如果你需订购我厂V型球阀产品,咨询时烦请注明产品型号,如无法提供型号数据,请说明公称尺寸、公称压力、阀体和内件材质、工作介质、介质温度范围等。