手动V型球阀产品概述
VQ347H、VQ347Y手动V型球阀是一种端部连接形式为法兰,在半球体的一侧开V形缺口用于调节流量的阀门。其通过转动蜗轮机构上的手轮驱动阀杆带动球体旋转90度来实现阀门的启闭动作,从而起到对介质的流通、调节或截断。该阀采用弹簧加载的可动阀座结构,增加了阀座与球体的密封配合,并且使它们不会产生卡阻或脱离等问题,密封可靠,使用时间长。本产品球芯上的V型切口与阀座之间具有剪切作用,既有自洁功能又可防止球芯卡死,特适用于含固体颗粒或半固态物质及料浆等流体控制,更适于含纤维状物料的流量控制,它在造纸工业的纸浆显得尤为优势。
手动V型球阀部件材料
序号 | 部件名称 | 材料名称 | ||||
1 | 阀 体 | WCB | CF8 | CF3 | CF8M | CF3M |
2 | 球 体 | WCB | CF8 | CF3 | CF8M | CF3M |
3 | 阀 杆 | 2Cr13 | 304 | 304L | 316 | 316L |
4 | 阀 座 | RPTFE、PTFE、TEFLON、NYLON、PPL、PEEK、DEVLON、不锈钢+表面硬化处理 | ||||
5 | 压 圈 | WCB | CF8 | CF3 | CF8M | CF3M |
6 | 下 端 盖 | WCB | CF8 | CF3 | CF8M | CF3M |
7 | 填料压盖 | WCB | CF8 | CF3 | CF8M | CF3M |
8 | 填 料 | 柔性石墨环、V形聚四氟乙烯、碳纤维编织 | ||||
9 | 螺 柱 | 35CrMoA | 304 | 304 | 316 | 316 |
10 | 螺 母 | 45 | 304 | 304 | 316 | 316 |
11 | 蜗 轮 | 组合件 | 组合件 | 组合件 | 组合件 | 组合件 |
手动V型球阀性能规范
公称压力PN(MPa) | 1.6 | 2.5 | 4.0 | 2.0 | 5.0 |
壳体试验压力(MPa) | 2.4 | 3.75 | 6.0 | 3.0 | 7.5 |
高压液密封试验压力(MPa) | 1.76 | 2.75 | 4.4 | 2.2 | 5.5 |
低压气密封试验压力(MPa) | 0.6 | 0.6 | 0.6 | 0.6 | 0.6 |
设计制造 | JB/T 13517、GB/T 12237、API 608、ASME B16.34 | ||||
结构长度 | JB/T 13517、GB/T 12221、ASME B16.10 | ||||
法兰标准 | JB/T 79、GB/T 9113、HG/T 20592、HG/T 20615、SH/T 3406、ASME B16.5等 | ||||
检验试验 | GB/T 26480、JB/T 9092、GB/T 13927、API 598 | ||||
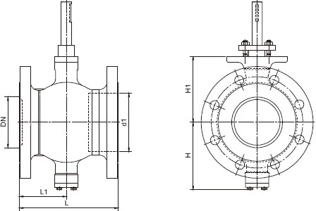
手动V型球阀外型尺寸
公称压力 PN(MPa) | 公称通径 DN(mm) | 尺寸(mm) | ||||
L | L1 | H | H1 | d1 | ||
1.6-2.5 (Class150) 2.0 | 25 | 102 | 51 | 81 | 73 | 38 |
32 | 102 | 51 | 86 | 78 | 45 | |
40 | 114 | 57 | 90 | 80 | 50 | |
50 | 124 | 62 | 93 | 90 | 62 | |
65 | 145 | 72.5 | 108 | 105 | 73 | |
80 | 165 | 82.5 | 123 | 118 | 90 | |
100 | 194 | 97 | 138 | 130 | 115 | |
125 | 194 | 97 | 148 | 145 | 134 | |
150 | 229 | 114.5 | 170 | 170 | 164 | |
200 | 243 | 121.5 | 200 | 201 | 206 | |
250 | 297 | 148.5 | 240 | 237 | 260 | |
300 | 338 | 169 | 286 | 282 | 316 | |
350 | 400 | 200 | 330 | 337 | 372 | |
400 | 400 | 200 | 367 | 372 | 420 | |
450 | 520 | 260 | 422 | 432 | 470 | |
500 | 600 | 300 | 490 | 498 | 516 | |
手动V型球阀结构图

如果你需订购我厂V型球阀产品,咨询时烦请注明产品型号,如无法提供型号数据,请说明公称通径、公称压力、阀体和内件材质、使用介质、介质温度、法兰和法兰密封面形式、传动机构类型等。