双偏心半球阀产品概述
双偏心半球阀主要由阀体、半球体、阀杆、阀座、压圈及密封件和驱动机构等组成,其半球体的回转中心与球面中心,在平行于阀杆轴线与阀体中心线构成的平面方向上存在偏心。该阀阀座由压圈安装在阀体上,在阀座与压圈之间设有弹性密封垫,在阀门启闭过程中阀座可以浮动,使阀芯与阀座之间具有摩擦力小,磨损小,使用时间长等优点。本产品适用于高温、磨损性介质工况的控制。
双偏心半球阀的半球体采用双偏心设计,其结构原理是半球体中线与阀杆中线偏置尺寸a,与阀座中线偏置尺寸b,全开时球体与阀座完全脱开,并有一定的间隙,回转半径分为长半径和短半径,在长半径转动轨迹的切线会与阀座密封面形成一个θ角,在阀门启闭时,半球相对阀座面有一个渐出脱离和渐入挤压的作用,从而降低了启闭时阀座与半球之间的机械磨损和擦伤,提高了使用时间。
双偏心半球阀部件材料
序号 | 部件名称 | 材料名称 | |||||
1 | 阀 体 | QT450 | WCB | CF8 | CF3 | CF8M | CF3M |
2 | 半 球 体 | QT450 | WCB | CF8 | CF3 | CF8M | CF3M |
3 | 阀 杆 | 2Cr13 | 2Cr13 | 304 | 304L | 316 | 316L |
4 | 阀 座 | RPTFE、PTFE、TEFLON、NYLON、PPL、PEEK、DEVLON、不锈钢+表面硬化处理 | |||||
5 | 压 圈 | QT450 | WCB | CF8 | CF3 | CF8M | CF3M |
6 | 下 端 盖 | QT450 | WCB | CF8 | CF3 | CF8M | CF3M |
7 | 填料压盖 | QT450 | WCB | CF8 | CF3 | CF8M | CF3M |
8 | 填 料 | 柔性石墨环、V形聚四氟乙烯、碳纤维编织 | |||||
9 | 螺 栓 | 35 | 35 | 304 | 304 | 316 | 316 |
10 | 螺 母 | 45 | 45 | 304 | 304 | 316 | 316 |
11 | 驱动机构 | 组合件 | 组合件 | 组合件 | 组合件 | 组合件 | 组合件 |
双偏心半球阀性能规范
公称压力PN(MPa) | 1.0 | 1.6 | 2.5 | 4.0 | 2.0 | 5.0 |
壳体试验压力(MPa) | 1.5 | 2.4 | 3.75 | 6.0 | 3.0 | 7.5 |
高压液密封试验压力(MPa) | 1.1 | 1.76 | 2.75 | 4.4 | 2.2 | 5.5 |
低压气密封试验压力(MPa) | 0.6 | 0.6 | 0.6 | 0.6 | 0.6 | 0.6 |
设计制造 | GB/T 26146、CJ/T 283、API 608、ASME B16.34 | |||||
结构长度 | GB/T 26146、CJ/T 283、ASME B16.10 | |||||
法兰标准 | JB/T 79、GB/T 9113、HG/T 20592、HG/T 20615、SH/T 3406、ASME B16.5等 | |||||
检验试验 | GB/T 26480、JB/T 9092、GB/T 13927、API 598 | |||||
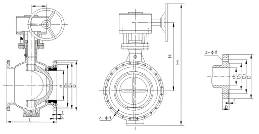
双偏心半球阀外形尺寸
公称压力 PN(MPa) | 公称通径 DN(mm) | 系列I尺寸(mm) | 系列II尺寸(mm) | ||||
L | H | H1 | L | H | H1 | ||
0.25 ~ 2.5 (Class150) 2.0 | 50 | 178 | — | — | 178 | — | — |
65 | 190 | — | — | 190 | — | — | |
80 | 203 | — | — | 203 | — | — | |
100 | 229 | — | — | 229 | — | — | |
125 | 254 | — | — | 254 | — | — | |
150 | 267 | — | — | 267 | — | — | |
200 | 292 | — | — | 292 | — | — | |
250 | 330 | — | — | 330 | — | — | |
300 | 356 | — | — | 502 | — | — | |
350 | 430 | — | — | 575 | — | — | |
400 | 530 | — | — | 610 | — | — | |
450 | 580 | — | — | 660 | — | — | |
500 | 630 | — | — | 711 | — | — | |
600 | 787 | — | — | 787 | — | — | |
700 | 900 | — | — | 900 | — | — | |
800 | 1000 | — | — | 1000 | — | — | |
900 | 1100 | — | — | 1100 | — | — | |
1000 | 1200 | — | — | 1200 | — | — | |
双偏心半球阀结构图

如果你需订购我厂偏心半球阀产品,咨询时烦请注明产品型号,如无法提供型号数据,请说明公称通径、公称压力、阀体和内件材料、使用介质、介质温度、操作方式等,以上数据为蜗轮传动参数,如需电动、气动或液动烦请来电咨询。