手动偏心半球阀产品概述
PQ340F、PQ340H偏心半球阀是一种端部连接形式为法兰,阀轴中心轴线与半球体中心线形成尺寸偏量,且仅在阀体一侧设置密封副的手动偏心半球阀,其通过转动蜗轮机构上的手轮驱动阀轴带动半球体旋转90度来实现阀门的启闭动作,从而起到对介质的接通、调节和严密截断的作用。该阀采用偏心设计,阀门开关时,阀芯密封面相对阀座是种摆动运动,即关闭时,阀芯靠上阀座,并且越关越紧,开启时,阀芯迅速离开阀座,相互无摩擦。本产品可广泛应用于冶金、选矿、电力等生产工艺中高炉煤粉喷吹、制粉以及除尘系统中的各种管线控制。
PQ340F、PQ340H偏心半球阀利用阀体、半球体和阀座、阀杆作旋转运动时在共同轨迹自动定心,关闭过程越关越紧,从而达到良好的密封效果。该阀球体表面喷焊镍基合金粉末或进行硬化处理,增强了其耐磨、耐腐蚀性和抗冲击能力,提高了阀门的使用时间,并且半球体与阀座有挤切作用,可轻易除去密封面上的结垢与黏连物,能保证密封严密可靠,是输送易沉淀结垢、结晶析出的溶液矿浆、料浆、灰渣等工艺流程中两相混流体介质用阀。本产品很好的解决了工业生产中的浆状、混流液体、灰尘等介质在管道输送中沉淀、易结垢、阻塞等问题。
手动偏心半球阀部件材料
序号 | 部件名称 | 材料名称 | |||||
1 | 阀 体 | QT450 | WCB | CF8 | CF3 | CF8M | CF3M |
2 | 球 冠 | QT450 | WCB | CF8 | CF3 | CF8M | CF3M |
3 | 阀 轴 | 2Cr13 | 2Cr13 | 304 | 304L | 316 | 316L |
4 | 阀 座 | RPTFE、PTFE、TEFLON、NYLON、PPL、PEEK、DEVLON、不锈钢+表面硬化处理 | |||||
5 | 压 圈 | QT450 | WCB | CF8 | CF3 | CF8M | CF3M |
6 | 下 端 盖 | QT450 | WCB | CF8 | CF3 | CF8M | CF3M |
7 | 填料压板 | QT450 | WCB | CF8 | CF3 | CF8M | CF3M |
8 | 填 料 | 柔性石墨环、V形聚四氟乙烯、碳纤维编织 | |||||
9 | 螺 柱 | 35 | 35 | 304 | 304 | 316 | 316 |
10 | 螺 母 | 45 | 45 | 304 | 304 | 316 | 316 |
11 | 蜗 轮 | 组合件 | 组合件 | 组合件 | 组合件 | 组合件 | 组合件 |
手动偏心半球阀性能规范
公称压力PN(MPa) | 1.0 | 1.6 | 2.5 | 4.0 | 2.0 | 5.0 |
壳体试验压力(MPa) | 1.5 | 2.4 | 3.75 | 6.0 | 3.0 | 7.5 |
高压液密封试验压力(MPa) | 1.1 | 1.76 | 2.75 | 4.4 | 2.2 | 5.5 |
低压气密封试验压力(MPa) | 0.6 | 0.6 | 0.6 | 0.6 | 0.6 | 0.6 |
设计制造 | GB/T 26146、CJ/T 283、API 608、ASME B16.34 | |||||
结构长度 | GB/T 26146、CJ/T 283、ASME B16.10 | |||||
法兰标准 | JB/T 79、GB/T 9113、HG/T 20592、HG/T 20615、SH/T 3406、ASME B16.5等 | |||||
检验试验 | GB/T 26480、JB/T 9092、GB/T 13927、API 598 | |||||
手动偏心半球阀外形尺寸
公称压力 PN(MPa) | 公称通径 DN(mm) | 系列I尺寸(mm) | 系列II尺寸(mm) | ||||
L | H | H1 | L | H | H1 | ||
0.25 ~ 2.5 (Class150) 2.0 | 50 | 178 | — | — | 178 | — | — |
65 | 190 | — | — | 190 | — | — | |
80 | 203 | — | — | 203 | — | — | |
100 | 229 | — | — | 229 | — | — | |
125 | 254 | — | — | 254 | — | — | |
150 | 267 | — | — | 267 | — | — | |
200 | 292 | — | — | 292 | — | — | |
250 | 330 | — | — | 330 | — | — | |
300 | 356 | — | — | 502 | — | — | |
350 | 430 | — | — | 575 | — | — | |
400 | 530 | — | — | 610 | — | — | |
450 | 580 | — | — | 660 | — | — | |
500 | 630 | — | — | 711 | — | — | |
600 | 787 | — | — | 787 | — | — | |
700 | 900 | — | — | 900 | — | — | |
800 | 1000 | — | — | 1000 | — | — | |
900 | 1100 | — | — | 1100 | — | — | |
1000 | 1200 | — | — | 1200 | — | — | |
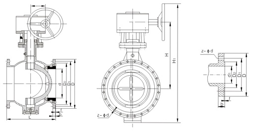
手动偏心半球阀结构图

如果你需订购我厂偏心半球阀产品,咨询时烦请注明产品型号,如无法提供型号数据,请说明公称通径、公称压力、阀体材质、内件材质、使用介质、温度等,我公司可按客户需求承接定制。