衬氟L型三通球阀产品介绍
Q44F46衬氟L型三通球阀采用两阀座密封的三通球阀外型,结构紧凑合理,内腔及球体均采用高压注塑工艺衬有耐腐蚀、耐老化的聚全氟乙丙烯(F46)和聚四氟乙烯(F4),具有可靠的耐腐蚀性和密封性,它能实现对生产过程中酸、碱等强腐蚀介质流向的切换,也能使相互垂直和两个通道连接或关闭。该产品使用温度能达到-200~180℃,广泛用于化工、石油、冶金、医药等工业部门。
衬氟L型三通球阀零部件材料
序号 | 零件名称 | 材料名称 | |||||
1 | 阀 体 | HT250 | WCB | CF8 | CF3 | CF8M | CF3M |
2 | 连 接 体 | HT250 | WCB | CF8 | CF3 | CF8M | CF3M |
3 | 球 体 | WCB | WCB | CF8 | CF3 | CF8M | CF3M |
4 | 阀 杆 | WCB | WCB | CF8 | CF3 | CF8M | CF3M |
5 | 阀 座 | F46/FEP聚全氟乙丙烯、F4/PTFE聚四氟乙烯、PFA可溶性聚四氟乙烯 | |||||
6 | 衬 里 层 | F46/FEP聚全氟乙丙烯、F4/PTFE聚四氟乙烯、PFA可溶性聚四氟乙烯 | |||||
7 | 填 料 | PTFE | PTFE | PTFE | PTFE | PTFE | PTFE |
8 | 填料压盖 | HT250 | WCB | CF8 | CF3 | CF8M | CF3M |
9 | 螺 栓 | 35 | 35 | 304 | 304 | 316 | 316 |
10 | 螺 母 | 45 | 45 | 304 | 304 | 316 | 316 |
衬氟L型三通球阀技术参数表
公称压力PN(MPa) | 0.25 | 0.6 | 1.0 | 1.6 | 2.5 | 2.0 |
壳体试验压力(MPa) | 0.375 | 0.9 | 1.5 | 2.4 | 3.75 | 3.0 |
高压液密封试验压力(MPa) | 0.275 | 0.66 | 1.1 | 1.76 | 2.75 | 2.2 |
低压气密封试验压力(MPa) | — | — | 0.6 | 0.6 | 0.6 | 0.6 |
设计制造 | HG/T 3704-2003 氟塑料衬里阀门通用技术条件 | |||||
结构长度 | 按本厂标准Q/CB的规定或订货合同要求 | |||||
法兰标准 | JB/T 79、GB/T 9113、HG/T 20592、HG/T 20615、SH/T 3406、ASME B16.5 | |||||
检验试验 | HG/T 3704-2003 氟塑料衬里阀门通用技术条件 | |||||
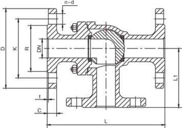
衬氟L型三通球阀外型尺寸表
公称压力 PN(MPa) | 公称尺寸 DN(mm) | 尺寸(mm) | |||||||
L | L1 | D | K | R | C | f | n-d | ||
0.6~2.5 (Class150)2.0 | 25 | 180 | 90 | 115 | 85 | 68 | 18 | 2 | 4-ø14 |
32 | 200 | 100 | 140 | 100 | 78 | 18 | 2 | 4-ø18 | |
40 | 220 | 110 | 150 | 110 | 88 | 18 | 2 | 4-ø18 | |
50 | 240 | 120 | 165 | 125 | 102 | 18 | 2 | 4-ø18 | |
65 | 260 | 130 | 185 | 145 | 122 | 18 | 2 | 4-ø18 | |
80 | 280 | 140 | 200 | 160 | 138 | 20 | 2 | 8-ø18 | |
100 | 320 | 160 | 220 | 180 | 158 | 20 | 2 | 8-ø18 | |
125 | 380 | 190 | 250 | 210 | 188 | 22 | 2 | 8-ø18 | |
150 | 440 | 220 | 285 | 240 | 212 | 22 | 2 | 8-ø23 | |
200 | 550 | 275 | 340 | 295 | 268 | 24 | 2 | 12-ø23 | |
250 | 670 | 335 | 405 | 355 | 320 | 26 | 2 | 12-ø25 | |
300 | 720/850 | 425 | 460 | 410 | 378 | 28 | 2 | 12-ø25 | |
注:以上为HG/T 20592-2009标准PN16整体钢制管法兰尺寸。 | |||||||||
衬氟L型三通球阀主要结构图

如果你需订购我厂衬氟L型三通球阀产品,咨询时烦请注明产品型号,如无法提供这些数据,请说明公称尺寸、公称压力、阀体和内件材质、衬里层材料、介质温度、操作机构类型(手柄、蜗轮、气动、电动、液动)等,本产品可根据工况温度和腐蚀强度不同选用内衬FEP(F46)、PCTFE(F3)、PTFE(F4)、PFA(可溶性聚四氟乙烯)、PO(聚烯烃)等。