T型三通球阀产品概述
T型三通球阀具有四阀座密封的三通浮动球阀外型,结构紧凑合理,法兰连接少,可靠性高,设计实现了轻量化,它不仅可实现对介质流向的切换,也可使三个通道相互连通,同时也可关闭任一通道,使另外两个通道连通,灵活控制管路中介质的合流或分流。
T型三通球阀阀体采用的是三个流体通道结构设计,其三通T型孔流道球体可使三条正交的管道互相连通或切换,起分流或合流作用,其流通能力大,可控制气体、液体、蒸汽,更适用于控制高粘度,纤维颗粒状的流体,也适用于密封要求较严格的场合。
T型三通球阀零部件材料
序号 | 零件名称 | 材料名称 | ||||
1 | 阀 体 | A216 WCB | A351 CF8 | A351 CF3 | A351 CF8M | A351 CF3M |
2 | 阀 盖 | A216 WCB | A351 CF8 | A351 CF3 | A351 CF8M | A351 CF3M |
3 | 阀 座 | RPTFE、PTFE、TEFLON、NYLON、PPL、PEEK、DEVLON、不锈钢+硬质合金 | ||||
4 | 阀 杆 | 2Cr13 | 304 | 304L | 316 | 316L |
5 | 球 体 | 304 | 304 | 304L | 316 | 316L |
6 | 填 料 | 柔性石墨环、V形聚四氟乙烯、特氟隆、碳纤维编织 | ||||
7 | 螺 栓 | A193 B7 | A193 B8 | A193 B8 | A193 B8M | A193 B8M |
8 | 螺 母 | A194 2H | A194 8 | A194 8 | A194 8M | A194 8M |
T型三通球阀性能规范表
公称压力PN(MPa) | 1.6 | 2.5 | 4.0 | 2.0 | 5.0 |
壳体试验压力(MPa) | 2.4 | 3.75 | 6.0 | 3.0 | 7.5 |
高压液密封试验压力(MPa) | 1.76 | 2.75 | 4.4 | 2.2 | 5.5 |
低压气密封试验压力(MPa) | 0.6 | 0.6 | 0.6 | 0.6 | 0.6 |
设计制造 | GB/T 12237、GB/T 21385、API 608、ASME B16.34 | ||||
结构长度 | 按本厂标准Q/CB的规定或订货合同要求 | ||||
连接法兰 | JB/T 79、GB/T 9113、HG/T 20592、HG/T 20615、SH/T 3406、ASME B16.5 | ||||
检验试验 | JB/T 9092、GB/T 13927、API 598 | ||||
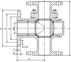
T型三通球阀外型尺寸表
公称压力 PN(MPa) | 公称尺寸 DN(mm) | 尺寸(mm) | |||||||
L | L1 | D | K | R | C | f | n-d | ||
0.6~2.5 (Class150)2.0 | 25 | 180 | 90 | 115 | 85 | 68 | 18 | 2 | 4-ø14 |
32 | 200 | 100 | 140 | 100 | 78 | 18 | 2 | 4-ø18 | |
40 | 220 | 110 | 150 | 110 | 88 | 18 | 2 | 4-ø18 | |
50 | 240 | 120 | 165 | 125 | 102 | 18 | 2 | 4-ø18 | |
65 | 260 | 130 | 185 | 145 | 122 | 18 | 2 | 4-ø18 | |
80 | 280 | 140 | 200 | 160 | 138 | 20 | 2 | 8-ø18 | |
100 | 320 | 160 | 220 | 180 | 158 | 20 | 2 | 8-ø18 | |
125 | 380 | 190 | 250 | 210 | 188 | 22 | 2 | 8-ø18 | |
150 | 440 | 220 | 285 | 240 | 212 | 22 | 2 | 8-ø23 | |
200 | 550 | 275 | 340 | 295 | 268 | 24 | 2 | 12-ø23 | |
250 | 670 | 335 | 405 | 355 | 320 | 26 | 2 | 12-ø25 | |
300 | 720/850 | 425 | 460 | 410 | 378 | 28 | 2 | 12-ø25 | |
注:以上为HG/T 20592-2009标准PN16整体钢制管法兰尺寸。 | |||||||||
T型三通球阀主要结构图

如果你需订购我厂T型三通球阀产品,咨询时烦请注明产品型号,如无法提供型号数据,请说明公称通径、公称压力、阀体材质、内件材质、介质温度、执行器机构类型、法兰标准、法兰密封面形式等。