硬密封Y型三通球阀产品介绍
硬密封Y型三通球阀安装在管路中主要通过执行机构驱动带柄球体旋转120°或135°来控制Y型管路的导通或关闭,改变硬固体颗粒或高温工况介质的流动方向,其球体与阀座密封根据工况不同,可分别采用热喷涂镍基合金(硬度大于HRC60)、超音速火焰喷涂钨钴合金(硬度大于HRC70)及其他特种硬质材料、激光熔覆技术等多种表面硬化工艺,以适用各种苛刻工况。
硬密封Y型三通球阀主要适合在各种高温、硬固体颗粒的条件下,介质流向的切换使用,如煤化工的黑水、灰水、煤浆工况,煤气化装置的锁渣排渣工况,煤制油的高温高压苛刻工况,多晶硅的耐磨工况以及电厂的排渣工况等。
硬密封Y型三通球阀零件材料表
序号 | 零件名称 | 材料名称 | ||||
1 | 阀 体 | A216 WCB | A351 CF8 | A351 CF3 | A351 CF8M | A351 CF3M |
2 | 阀 盖 | A216 WCB | A351 CF8 | A351 CF3 | A351 CF8M | A351 CF3M |
3 | 阀 座 | A182 F304+HF | A182 F304+HF | A182 F304L+HF | A182 F316+HF | A182 F316L+HF |
4 | 球 体 | A351 CF8+HF | A351 CF8+HF | A351 CF3+HF | A351 CF8M+HF | A351 CF3M+HF |
5 | 阀 杆 | A351 CF8 | A351 CF8 | A351 CF3 | A351 CF8M | A351 CF3M |
6 | 填 料 | 柔性石墨环、V形聚四氟乙烯、特氟隆、碳纤维编织 | ||||
7 | 螺 栓 | A193 B7 | A193 B8 | A193 B8 | A193 B8M | A193 B8M |
8 | 螺 母 | A194 2H | A194 8 | A194 8 | A194 8M | A194 8M |
硬密封Y型三通球阀性能规范表
公称压力PN(MPa) | 1.6 | 2.5 | 4.0 | 2.0 | 5.0 |
壳体试验压力(MPa) | 2.4 | 3.75 | 6.0 | 3.0 | 7.5 |
高压液密封试验压力(MPa) | 1.76 | 2.75 | 4.4 | 2.2 | 5.5 |
低压气密封试验压力(MPa) | 0.6 | 0.6 | 0.6 | 0.6 | 0.6 |
设计制造 | GB/T 12237、GB/T 21385、API 608、ASME B16.34 | ||||
结构长度 | 按本厂标准Q/CB的规定或订货合同要求 | ||||
连接法兰 | JB/T 79、GB/T 9113、HG/T 20592、HG/T 20615、SH/T 3406、ASME B16.5 | ||||
检验试验 | JB/T 9092、GB/T 13927、API 598 | ||||
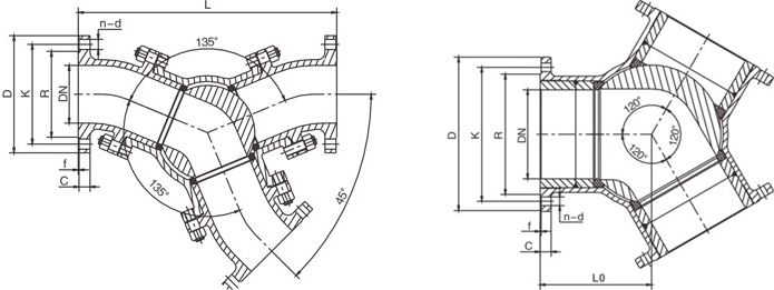
硬密封Y型三通球阀外型尺寸表
公称压力 PN(MPa) | 公称尺寸 DN(mm) | 尺寸(mm) | |||||||
L | L0 | D | K | R | C | f | n-d | ||
1.6-4.0 (Class150)2.0 (Class300)5.0 | 50 | 340 | 110 | 160 | 125 | 100 | 16 | 3 | 4-ø18 |
65 | 400 | 130 | 180 | 145 | 120 | 18 | 3 | 4-ø18 | |
80 | 410 | 150 | 195 | 160 | 135 | 20 | 3 | 8-ø18 | |
100 | 460 | 170 | 215 | 180 | 155 | 20 | 3 | 8-ø18 | |
125 | 560 | 190 | 245 | 210 | 185 | 22 | 3 | 8-ø18 | |
150 | 660 | 210 | 280 | 240 | 210 | 24 | 3 | 8-ø23 | |
200 | 800 | 235 | 335 | 295 | 265 | 26 | 3 | 12-ø23 | |
250 | 1030 | 290 | 405 | 355 | 320 | 30 | 3 | 12-ø25 | |
300 | 1140 | 350 | 460 | 410 | 375 | 30 | 4 | 12-ø25 | |
注:以上为JB/T 79-2015标准PN16系列2法兰尺寸。 | |||||||||
硬密封Y型三通球阀结构图

尊敬的用户!如果你需订购我厂三通球阀产品,咨询时烦请提供公称通径、公称压力、阀体材料、内件材料、介质温度、法兰标准和法兰密封面形式等,本产品可采用国标、美标、德标、日标等设计标准制造。