Writer: admin Time:2020-05-30 08:58 Browse:℃

|
电动调节蝶阀标准规范:
设计标准【GB/T12238-1989 JB/T8692-1998】
法兰连接尺寸【GB/T9115.1-2000】
结构长度【h:GB/T12221-1989】
压力试验【GB/T13927-1992;JB/T9092-1999】
|
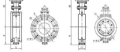
![]() 电动法兰调节蝶阀结构图 电动对夹式调节蝶阀结构图 |
| 公称通径 | DN50~DN1200(mm) | ||
| 公称压力 | PN0.6、1.6、2.5、4.0MPa | ||
| 连接形式 | 对夹式、法兰式 | ||
| 操作方式 | 电动控制(电源驱动) | ||
| 密封形式 | 金属硬密封,软密封(可达零泄露) | ||
| 电源电压 | AC220V、AC380V(其他定制DC24等)50/60Hz | ||
| 信号反馈 | 有源信号、S无源信号 | ||
| 手动功能 | 可根据需要装配手动开阀、关阀功能 | ||
| 适用温度 | -30℃~450℃ | ||
| 动作时间 | 15秒/30秒/60秒 | ||
| 可调范围 | 50:1 | ||
| 应用场所 | 蒸汽、水、气体、油品及高温或含杂质工况 | ||
| 控制形式 | 智能调节式(输入输出4-20mA信号控制) | ||
QQ: 769693943
Phone: 13816746668
Tel: 021-31001158
Email: 769693943
Add: 上海市金山区沪杭公路4169号