Writer: admin Time:2020-05-30 08:44 Browse:℃

| 适用范围(Pa) | 2x105~1.3x10-5 | |
| 漏气率(Pa.L/S) | ≤1.3x10-6 | |
| 驱动形式 | 压缩空气(4-7bar) | |
| 介质温度(℃) | 丁腈橡胶-25 ~ +80,氟橡胶-30 ~ +150 | |
| 法兰标准 | GB6070.3-85 | |
| 安装位置 | 任意 | |
| 作用形式 |
单作用式:气关式(B)--失气时阀位开(FO);气开式(K)--失气时阀位关(FC)
双作用式:气关式(B)--失气时阀位保持(FL);气开式(K)-- 失气时阀位保持(FL)
|
|
| 控制方式 | 开关型(开关两位控制) | |
| 调节型(4-20mA信号调节流量大小) | ||
| 执行器型号 | GT、AT、AW系列单双作用气动执行器 |
| 供气压力 | 0.4~0.7MPa |
| 气源接口 | G1/4"、G1/8"、G3/8"、G1/2" |
| 环境温度 | -30~+70℃ |
| 作用形式 | 单作用执行机构、双作用执行机构 |
| 可选附件 | 定位器、电磁阀、空气过滤减压器、保位阀、行程开关、阀位传送器、手轮机构等 |
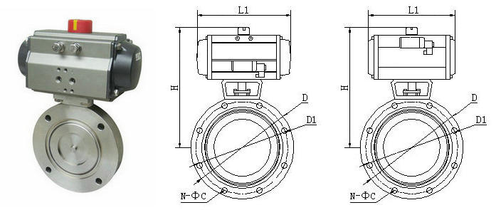
| 公称通径(DN) | 50 | 63 | 80 | 100 | 125 | 150 | 200 | 250 | 300 | 400 | |
| 连接尺寸 | A | 26 | 32 | 35 | 50 | 55 | 60 | ||||
| ΦD | 110 | 130 | 145 | 165 | 200 | 225 | 285 | 335 | 425 | 510 | |
| ΦB | 90 | 110 | 125 | 145 | 175 | 200 | 260 | 310 | 395 | 480 | |
| n-ΦC | 4-Φ9 | 8-Φ9 | 4-Φ12 | 12-Φ11 | 12-Φ14 | 16-Φ14 | |||||
QQ: 769693943
Phone: 13816746668
Tel: 021-31001158
Email: 769693943
Add: 上海市金山区沪杭公路4169号