HRF3高温高压圆盘式蒸汽疏水阀产品概述
HRF150、HRF3高温高压圆盘式蒸汽疏水阀阀体采用铸件或锻件铬钼钢、铬钼钒钢等合金钢材料制造,其工作温度在540℃~570℃之间,动作灵敏,该阀阀片、阀座采用马氏体不锈钢材质,并通过热处理,使它在高温高压下不变形、耐磨损。本产品适于在火力发电厂高温高压工况条件下使用,主要安装在高温高压饱和蒸汽主管线和高压过热蒸汽设备上自动排放凝结水并阻止蒸汽逸出。
HRF150、HRF3高温高压圆盘式蒸汽疏水阀阀内部装有自动吹除装置,皇冠式阀片,密封可靠,蒸汽保温装置,高效节能,该阀可迅速排除设备启动时的空气及凝结水,排量大,漏汽率小。本产品抗腐蚀性强,动作可靠,经久耐用,在工作压力范围内,无需调整,节能效果好,其内置过滤网,能有效阻止杂质进入阀内,保证蒸汽疏水阀正常工作,它能在管路上更换零部件,维护简便。
HRF3高温高压圆盘式蒸汽疏水阀部件材料
序号 | 部件名称 | 材料名称 | ||||
1 | 阀 盖 | A105 | A217 WC6 | A217 WC9 | A182 F11 CL.2 | A182 F22 CL.3 |
2 | 阀 体 | A105 | A217 WC6 | A217 WC9 | A182 F11 CL.2 | A182 F22 CL.3 |
3 | 阀 座 | A276 420 | A276 420 | A276 420 | A276 420 | A276 420 |
4 | 阀 片 | A276 420 | A276 420 | A276 420 | A276 420 | A276 420 |
5 | 过 滤 网 | A240 304 | A240 304 | A240 304 | A240 304 | A240 304 |
6 | 垫 片 | A240 304 | A240 304 | A240 304 | A240 304 | A240 304 |
7 | 螺 栓 | A193 B7M | A193 B16 | A193 B16 | A193 B16 | A193 B16 |
8 | 螺 母 | A194 2HM | A194 4 | A194 4 | A194 4 | A194 4 |
HRF3高温高压圆盘式蒸汽疏水阀性能规范
公称压力PN(MPa) | 10.0 | 16.0 | 25.0 | 32.0 | 40.0 |
壳体试验压力(MPa) | 15.0 | 24.0 | 38.0 | 48.0 | 60.0 |
设计制造 | GB/T 22654-2008 蒸汽疏水阀 技术条件 | ||||
结构长度 | GB/T 12250-2005 蒸汽疏水阀 术语、标志、结构长度 | ||||
连接法兰 | JB/T 79、JB/T 82、GB/T 9113、GB/T 9115、HG/T 20592、HG/T 20615、ASME B16.5等 | ||||
螺纹标准 | GB/T 7306.1、GB/T 7306.2、GB/T 7307、GB/T 12716、ASME B1.20.1等 | ||||
焊接端部 | 承插焊按JB/T 7746或ASME B16.11,对焊按GB/T 12224或ASME B16.25等 | ||||
检验试验 | GB/T 12251-2005 蒸汽疏水阀 试验方法 | ||||
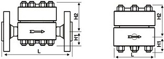
HRF3高温高压圆盘式蒸汽疏水阀外型尺寸
产品型号 | 公称通径 DN(mm) | 尺寸(mm) | 连接方式 | |||
L | H1 | H2 | W | |||
HRF3 | 15 | 230 | 78 | 35 | 135 | 法兰 |
20 | 230 | 78 | 35 | 135 | ||
25 | 230 | 78 | 35 | 135 | ||
HRW3 | 15 | 130 | 78 | 35 | 135 | 承插焊 |
20 | 130 | 78 | 35 | 135 | ||
25 | 130 | 78 | 35 | 135 | ||
HR3 | 15 | 130 | 78 | 35 | 135 | 内螺纹 |
20 | 130 | 78 | 35 | 135 | ||
25 | 130 | 78 | 35 | 135 | ||
HRF150 | 15 | 400 | 122 | 58 | 228 | 法兰 |
20 | 400 | 122 | 58 | 228 | ||
25 | 400 | 122 | 58 | 228 | ||
32 | 400 | 122 | 58 | 228 | ||
40 | 400 | 122 | 58 | 228 | ||
50 | 400 | 122 | 58 | 228 | ||
HRW150 | 15 | 220 | 122 | 58 | 228 | 承插焊 |
20 | 220 | 122 | 58 | 228 | ||
25 | 220 | 122 | 58 | 228 | ||
32 | 320 | 122 | 58 | 228 | ||
40 | 320 | 122 | 58 | 228 | ||
50 | 320 | 122 | 58 | 228 | ||
HRF3高温高压圆盘式蒸汽疏水阀结构图

如果你需订购我厂高温高压圆盘式蒸汽疏水阀,烦请确认阀体和内件材料、公称通径、公称压力、使用压力、工作温度、凝结水排放量,如果你使用的场合十分复杂时,请提供设计图纸或详细参数,由本公司技术员为您审核把关。