LPG(W)卧式过滤器_LPGK(W)卧式快开过滤器产品概述
LPG(W)卧式过滤器是一种卧式安装适用于介质为液体的管道用篮式过滤器,由封头和筒体组成壳体,其左侧和正面方向分别设有流体进口和出口,壳体内置有有利于机械杂质分离沉降的滤芯,并经侧盖和壳体右侧端盖法兰通过紧固螺母压紧固定,工作时,待处理液体从左侧进液口进入过滤器内,经过置有一定规格滤网的滤筒后将固体杂质滤除掉,从出液口流出即可,当需要清洗时,只要将可拆卸的侧盖打开,把滤芯从筒体内抽出,处理后重新装入即可,因此,使用维护极为方便。
LPG(W)卧式过滤器是我厂选用JB/T 7538-2016管道用篮式过滤器标准设计制造的一款产品,其采用双层过滤网结构,一层是由不锈钢冷轧钢板冲制成粗间隙圆孔筛板卷制而成的滤筒,另层为使用细间隙金属丝编织方孔筛网制做的滤网,可以对液体中的大小颗粒杂质同时进行过滤,能够给予双重的保护,本产品具有过滤面积大,过滤芯的净过流面积为进口截流面积的3~10倍,压力损失小,排污清洗方便等特点,特别适合固体杂质含量较多的工作介质,宜安装在有90°流向变化处。
LPG(W)卧式过滤器_LPGK(W)卧式快开过滤器部件材料
序号 | 部件名称 | 材料名称 | ||||
1 | 筒 体 | Q235B | 20# | S30408 | S31608 | S31603 |
2 | 封 头 | Q235B | 20# | S30408 | S31608 | S31603 |
3 | 接 管 | Q235B | 20# | S30408 | S31608 | S31603 |
4 | 法 兰 | Q235B | 20# | S30408 | S31608 | S31603 |
5 | 侧 盖 | Q235B | Q235B | S30408 | S31608 | S31603 |
6 | 滤筒滤网 | 304 | 304 | S30408 | S31608 | S31603 |
7 | 螺 栓 | 35CrMoA | 35CrMoA | S30408 | S31608 | S31608 |
8 | 螺 母 | 30CrMoA | 30CrMoA | S30408 | S31608 | S31608 |
9 | 排 污 口 | Q235B | 20# | S30408 | S31608 | S31603 |
LPG(W)卧式过滤器_LPGK(W)卧式快开过滤器性能规范
公称压力PN(MPa) | 1.0 | 1.6 | 2.5 | 4.0 | 6.3 |
壳体试验压力(MPa) | 1.5 | 2.4 | 3.75 | 6.0 | 9.45 |
高压液密封试验压力(MPa) | 1.1 | 1.76 | 2.75 | 4.4 | 6.93 |
低压气密封试验压力(MPa) | 0.6 | 0.6 | 0.6 | 0.6 | 0.6 |
设计制造 | JB/T 7538-2016 管道用篮式过滤器 | ||||
法兰标准 | JB/T 81~82、GB/T 9115~9119、HG/T 20592~20615、SH/T 3406、ASME B16.5 | ||||
检验验收 | JB/T 7538-2016 管道用篮式过滤器 | ||||
过滤精度 | 20μm ~ 16000μm | ||||
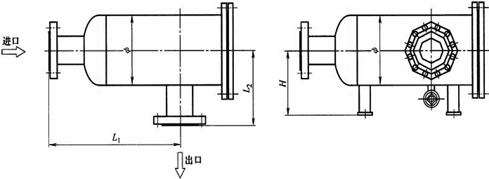
LPG(W)卧式过滤器_LPGK(W)卧式快开过滤器外型尺寸
设计压力 MPa | 公称通径 DN | 公称尺寸 NPS | 尺寸(mm) | |||
Φ | L1 | L2 | H | |||
0.25 ~ 10.0 | 300 | 12 | 500 | 1000 | 550 | 540 |
350 | 14 | 600 | 1200 | 650 | 600 | |
400 | 16 | 700 | 1300 | 700 | 650 | |
450 | 18 | 800 | 1400 | 800 | 700 | |
500 | 20 | 900 | 1500 | 900 | 800 | |
600 | 24 | 1000 | 1700 | 1000 | 900 | |
700 | 28 | 1200 | 1700 | 1000 | 1000 | |
800 | 32 | 1400 | 2000 | 1100 | 1100 | |
900 | 36 | 1600 | 2200 | 1200 | 1200 | |
1000 | 40 | 1800 | 2300 | 1300 | 1300 | |
LPG(W)卧式过滤器_LPGK(W)卧式快开过滤器结构图

如果你需订购我厂管道过滤器产品,咨询时烦请提供型号数据,公称直径、公称压力、壳体材质、滤篮材质及过滤精度、法兰标准、法兰密封面形式等,本系列产品按功能类别不同有LPG(W)型卧式普通过滤器和LPGK(W)型卧式快开过滤器两种,如有特殊要求,请来电咨询。