高低接管平底篮式过滤器产品概述
高低接管平底篮式过滤器是一种参照HG/T 21637-1991《化工管道过滤器》标准,主要为化工、石油化工、轻工及相关行业等生产中的液体及气体物料过滤而设计制造的高低篮式过滤器,其主要由高低接管、筒体、滤篮、进出口连接法兰、筒体上部压紧法兰、筒盖及紧固件等组成,安装在泵的入口或管道上能除去流体中较大的固体杂质,使机器设备(包括压缩机、泵等)、阀门、仪表能正常工作和运转,达到稳定工艺过程,保障生产的作用。本产品采用高进低出设计,特适合进出料口不在同一水平高度的工况场合使用。
我厂生产的本系列高低接管平底篮式过滤器主要型号有SB34C-H10、SB34C-H25、SB34C-H40、SB34C-A150、SB34C-A300、SB34S-H10、SB34S-H25、SB34S-H40、SB34S-A150、SB34S-A300、SB36C-H10、SB36C-H25、SB36C-H40、SB36C-A150、SB36C-A300、SB36S-H10、SB36S-H25、SB36S-H40、SB36S-A150、SB36S-A300、SB34M-H10、SB34M-H25、SB34M-H40、SB34M-A150、SB34M-A300、SB36M-H10、SB36M-H25、SB36M-H40、SB36M-A150、SB36M-A300等。
高低接管平底篮式过滤器部件材料
序号 | 部件名称 | 材料名称 | |||||
1 | 筒 体 | 20# | 15CrMo | 304 | 304L | 316 | 316L |
2 | 接 管 | 20# | 15CrMo | 304 | 304L | 316 | 316L |
3 | 法 兰 | A105 | 15CrMo | 304 | 304L | 316 | 316L |
4 | 筒 盖 | Q235B | 15CrMo | 304 | 304L | 316 | 316L |
5 | 密 封 件 | 柔性石墨缠绕、聚四氟乙烯、带内外环金属缠绕垫 | |||||
6 | 滤 篮 | 304 | 304 | 304 | 304L | 316 | 316L |
7 | 螺 栓 | 35CrMoA | 35CrMoA | 304 | 304 | 316 | 316 |
8 | 螺 母 | 30CrMo | 30CrMo | 304 | 304 | 316 | 316 |
9 | 排放螺塞 | 304 | 304 | 304 | 304L | 316 | 316L |
高低接管平底篮式过滤器技术规范
公称压力PN(MPa) | 1.0 | 1.6 | 2.5 | 4.0 | 2.0 | 5.0 |
壳体强度试验压力(MPa) | 1.5 | 2.4 | 3.75 | 6.0 | 3.0 | 7.5 |
高压液密封试验压力(MPa) | 1.1 | 1.76 | 2.75 | 4.4 | 2.2 | 5.5 |
低压气密封试验压力(MPa) | 0.6 | 0.6 | 0.6 | 0.6 | 0.6 | 0.6 |
设计制造 | HG/T 21637-1991化工管道过滤器 | |||||
法兰标准 | HG/T 20592-2009、HG/T 20615-2009、ASME B16.5-2017等 | |||||
检验试验 | HG/T 21637-1991化工管道过滤器 | |||||
过滤精度 | 0.02mm ~ 16.0mm | |||||
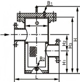
高低接管平底篮式过滤器外型尺寸
公称压力 PN | 公称通径 DN | 尺寸(mm) | ||||||
Φ | L | H1 | H2 | H3 | H | B | ||
16 ~ 40 | 25 | 76 | 220 | 110 | 70 | 280 | 295 | R½" |
32 | 76 | 220 | 110 | 70 | 285 | 300 | R½" | |
40 | 114 | 280 | 120 | 100 | 340 | 355 | R½" | |
50 | 114 | 280 | 120 | 100 | 340 | 355 | R½" | |
65 | 140 | 330 | 160 | 110 | 400 | 415 | R½" | |
80 | 168 | 340 | 180 | 140 | 460 | 475 | R½" | |
100 | 219 | 420 | 220 | 170 | 550 | 565 | R¾" | |
150 | 273 | 500 | 310 | 220 | 720 | 735 | R¾" | |
200 | 325 | 560 | 390 | 280 | 900 | 915 | R¾" | |
250 | 426 | 660 | 480 | 320 | 1070 | 1120 | R¾" | |
300 | 478 | 750 | 640 | 400 | 1360 | 1410 | R¾" | |
高低接管平底篮式过滤器结构图

如果你需订购我厂篮式过滤器产品,咨询时烦请提供型号数据,公称直径、公称压力、壳体材质、滤篮材质及过滤精度、法兰标准、法兰密封面形式等,本产品按材料的类别不同分为:SB34C碳钢高低接管平底篮式过滤器、SB34S不锈钢高低接管平底篮式过滤器、SB34M低合金钢高低接管平底篮式过滤器三种,如有特殊要求,请来电咨询。