美标Y型过滤器产品介绍
美标Y型过滤器外型结构和工作原理与国标Y型过滤器基本相似,都是以钢板卷制且带有较大方孔或圆孔的筒型支承架,里面覆以不锈钢纱网的双层滤网形式,并采用包边点焊及内腔和压条点焊等方式固定制成过滤芯件,机械地(在工作压力作用下)将固体杂质从流动的液体或气体中提取出来,进行分离,其技术要求、连接型式及尺寸、材料、压力-温度额度值、检验与试验等符合美国标准,主要安装在按美标设计的管路系统中,用来保护系统中的泵、阀门以及其他重要流体控制元件等。
美标Y型过滤器设计制造按API 6D、ASME B16.34或ANSI B16.34标准执行,连接法兰选用ASME B16.5、ASME B16.47、ANSI B16.5等;检验与试验符合API 598或API 6D;结构长度遵循ANSIB16.10、ASME B16.10及API 6D标准。我厂生产的本产品,低压壳体一般为铸造而成,而高压小口径一般为锻造壳体,可根据客户不同需要设置滤网目数。
美标Y型过滤器部件材料
序号 | 部件名称 | 材料名称 | ||||
1 | 壳 体 | A216 WCB | A351 CF8 | A351 CF3 | A351 CF8M | A351 CF3M |
2 | 壳 盖 | A216 WCB | A351 CF8 | A351 CF3 | A351 CF8M | A351 CF3M |
3 | 滤筒滤网 | A240 304 | A240 304 | A240 304L | A240 316 | A240 316L |
4 | 垫 片 | 聚四氟乙烯、柔性石墨缠绕、带内外环金属缠绕垫 | ||||
5 | 排放螺塞 | A182 F304 | A182 F304 | A182 F304L | A182 F316 | A182 F316L |
6 | 螺 栓 | A193 B7 | A193 B8 | A193 B8 | A193 B8M | A193 B8M |
7 | 螺 母 | A194 2H | A194 8 | A194 8 | A194 8M | A194 8M |
美标Y型过滤器技术规范
公称压力PN(Class) | 150 | 300 | 400 | 600 | 900 |
壳体强度试验压力(MPa) | 3.0 | 7.5 | 9.45 | 16.5 | 22.5 |
高压液密封试验压力(MPa) | 2.2 | 5.5 | 6.93 | 12.1 | 16.5 |
低压气密封试验压力(MPa) | 0.6 | 0.6 | 0.6 | 0.6 | 0.6 |
设计制造 | API 6D-2014、ASME B16.34-2013 | ||||
结构长度 | 按API 6D-2014、ASME B16.10-2017的规定或订货合同要求 | ||||
连接法兰 | ASME B16.5-2017、ASME B16.47-2017、ANSI B16.5-2013等 | ||||
检验试验 | API 6D-2014、API 598-2016 | ||||
过滤精度 | 20μm ~ 16000μm | ||||
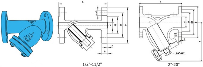
美标Y型过滤器外型尺寸
公称压力 Class | 公称尺寸 NPS | 系列I尺寸(mm) | 系列II尺寸(mm) | 排放口 B(in) | ||
L | H | L | H | |||
150 | ½ | 134 | 60 | 134 | 60 | — |
¾ | 142 | 70 | 142 | 70 | — | |
1 | 152 | 70 | 152 | 70 | — | |
1 ¼ | 182 | 75 | 168 | 75 | — | |
1 ½ | 200 | 90 | 200 | 90 | — | |
2 | 217 | 105 | 217 | 105 | NPT¾ | |
2 ½ | 250 | 150 | 252 | 150 | NPT¾ | |
3 | 284 | 175 | 282 | 175 | NPT¾ | |
4 | 310 | 200 | 309 | 200 | NPT¾ | |
5 | 353 | 205 | 351 | 205 | NPT¾ | |
6 | 390 | 260 | 388 | 260 | NPT¾ | |
8 | 485 | 300 | 468 | 300 | NPT¾ | |
10 | 552 | 380 | 540 | 380 | NPT¾ | |
12 | 641 | 410 | 640 | 410 | NPT¾ | |
14 | 668 | 480 | 683 | 480 | NPT¾ | |
16 | 755 | 540 | 755 | 540 | NPT¾ | |
18 | 853 | 580 | 853 | 580 | NPT¾ | |
20 | 890 | 645 | 900 | 645 | NPT¾ | |
24 | 1060 | 950 | 1060 | 950 | NPT¾ | |
300 | ½ | 144 | 70 | 144 | 70 | — |
¾ | 201 | 110 | 201 | 110 | — | |
1 | 201 | 110 | 201 | 110 | — | |
1 ¼ | 214 | 115 | 214 | 115 | — | |
1 ½ | 241 | 125 | 241 | 125 | — | |
2 | 271 | 145 | 268 | 145 | NPT¾ | |
2 ½ | 323 | 160 | 323 | 160 | NPT¾ | |
3 | 323 | 210 | 323 | 210 | NPT¾ | |
4 | 352 | 270 | 351 | 270 | NPT¾ | |
5 | 400 | 288 | 400 | 288 | NPT¾ | |
6 | 430 | 260 | 430 | 260 | NPT¾ | |
8 | 580 | 395 | 580 | 395 | NPT¾ | |
10 | 680 | — | 680 | — | NPT¾ | |
600 | ½ | 175 | — | 175 | — | — |
¾ | 206 | — | 206 | — | — | |
1 | 213 | 110 | 213 | 110 | — | |
1 ¼ | 232 | 115 | 232 | 115 | — | |
1 ½ | 252 | 125 | 252 | 125 | — | |
2 | 278 | 130 | 278 | 130 | NPT¾ | |
2 ½ | 335 | 160 | 335 | 160 | NPT¾ | |
3 | 370 | 260 | 370 | 260 | NPT¾ | |
4 | 465 | 270 | 466 | 270 | NPT¾ | |
5 | 400 | 288 | 400 | 288 | NPT¾ | |
6 | 530 | — | 530 | — | NPT¾ | |
8 | 580 | 395 | 580 | 395 | NPT¾ | |
10 | 680 | — | 680 | — | NPT¾ | |
12 | 800 | — | 800 | — | NPT¾ | |
美标Y型过滤器结构图

如果你需订购我厂美标Y型过滤器产品,咨询时烦请提供压力磅级、公称尺寸、壳体材料、滤筒滤网材质、过滤精度、法兰密封面形式等参数。