电动球阀工作原理图及接线图
Writer: admin Time:2019-12-08 02:41 Browse:℃
关于电动球阀工作原理图及接线图详细说明,其中包括电动球阀的工作原理图以及电动球阀如何接线等详细描述,遇到故障时相应对策以及安装手册等。
TOP系列电动执行器用于控制0°~ 90°施转的阀门及其他同类产品,如蝶阀、球阀、风门、旋塞阀、百叶阀等,它以AC24V. 110V、220V、380V交流电源和IDC24V直流电源为驱动电源,4-20mA电流信号或0- 10VDC电压信号为控制信号,可使阀门运动到所需位置,实现其自动化控制。可以广泛应用于石油、化工、电力、冶金、制药、造纸、能源、水处理、船舶、纺织、食品加工、楼宇白动化等领域。同时更具有休积小、重量轻、外形精美、结构独特、紧凑、启闭逃速、易于安装、操作扭矩小,操件方便、数显阀位、无须维护及使用安全方便等诸多优点在安装或使用TOP系列产品之前,请您务必详细阅读本说明书。
1、型号表示方法
TOP- ARC-1
A:表示产品代数,如“1" 表示第一代产品,“2” 表示第二代,以此类推。
B:表示产品力知(数字x10)包括: 05. 10, 16、20,40,60,100, 200.
C:表示控制电路形式: ABCDE F和H。
D:附加功能:可以选也可以缺失( 220V.标准结构支架联轴器厂家白配)
B:电源AC 24V
C:电源DC 24V
D:电源AC 220V
E:电源AC 380V
F:电源AC 110V
1:白装式结构、文架联轴器一体、 直接安装当配阀门时、阀门J单独根据要求外选型。
K:快开系列、同转时间30s变成15s,或10s少成4s,力矩30,100, 200, 400Nm变成20, 50, 100,
200Nm:
M:慢开系列、回转时间出20s或30s变成60x.力矩30,100, 200. 400Nm输出保持不变。
DF:断电发位,外接电路共有2种( AC220V类控制型和DC类控制型)
AP:无线APP控制。
CF:光伏+现场控制箱控制。
AGF:光伏+无线A PP控制。
QS:潜水型。
MK:智能开关型,MTI:智能调节型。
例如: T0P-110A-E, 表示系列产品第代背通形电动执行器,力知为100NM,控制电路为A型,电
压380V。
例如: TOP-110A- E,表示系列产品第一代通型电动执行器,力知为100NW,控制电路为A型,电
压380V。
2、使用注意事项
●通电时禁止于动操作。
●述电前请确认输人电压及接线位置是否正确。
●产品铭牌和警示标贴不得撕股或丢失,其上的文字应保持清晰。
●调试或维修时。各个腔盖与箱体的紧固蝶丝不可漏装。
●电动执行器禁止超载使用。
●产品必须内外接地,各紧固件不得松动并应定期检查。
●配线进口必须按照使用说明书要求做好防水电缆接头的密封处理不则水或污水会从进线口进入进
面损坏电动执行器。
●安装调试人员必须具有相关的操作资质。
3、产品结构图
4、防爆零件明细表
|
序号 |
名称 |
数量 |
材料 |
|
1 |
箱体 |
1 |
ADC12 |
|
2 |
电机盖 |
1 |
40Cr |
|
3 |
电机转子轴 |
1 |
40Cr |
|
4 |
侧盖 |
1 |
ADC12 |
|
5 |
后盖 |
1 |
ADC12 |
|
6 |
防水接头 |
2 |
304不锈钢 |
|
7 |
防水镜片 |
1 |
PMMA亚克力 |
|
8 |
镜片压盖 |
1 |
ADC12 |
|
9 |
上盖 |
1 |
ADC12 |
|
10 |
O型密封圈 |
2 |
丁青橡胶 |
5、105系列外形尺寸与性能参数
6、110及116系列外形尺寸与性能参数

7、120及140以及160系列外形尺寸与性能参数

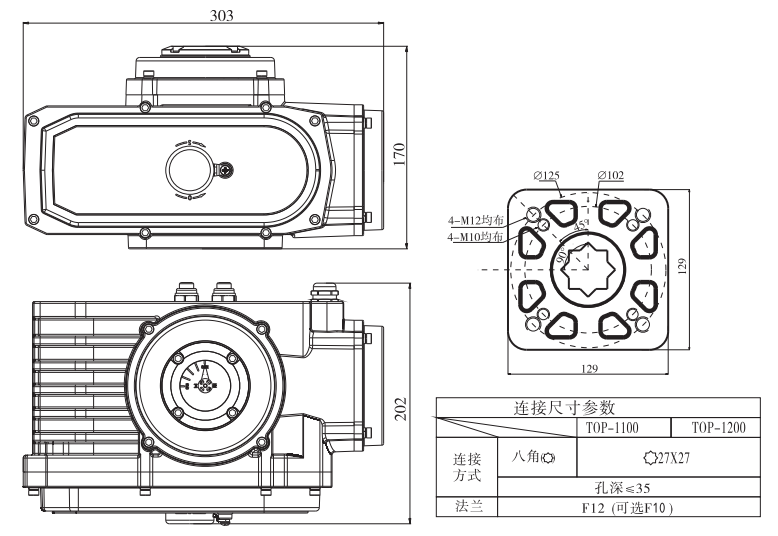
8、1100及1200系列外形尺寸与性能参数

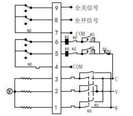
9、电路控制说明
(1)AC220V开关型(标准型)线路图
A型:极限位置开关(标准型)
功能:通过开关电路实现开启、关闭操作、并输出一组有源触点信号
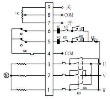
(2)AC220V无源触点线路图
B型:极限位置开关无源触点
功能:通过开关电源实现开启、关闭操作,并输出一组指示阀全开、全关到位的无源触点信号
(3)AC220V开度信号线路图
C型:带电位器
功能:通过开关电路控制阀门开启角度并输出与开度位置对应的电阻信号。
结构:带5000Ω或1000Ω电位器
(4)AC380V标准型线路图
A型:极限位置开关(标准型)
功能:通过开关电路实现开启、关闭操作、并输出一-组有源触点信号
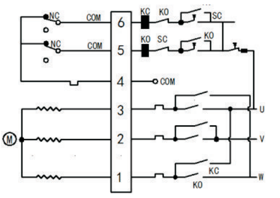
(5)AC380V无源触点线路图

B型:极限位置开关无源触点
功能:通过开关电源实现开启、关闭操作,并输出一组指示阀全开、全闭到位的无源.输出一组指示阀全开、全闭到位的无源触点信号
(6)AC380V开度信号(R)线路图
C型:带电位器
功能:通过开关电路控制阀门开启角度并输出与结构:带500Ω或1000Ω电位器
(7)直流无源触点线路图
D型:直流普通开关型
功能:通过切换外部电源的正负极,实现阀门的开启、关闭操作,并输出一组指示阀全开、全关到位的无源触点信号
(8)整体开关型- -F型
(9)整体调节型- -E型
(10)智能开关型一-MK型
(11)智能调节型- -MT型
备注:接线图详见模块部分说明。
10、使用要求说明

执行机构与阀门的安装(图1)
(1)安装环境要求
●本产品即可在室内安装,也可在室外安装。
●在长期有雨水、原料等飞溅和阳光直射的环境,需要安装保护整台电动执行机构的防护装置。
●请预留接线、手动操作等安装维修空间。
●周边环境温度- 20~-60C范围内。
(2)进线要求
●进线电缆直径≤14mm。
●电源线电缆、信号线电缆应分别从两个防水接头引人电动执行机构,并要求接地,信号线原则上要使用屏蔽线。
(3)接线方法
●如图1所示,旋下防水接头的压紧螺母,将进线电缆从密封胶塞,压紧螺母,防爆接头体内穿入电动执行结构内部。
●根据控制电路图进行接线。
●旋紧压紧螺母,使密封胶塞与电缆接合处不得有间隙。
●进线电缆外径应与防水接头体内孔径相等,禁止使用不合要求的单根电线。
●必须作好执行机构内部和外壳的接触。
●本说明书所述的只是防水电缆接头的一种形式,用户亦可根据需要选用其它符合防水要求的电缆、接头及接线方法。
(4)电源的要求
●根据所订购机型使用电源的类型提供相应的现场供电。
●对于现场的供电电源、电压应符合以下要求:
1、AC380V土10% 50/60Hz
2、AC220V土10% 50/60Hz
3、AC110V土10% 50/60Hz
4、AC24V土10% 50/60Hz
(5)短路开关保险丝的选用
11、执行机构与阀体的安装

执行机构与阀门的安装(图2)
1、手动转动阀门,检查无异常情况,并使阀广]处于全关位置。
2、将支架固定在阀门上。
3、将联轴器的一端套在阀广]芯轴上。
4、用手柄驱动电动执行机构至全关位置(指针正指SHUT、0刻度),将输出轴插人联轴器四方孔内。
5、紧固支架与电动执行机构和阀体间的连接螺栓。
6、用手柄驱动执行机构全程,确认运行平稳、无偏心、无歪斜,检查阀门在执行机构开度指示范围能否实现全关和全开。
注意:用力不可过猛,否则会导致执行机构超程运行而造成损坏。

执行机构与阀门的安装(图3)
特别提示
●对于自备支架、联轴器的用户,请注意:
●支架、联轴器应由专业机构技术人员设计加工并应符合(图3)的标注要求。
●联轴器两端轴孔的加工应保证必要的精度,尽可能消除传动间隙,以免阀门工作中出现回差。
●应严格保证联轴器两端轴孔的位置度,否则有可能超出执行机构设计的工作范围,导致因执行机构行程无法调整而使阀门不能正工作。
12、电动阀门的整机调试
(1)电位限位的调整
用2mm内六角扳手对准限位块调节孔,旋转内六角即可调整行程挡块的角度从而改变电气限位的开闭角度。调整好后移开内六角扳手即可。限位组件上带‘S' 标记位置调节孔对应的是上限位块即关方向,‘O'标记的调节孔对应的是下限位块即开方向。行程开关和行程限位调节组件布局如(图4)所示。
特别提示:出厂产品调试时,“开向信号” 微动开关超前“ 全开位”微动开关2°“关向信号” 微动开关超前“全关位”微动开关2°实际使用时也可根据控制需要进行调整。“ 开向信号”、“ 关向信号”微动开关动作时输出无源触点信号,“全开位”、“ 全关位”微动开关动作时控制阀门的全开和全关位置。( 图5 )

(2)电位器的调整(开度型、智能型)
a.电位器的电阻值为1KΩ、5KΩ。
b.用手柄转动阀门到全闭位置。
c.松开电位器,转动电位器齿轮,用万能表测量4 -5接线端子间的电阻值,使4-5间的电阻值到5Ω以下,紧固电位器固定螺钉。(如果是智能型的七线接插件连接时请测量对RV和RS两插孔的电阻值)
注:手动操作时,不能过分超出全开,全关的极限位置,转角过大,会导致其部件的损坏。
(2)机械限位的调整
a.用手柄转动到全开位置。
b.松开锁紧螺母,旋转调整螺钉,使之与机械挡块解除,然后,反方向旋转螺钉半圈,锁紧螺母。
c.同样方法,可进行全闭位置的机械挡块的调整。(图6)

特别提示:调试完成后,执行器电气限位位置与机械限位位置必须满足(图7)要求,如果机械限位超前或重合于电气限位,将会造成执行机构电机堵转,发热甚至导致电机烧毁.
13、调节型调试
调节型智能定位器是我公司最新研制的高精度电动执行器控制器,能直接接收工业控制系统,工业仪表或计算机控制系统输出的4-20mA DC信号和执行器内部位置反馈信号,对各种电动执行器实现比例调节式控制。该产品操作简单,调试方便,可靠性强,体积小巧,适合直接安装在各种电动执行器接线盒内,是升级执行器的可靠选择。
14.性能特点
●可自适应各种电动执行器,适用的反馈电阻: 500Ω~10KΩ。
●单键自动标定,省却了复杂的初始标定。
●即可接收工业仪表的信号自动定位,亦可手动控制执行器开度,以利现场控制。
●故障自我诊断,自我保护功能。
●系统模式设置采用波动开关,只观、方便,可实现无扰切换。
●可设定执行器无信号状态:开、停、关。
●可输出4~20mA直流信号,并实现与电源,输入信号的完全隔离。
●可方便的调整灵敏度(精度)
15.技术指标
●精度: 0.1%-3%(通过d参数可调);
●控制信号: 4~20mA DC(特殊可制度)
●工作电源: 220V/50Hz AC
●最大驱动电机功率:≤300W
●环境温度: 65C
●温度湿度: 70C
●输出组坑:≤500Ω
●输人组坑: < 250Ω
调节型调试
16.执行机构的调整
在调整智能定位器之前,应清除开关角度的调整方法,根据阀门的全闭、全开调整执行机构的电气限位、电位器和机械限位。
17.定位器面板
|
参数显示 |
13 |
LED视窗 |
通过按键显示阀门实际开度、阀位设定开度、故障代码、定位器、壳内温度和设定参数等信息 |
|
14 |
 |
指示LED视窗当前的显示值是阀位值 |
|
15 |
 |
指示LED视窗当前的显示值是设定值 |
|
16 |
 |
指示LED视窗当前的显示值单位是摄氏度 |
|
17 |
 |
指示LED视窗当前的显示值单位是毫米 |
|
18 |
 |
指示LED视窗当前的显示值单位是百分比 |
|
工作模式 |
19 |
 |
远程控制模式:接收外部信号控制 |
|
20 |
 |
停止控制模式:此功能保留 |
|
21 |
 |
本地控制模式:可以按键操作执行器开与闭 |
|
运行状态 |
22 |
 |
检测到错误同时LED屏显示错误代码,详情参考错误代码表 |
|
23 |
 |
过力矩 |
|
状态指示 |
24 |
 |
反动作模式,对应关系如下:给定信号4mA或OV时,对应执行器实际位置100%,反馈输出为4mA或0V,阀门全开;给定信号20mA或1OV时,对应执行器实际位置0%,区馈输出为20mA或10V,阀门全关。 |
|
25 |
 |
关到位指示 |
|
26 |
 |
开到位指示 |
|
27 |
 |
堵转指示 |
|
28 |
 |
死区指示 |
|
LED指示 |
29 |
PWR |
电源指示灯 |
|
30 |
OPEN |
执行器开运行指示灯 |
|
31 |
CLOSE |
执行器关运行指示灯 |
|
按键 |
31 |
A/M |
远程/本地切换键或参数修改后确认,长按4秒:进入参数修改 |
|
33 |
UP |
数值增加键,自动状态可用于切换显示阀位设定开度值,手动状态下为‘开’ |
|
34 |
DOWN |
数值减少键,自动状态可用于切换显示定位器壳内温度,手动状态下为‘ 闭' |
18.接线方法及图示
●参见图2进行接线。按照接线端子和仪表外壳上的接线图,连接好电动执行器和电源连线,注意连接时的极性,三相电机接线,现场无需关心相序问题;
●为减少电机干扰, 应将电动执行器的电机控制线和信号线分开走线;接上位仪表的电流控制信号线应尽量短些,若必须使用较长的连线时,应采用屏蔽信号线,外屏蔽与控制柜外壳的其中一段妥善接地。
●定位器与电动执行器通过一个六线接插件连接,定位器的100%、RV、0%分别接电动执行器内的反馈电位器的三个端子,其中RV接电位器的滑臂,定位器的0%接执行器关动作时与滑臂之间电阻不断减小一端,定位器的100%则接另一端;SHUT、OPEN、COM分别接执行器的闭、开、COM端子。此分交流电源与直流电源,参照产品实际接线图。
●正确接线结构如下;
置定位器为手动状态,按‘UP’ 键,执行器开向运行,定位器数字增加;
置定位器为手动状态,按'DOWN’ 键,执行器闭向运行,定位器数字减少;
4~2 0mA输入
|
1 |
IN+ |
4-20mA阀控电流输入正 |
|
2 |
IN- |
4-20mA阀控电流输入负 |
|
4 ~20mA输出 |
3 |
OUT+ |
4-20mA阀控电流输出正 |
|
4 |
OUT- |
由20mA阀控电流输出负 |
|
AC220V电源 |
5 |
L |
AC220V电源火线 |
|
6 |
N |
AC220V电源零线 |
|
电机 |
7 |
COM |
执行器公共端子 |
|
8 |
OPEN |
执行器开运行端子 |
|
9 |
CLOSE |
执行器闭运行端子 |
|
电位器 |
10 |
0% |
反馈电位器0% |
|
11 |
RV |
反馈电位器RV |
|
12 |
100% |
反馈电位器100% |
注意:
1、为了减弱执行器启动停止时电流冲击, 一般在“OPEN”、“CLOSE”分别与执行器中的“开”、“闭”间接.上4Ω/5W的水泥电阻。
2、定位器COM、OPEN、SHUT、为有源输出端子,COM、OPEN与COM、SHUT对应输出电压为电源电压。
19.操作指南
KZQ16-9A操作方法
●上电时,面板所有指示灯和数码管闪动两次,定位器开始自检,表示定位器检测正常。
●自检完成后定位器数码管显示阀位实际开度值定位器进人自动测控状态。
●按A/M键可切换到手动状态,分别按“UP”、“DOWN”键,检测执行器应对应为“开”和“闭”运行动作,显示的数字同步增减,否则检查定位器( COM、OPEN、SHUT)与执行器(COM、开、闭)之间接线是否正确。
●在自动测控状态下,按“UP”查看阀位开度设定值,此时可查看输入信号的变化趋势和稳定性。
●在自动测控状态下,按“DOWN”可观察定位器壳内温度,当温度超过80°C时,定位器超温报警。
●长按“A/M”键超过2秒,定位器进人参数设定状态,如超过30秒无按键操作,自动退回到自动或手动状态。
20.零位满位标定
方法一:手动标定法
●自动或者手动状态下按“A/M”键4秒进人P,修改P=3.1后按 “A/M”键,进入uL参数。
●进人到uL参数, 按“UP”或“DOWN”,执行器相应朝“开”或“闭”方向运作,同时显示的阀位实际开度值也相应逐渐变大或变小,当到达期望零位后(如已配阀可以目测阀门开度,一般设在全闭位置),按“AM”键,零位确认,进入uL参数。
●在显示uL参数下同时按“UP”或“DOWN”到期望满位(如已配阀可以目测阀门开度,一般设在全开位置),按“A/M”键,满位确认,返回P。
●修改P=5.0,返回测控状态。
方法二:自动标定法
在手动或自动测控状态下,同时按“UP”和“DOWN”键3秒,即启动自动标定零位和满位程序。标定过程不需人为干预。标定完后,定位器自动储存并返回到启动标定前的状态并自动保存参数。
21.输入电流标定
●自动状态下按“A/M”键4秒进入P,修改P=11.1,按“A/M”键进入“iL”参数。
标定零位输人电流:显示“iL”参数,此时输人零位点信号4mA,待数值显示稳定后,按“AM”键确认
,然后进入“iH”参数。
●标定满位输人电流:显示“iH”参数,此时输入满位点信号20mA,待数值显示稳定后,按“AM”键确认,使P参数=5.0,再次按“A/M”键自动退出并保存参数返回自动测控状态。
注意:
1、出厂后-般不需要此项操作,如需请在工程师指导下使用。
2、仅调节型使用此设置。
3、在输入电流标定时,需有4~20mA输出能力的信号源。
22.输出电流标定
●自动或手动状态下按“A/M”键4秒进入P,修改P=1.1,按“AM”键进入“oL”参数。
●标定零位输出电流:显示“oL”参数,按“UP”或“DOWN”可以修改“oL”的数值,使输出电流=4mA按“A/M”键确认,然后进入“oH”参数。
●标定满位输出电流:显示“oH”参数,按“UP”或“DOWN”可以修改“oL”的数值,使输出电流=20mA,按“A/M” 键确认,然后进入电机报警温度“T”参数设定。
●电机温度报警设置:进入“T”参数(壳内报警温度),按“UP”或“DOWN”可以修改“T”的数值一般设置“T”=70-80度,按“A/M”键确认后,使P参数=5.0,再次按“A/M”键自动退出并保存参数返回自动测控状态。
注意:
1、出厂后一般不需要此项操作,如需请在工程师指导下使用。
2、在输出电流标定时,需有4~20mA输入量程的电流表。
23.恢复出厂设置
按照操作流程进人P,将P修改=20.1,按“AM”键恢复标定前的数据,然后模块将自动进人自动标定零满位,标定完成后自动保存退出。
24.附录1-简单操作流程
25.附录2-错误代码表
|
错误代码 |
含义 |
解决方案 |
|
Erl |
模块未标定输入输出 |
标定P-11.1与5P-1.1,并保存退出 |
|
Er2 |
机内超温报警 |
设备或机内温度过高,采取降温措施 |
|
Er3 |
开向运行堵转 |
检查阀广]或执行器机械部分 |
|
Er4 |
闭向运行堵转 |
检查阀门或执行器机械部分 |
|
Er5 |
电机驱动过载 |
厂家保留 |
|
Er6 |
给定电流过小 |
“iL”值,增大给定信号到4mA |
|
Er7 |
给定电流过大 |
“iH”值,减小给定信号到20mA |
|
Er8 |
阀位小于下限 |
检查“cL”值至0.00% |
|
Er9 |
阀位大于上限 |
检查“cH”值至100.0% . |
|
Er10 |
零满行程差过小口 |
运行行程差值过小,重新标定阀门零满位 |
|
Er15 |
电机或者电位器未接好,上下行同时堵转 |
检查电机接线及电位器接线是否松脱 |
26.使用与维护
1、维护与保养
●由于使用了寿命长、耐压性好的高级钼基润滑脂,所以无需点检与加油。
●在阀门]的动作很稀少时,请定期驱动执行机构,检查有无异常。
●产品应用时遵守GB3836.13-1999、GB3836.15-2000、GB3836.16- -2006和GB50257-
1996的有关规定。
27.故障与对策
|
故障现象 |
原因 |
对策 |
|
电机不启动 |
没有接上电源 |
接好电源 |
|
断线、接头与端子脱离 |
修理断线,正确连接紧固端子 |
|
电源电压不对或电压过低 |
检查电压是否正常 |
|
过热保护器动作(环境温度是否过高,阀门是否卡死) |
降低环境温度,用手动的方法检查阀门的开闭是否正常 |
|
微动开关的动作不良 |
更换微动开关 |
|
启动运行电容不良 |
与生产厂家联系更换电容 |
|
开闭指示灯不亮 |
指示灯坏 |
更换指示灯 |
|
微动开关动作不良 |
更换微动开关 |
|
运行到极限位置电机不能停转 |
极限微动开关动作不良 |
更换微动开关 |
|
三相交流电源相序接反 |
调整三相交流电源相序 |
|
微动开关接人控制回路错误 |
调整接线 |
|
机械限位超前电气限位动作 |
按照机械限位挡块的调整说明,重新调整机械限位 |
|
伺服控制器调试不当 |
根据说明书重新调试 |