电动三通球阀工作流向原理(图)
Writer: admin Time:2020-06-11 17:37 Browse:℃
电动三通球阀流向原理说明:
电动三通球阀根据流向切换要求一般分为L型结构和T型结构,介质流通方向可切换为多种形式。
L型电动三通球阀适用于介质流向的切换,能使相互垂直的两个通道相互连通,T型电动三通球阀适用于介质的分流、合流或流向切换。
T型三通球阀可以使三个通道互相连通或使其中两个通道连通,起分流或合流作用,电动三通球阀一般采用两个阀座结构,亦可根据用户要求采用四阀座结构。

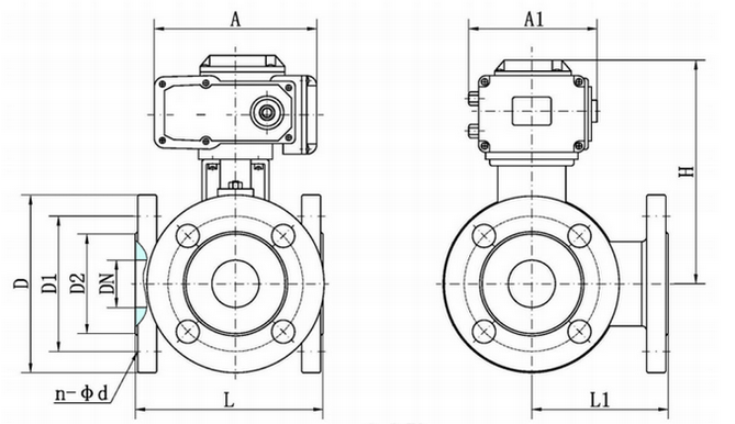
电动法兰三通球阀(图)
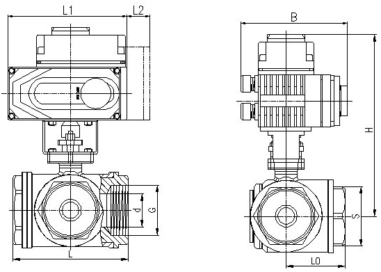
电动内螺纹三通球阀(图)
1,电动三通球阀兼备开关切断和智能比例式调节功能,不仅可截断流体,也可以对压力,流量及温度等参数进行调整。
2,可用功能多,既能分配也能换向,适用于液休、气体、蒸汽等介质的配比调节与控制。
3,可用范围广,一阀多用,任一通口可用作入口而无泄漏,三通既可制成L型通口,也可制成T型通口。
4,可分为电动法兰三通球阀和电动内螺纹三通球阀,满足不同工况里管道的连接。
电动三通球阀技术参数:
|
公称通径 |
DN15~DN200(mm) |
|
公称压力 |
PN1.6、2.5、4.0、6.4MPa |
|
连接形式 |
法兰式、螺纹连接 |
|
阀芯形式 |
O型球型阀芯 |
|
驱动方式 |
电动控制(可带手动手轮) |
|
结构形式 |
三通L型、三通T型 |
|
电源电压 |
AC220V、AC380V(其他定制DC24等) |
|
阀体材质 |
碳钢WCB、不锈钢304、316、316L |
|
球芯材质 |
碳钢WCB、不锈钢304、316、316L |
|
可调范围 |
15-60秒(可定制) |
|
适用温度 |
-40℃~450℃ |
|
执行机构 |
开关型(开关两位模式)、智能调节(4~20mA模拟量信号控制)、可选防爆系列型 |
电动三通球阀是一种可对三条管路介质进行换向、分流或合流的三通切换型调节球阀,一般有法兰或内螺纹连接方式,根据不同流向切换要求球芯可设计为L型和T型结构,从而实现对管道中流体各种不同组合的控制形式。电动三通球阀不仅能对两条相互垂直的通道进行切换或截断,也能关闭任一通道,使另外两个通道连通,灵活控制管路中介质的合流或分流。选用不同功能的执行装置,可满足不同工况的使用要求,广泛用于电力、环保、供水、蒸汽、机械设备等工业系统中作两位切断或比例式调节使用。