Writer: admin Time:2020-06-02 10:58 Browse:℃

| 公称通径 | DN50~DN1200(mm) |
| 压力等级 | PN0.6、1.0、1.6MPa |
| 连接方式 | 对夹式、法兰连接 |
| 驱动方式 | 气动控制(气源驱动,压缩空气) |
| 适用温度 | 各种橡胶:-20℃~150℃ |
| 泄露量 | 符合标准(可达零泄露) |
| 密封结构 | 半衬胶密封、全衬胶密封 |
| 工作场合 | 水、气体、油品及弱腐蚀性流体等(常温常压场合) |
| 控制方式 | 开关两位模式(气开气关),调节型(4~20mA模拟量信号控制) |
|
气动衬胶蝶阀标准规范:
设计制造标准:GB/T 12238-2008
结构长度标准:GB/T 12221-2005
连接法兰标准:GB/T 9113
压力温度等级:GB/T 12224-2005
试验检验标准:GB/T 13927-2008
气动衬胶蝶阀零件材料: |
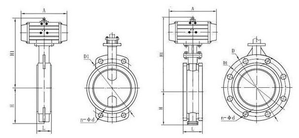
![]() 气动衬胶蝶阀(对夹式) 气动衬胶蝶阀(法兰式) |
| 公称通径 | DN(mm) | 50~1200 | ||
| 公称压力 | PN(MPa) | 0.6 | 1.0 | 1.6 |
| 试验压力 | 强度试验 | 0.9 | 1.5 | 2.4 |
| 密封试验 | 0.66 | 1.1 | 1.76 | |
| 气密封试验 | 0.6 | 0.6 | 0.6 | |
| 作用形式 | 双作用(气开气关)、单作用(常闭、常开) | |||
| 可选附件 | 定位器、电磁阀、空气过滤减压器、保位阀、行程开关、阀位传送器、手轮机构等 | |||
QQ: 769693943
Phone: 13816746668
Tel: 021-31001158
Email: 769693943
Add: 上海市金山区沪杭公路4169号