Writer: admin Time:2020-06-01 09:36 Browse:℃

| 公称通径 | DN50~DN1200(mm) |
| 压力等级 | PN0.6、1.0、1.6MPa |
| 连接方式 | 对夹式、法兰连接 |
| 驱动方式 | 气动控制,压缩空气4-7bar,可带手动装置 |
| 适用温度 | 聚四氟乙烯PTFE:-20℃~180℃ |
| 泄露量 | 符合标准(可达零泄露) |
| 密封结构 | 半衬氟密封、全衬氟密封 |
| 工作场合 | 弱腐蚀性流体及强酸介质等(常温常压、常温低压场合) |
| 附件选项 | 定位器、电磁阀、空气过滤减压器、保位阀、行程开关、阀位传送器、手轮机构等 |
| 控制方式 | 开关切断(开关两位控制)、调节型(定位器4~20mA模拟量信号) |
|
气动衬氟蝶阀材料及温度(℃):
1、聚全氟乙烯FEP (F46):-85~150
2、四氟乙烯-乙烯ETFE(F40):-80--220
3、可溶性四氟PFA( FA):-70~200
4、聚四氟乙烯PTFE(F4):-200~180
5、聚偏二氟乙烯PVDF(F2):-70~100
6、改性聚乙烯FRPE(PO):-58~80
不同材料适用于不同温度和不同介质
|
![]()
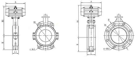
气动对夹式衬氟蝶阀结构图 气动法兰衬氟蝶阀结构图
|
| 公称通径 | DN(mm) | 50~1200 | ||
| 公称压力 | PN(MPa) | 0.6 | 1.0 | 1.6 |
| 试验压力 | 强度试验 | 0.9 | 1.5 | 2.4 |
| 密封试验 | 0.66 | 1.1 | 1.76 | |
| 气密封试验 | 0.6 | 0.6 | 0.6 | |
| 作用形式 | 双作用、单作用常闭、单作用常开 | |||
| 可选功能 | 电气部分可选防爆,可带手轮机构 | |||
QQ: 769693943
Phone: 13816746668
Tel: 021-31001158
Email: 769693943
Add: 上海市金山区沪杭公路4169号