Writer: admin Time:2020-05-30 14:46 Browse:℃


|
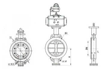
气动对夹式蝶阀附件选项:
回讯器:也叫限位开关,远程反馈开关信号
电磁阀:双作用选二位五通、单作用选二位三通
三联件:可对气源稳压、过滤、气缸加润滑油 YT-200
手轮机构:可配手轮机构,应急时实现手动开、关阀
阀门定位器:输入4~20mA信号,实现阀门调节功能
低压气密试验:0.5~0.7
强度试验:0.9 1.5 2.4 3.75
密封试验:0.66 1.1 1.76 2.75
|
![]() |
| 公称通径 | DN25~DN800(mm) |
| 公称压力 | PN0.6、1.0、1.6、2.5MPa |
| 驱动方式 | 气源驱动,压缩空气5~7bar(可带手轮) |
| 连接形式 | 对夹式连接 |
| 密封材料 | 软密封(橡胶、PTFE、PPL)、硬密封 |
| 使用温度 | 软密封≤180℃,金属密封≤550℃ |
| 可选配件 | 限位开关、定位器、电磁阀、减压阀 |
| 适用介质 | 污水、水、蒸气、油品、腐蚀性介质等 |
| 作用形式 | 单作用(气开、气关式)、双作用(调节控制型4~20mA) |
QQ: 769693943
Phone: 13816746668
Tel: 021-31001158
Email: 769693943
Add: 上海市金山区沪杭公路4169号