Writer: admin Time:2020-05-30 11:44 Browse:℃

| 公称通径 | DN50~DN1200(mm) |
| 压力等级 | PN1.0、1.6、2.5、6.4MPa |
| 连接方式 | 法兰、对夹式连接 |
| 密封形式 | 软密封或金属硬密封 |
| 驱动方式 | 气源驱动,压缩空气4~7bar(可带手轮) |
| 动作范围 | 0~90° |
| 阀体材质 | 碳钢、不锈钢304、不锈钢316 |
| 工作场合 | 水、蒸气、油品、酸类腐蚀性等(高温场合) |
| 温度范围 | 软密封:-29℃~180℃ 硬密封:-40℃~550℃ |
| 控制方式 | 装配阀门定位器,智能调节型(4~20mA模拟量信号) |
|
设计标准:GB/T2238-1989
结构长度:GB/T12221-1989
压力试验:GB/T13927-2000;JB/T9092-1999
法兰连接尺寸:GB/T9113.1-2000;GB/T9115.1-2000;
可调范围R:50:1
使用次数:100万次
回差:带定位器:小于全行程的2%
基本误差:带定位器:小于全行程的±2%
泄露量l/h:符合ANSI B16.104 IV级标准
|
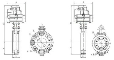
![]() 气动调节蝶阀(法兰式) 气动调节蝶阀(对夹式) |
| 执行机构 | GT、AT、AW系列单双作用气动执行器 |
| 供气压力 | 0.5~0.7MPa |
| 气源接口 | G1/4"、G1/8"、G3/8"、G1/2" |
| 环境温度 | -30~+70℃ |
| 作用形式 | 双作用执行机构:气关式(B)--失气时阀位保持(FL);气开式(K)-- 失气时阀位保持(FL) |
| 可选附件 | 定位器、电磁阀、空气过滤减压器、保位阀、行程开关、阀位传送器、手轮机构等 |
QQ: 769693943
Phone: 13816746668
Tel: 021-31001158
Email: 769693943
Add: 上海市金山区沪杭公路4169号