锻钢三通球阀产品概述
锻钢三通球阀是一种阀体、阀盖、阀杆和球体等全采用具有均匀致密的内部组织的锻件材料加工而成,适用于管道内的中、高压管流体方向切换的三通球阀。其按阀芯通道结构形式的不同,通常分为L型、T型和T型三种。其中L型阀芯是连通了两个垂直交叉成90°方向的流体通道,形状呈L型,T型球芯基于L型阀芯上,但是其中一条的流体通道完全打通,可以同时连接三个流体通道,形状呈T型,而Y型则主要安装在Y形管路中,用于改变介质流通的方向,实现对两种不同流向的切换,它根据球体流道角度的不同又分为120°和135°两种。本产品主体部件均为锻钢加工成形,避免了铸钢件可能出现的砂孔、裂纹、气孔、缩结、缩孔和严重偏析等缺陷,同时保证了壳体内在组织结构的严密性,提高了产品的密封性能。
锻钢三通球阀部件材料
序号 | 部件名称 | 材料名称 | ||||
1 | 阀 体 | A105 | A182 F304 | A182 F304L | A182 F316 | A182 F316L |
2 | 阀 盖 | A105 | A182 F304 | A182 F304L | A182 F316 | A182 F316L |
3 | 阀 座 | RPTFE、PTFE、TEFLON、NYLON、PPL、PEEK、DEVLON、不锈钢+硬质合金 | ||||
4 | 阀 杆 | A182 F304 | A182 F304 | A182 F304L | A182 F316 | A182 F316L |
5 | 球 体 | A182 F304 | A182 F304 | A182 F304L | A182 F316 | A182 F316L |
6 | 填 料 | 柔性石墨环、V形聚四氟乙烯、特氟隆、碳纤维编织 | ||||
7 | 螺 柱 | A193 B8M | A193 B8M | A193 B8M | A193 B8M | A193 B8M |
8 | 螺 母 | A194 8M | A194 8M | A194 8M | A194 8M | A194 8M |
锻钢三通球阀性能规范
公称压力PN(MPa) | 1.6 | 2.5 | 4.0 | 2.0 | 5.0 |
壳体试验压力(MPa) | 2.4 | 3.75 | 6.0 | 3.0 | 7.5 |
高压液密封试验压力(MPa) | 1.76 | 2.75 | 4.4 | 2.2 | 5.5 |
低压气密封试验压力(MPa) | 0.6 | 0.6 | 0.6 | 0.6 | 0.6 |
设计制造 | GB/T 12237、GB/T 21385、API 6D、API 608、ASME B16.34 | ||||
结构长度 | 按本厂标准Q/CB的规定或订货合同要求 | ||||
连接法兰 | JB/T 79、GB/T 9113、HG/T 20592、HG/T 20615、SH/T 3406、ASME B16.5 | ||||
检验试验 | JB/T 9092、GB/T 26480、API 6D、API 598 | ||||
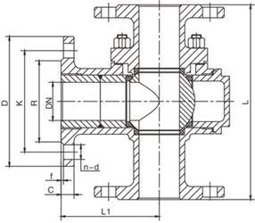
锻钢三通球阀外形尺寸
公称压力 PN(MPa) | 公称尺寸 DN(mm) | 尺寸(mm) | ||||||
L | L1 | D | K | R | C-f | n-d | ||
0.6~2.5 (Class150)2.0 | 25 | 180 | 90 | 115 | 85 | 68 | 18-2 | 4-ø14 |
32 | 200 | 100 | 140 | 100 | 78 | 18-2 | 4-ø18 | |
40 | 220 | 110 | 150 | 110 | 88 | 18-2 | 4-ø18 | |
50 | 240 | 120 | 165 | 125 | 102 | 18-2 | 4-ø18 | |
65 | 260 | 130 | 185 | 145 | 122 | 18-2 | 4-ø18 | |
80 | 280 | 140 | 200 | 160 | 138 | 20-2 | 8-ø18 | |
100 | 320 | 160 | 220 | 180 | 158 | 20-2 | 8-ø18 | |
125 | 380 | 190 | 250 | 210 | 188 | 22-2 | 8-ø18 | |
150 | 440 | 220 | 285 | 240 | 212 | 22-2 | 8-ø23 | |
200 | 550 | 275 | 340 | 295 | 268 | 24-2 | 12-ø23 | |
250 | 670 | 335 | 405 | 355 | 320 | 26-2 | 12-ø25 | |
300 | 720/850 | 425 | 460 | 410 | 378 | 28-2 | 12-ø25 | |
注:以上为HG/T 20592-2009标准PN16整体钢制管法兰尺寸。如需其他尺寸,请来电咨询! | ||||||||
锻钢三通球阀结构图

如果你需订购我厂锻钢球阀产品,咨询时烦请注明产品型号,如无法提供型号数据,请说明公称尺寸、公称压力、阀体和内件材质、使用介质、工作温度、端部连接形式等。本产品操作方式可选用手柄、蜗轮传动、电动、气动、液动、气液联动等,还可以与远程控制自动化配套使用。