电动对夹V型球阀产品概述
VQ977H、VQ977Y电动对夹V型球阀是由对夹连接V型球阀与电动执行机构配套使用,并可实现对工艺管路中流体介质的比例调节和二位开关控制。其电装可按客户要求选配户外型、防爆型、整体户外型、整体防爆型、整体调节型、整体防爆调节型等,配备有输入控制信号(4-20mADC或1-5ADC)及单相电源即可控制阀门运转。该阀的阀芯上开有V型切口,与硬密封阀座相对转动产生剪切力,可将纤维切断,防止卡死。我厂生产的电动对夹V型球阀可实现对流量、液位等参数的调节,具有调节精度高,可调比大,密封性好,重量轻等特点,特适用于泥浆和含有纤维性以及含微小固体颗粒的悬浮物介质的调节。本产品广泛应用于石油、化工、造纸、化纤、电力、冶金、制糖及环保等行业的工业过程自动控制系统中。
电动对夹V型球阀部件材料
序号 | 部件名称 | 材料名称 | ||||
1 | 阀 体 | WCB | CF8 | CF3 | CF8M | CF3M |
2 | 阀 芯 | WCB | CF8 | CF3 | CF8M | CF3M |
3 | 阀 杆 | 2Cr13 | 304 | 304L | 316 | 316L |
4 | 阀 座 | RPTFE、PTFE、TEFLON、NYLON、PPL、PEEK、DEVLON、不锈钢+表面硬化处理 | ||||
5 | 压 圈 | WCB | CF8 | CF3 | CF8M | CF3M |
6 | 下 端 盖 | WCB | CF8 | CF3 | CF8M | CF3M |
7 | 填料压盖 | WCB | CF8 | CF3 | CF8M | CF3M |
8 | 填 料 | 柔性石墨环、V形聚四氟乙烯、碳纤维编织 | ||||
9 | 螺 柱 | 35CrMoA | 304 | 304 | 316 | 316 |
10 | 螺 母 | 45 | 304 | 304 | 316 | 316 |
11 | 电 装 | 组合件 | 组合件 | 组合件 | 组合件 | 组合件 |
电动对夹V型球阀性能规范
公称压力PN(MPa) | 1.6 | 2.5 | 4.0 | 2.0 | 5.0 |
壳体试验压力(MPa) | 2.4 | 3.75 | 6.0 | 3.0 | 7.5 |
高压液密封试验压力(MPa) | 1.76 | 2.75 | 4.4 | 2.2 | 5.5 |
低压气密封试验压力(MPa) | 0.6 | 0.6 | 0.6 | 0.6 | 0.6 |
设计制造 | JB/T 13517、GB/T 12237、API 608、ASME B16.34 | ||||
结构长度 | JB/T 13517、GB/T 12221、ASME B16.10 | ||||
法兰标准 | JB/T 79、GB/T 9113、HG/T 20592、HG/T 20615、SH/T 3406、ASME B16.5等 | ||||
检验试验 | GB/T 26480、JB/T 9092、GB/T 13927、API 598 | ||||
控制方式 | 开关型(开关两位控制)、调节型(4~20mA控制) | ||||
电源电压 | 220VAC或380V | ||||
流量特性 | 近似等百分比 | ||||
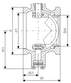
电动对夹V型球阀外型尺寸
公称压力 PN(MPa) | 公称通径 DN(mm) | 尺寸(mm) | ||||
W | W1 | H1 | d | d1 | ||
1.6~2.5 | 25 | 50 | 25 | 57 | 64 | 38 |
40 | 60 | 25 | 63 | 82 | 49 | |
50 | 75 | 32 | 92 | 100 | 60 | |
65 | 85 | 38 | 100 | 120 | 75 | |
80 | 100 | 45 | 108 | 131 | 89 | |
100 | 115 | 50 | 117 | 158 | 113 | |
125 | 135 | 55 | 140 | 180 | 140 | |
150 | 160 | 65 | 177 | 216 | 164 | |
200 | 200 | 80 | 200 | 268 | 205 | |
250 | 240 | 92 | 252 | 326 | 259 | |
电动对夹V型球阀结构图

如果你需订购我厂V型球阀产品,咨询时烦请注明产品型号,如无法提供型号数据,请说明公称尺寸、公称压力、阀体和内件材质、工作介质、介质温度范围、电动执行器类型及电源电压等。