不锈钢偏心半球阀产品概述
不锈钢偏心半球阀阀体、压圈、半球体、阀轴等主要零部件采用CF8、CF3、CF8M、CF3M、310S或316Ti等不锈钢铸件毛坯加工而成,其半球体回转中心与阀体通道轴线和阀芯密封面的几何中心都有偏置,并通过蜗轮、气动、电动或液动等执行机构驱动阀轴旋转90°从而带动半球体位移来实现阀门的启闭动作,以起到对介质的接通、调节和截断的作用。该阀特适合酸、碱、盐等腐蚀性介质的输送,其中310S偏心半球阀具有很好的抗氧化、耐腐蚀和耐热性能,特别适合用在工作温度1000℃以下环境的工况中。本产品的端部连接形式为法兰或焊接,法兰可以很方便的与设备或管道进行连接,而焊接连接密封严禁,输送有毒、有害气体可以达到零泄漏。
不锈钢偏心半球阀部件材料
序号 | 部件名称 | 材料名称 | |||||
1 | 阀 体 | CF8 | CF3 | CF8M | CF3M | 310S | 316Ti |
2 | 半 球 体 | CF8 | CF3 | CF8M | CF3M | 310S | 316Ti |
3 | 阀 轴 | 304 | 304L | 316 | 316L | 310S | 316Ti |
4 | 阀 座 | RPTFE、PTFE、TEFLON、NYLON、PPL、PEEK、DEVLON、不锈钢+表面硬化处理 | |||||
5 | 压 圈 | CF8 | CF3 | CF8M | CF3M | 310S | 316Ti |
6 | 下 端 盖 | CF8 | CF3 | CF8M | CF3M | 310S | 316Ti |
7 | 填料压板 | CF8 | CF3 | CF8M | CF3M | 310S | 316Ti |
8 | 填 料 | 柔性石墨环、V形聚四氟乙烯、碳纤维编织 | |||||
9 | 螺 柱 | 304 | 304 | 316 | 316 | 316 | 316 |
10 | 螺 母 | 304 | 304 | 316 | 316 | 316 | 316 |
11 | 驱动装置 | 组合件 | 组合件 | 组合件 | 组合件 | 组合件 | 组合件 |
不锈钢偏心半球阀性能规范
公称压力PN(MPa) | 1.0 | 1.6 | 2.5 | 4.0 | 2.0 | 5.0 |
壳体试验压力(MPa) | 1.5 | 2.4 | 3.75 | 6.0 | 3.0 | 7.5 |
高压液密封试验压力(MPa) | 1.1 | 1.76 | 2.75 | 4.4 | 2.2 | 5.5 |
低压气密封试验压力(MPa) | 0.6 | 0.6 | 0.6 | 0.6 | 0.6 | 0.6 |
设计制造 | GB/T 26146、CJ/T 283、API 608、ASME B16.34 | |||||
结构长度 | GB/T 26146、CJ/T 283、ASME B16.10 | |||||
法兰标准 | JB/T 79、GB/T 9113、HG/T 20592、HG/T 20615、SH/T 3406、ASME B16.5等 | |||||
检验试验 | GB/T 26480、JB/T 9092、GB/T 13927、API 598 | |||||
不锈钢偏心半球阀外形尺寸
公称压力 PN(MPa) | 公称通径 DN(mm) | 系列I尺寸(mm) | 系列II尺寸(mm) | ||||
L | H | H1 | L | H | H1 | ||
0.25 ~ 2.5 (Class150) 2.0 | 50 | 178 | — | — | 178 | — | — |
65 | 190 | — | — | 190 | — | — | |
80 | 203 | — | — | 203 | — | — | |
100 | 229 | — | — | 229 | — | — | |
125 | 254 | — | — | 254 | — | — | |
150 | 267 | — | — | 267 | — | — | |
200 | 292 | — | — | 292 | — | — | |
250 | 330 | — | — | 330 | — | — | |
300 | 356 | — | — | 502 | — | — | |
350 | 430 | — | — | 575 | — | — | |
400 | 530 | — | — | 610 | — | — | |
450 | 580 | — | — | 660 | — | — | |
500 | 630 | — | — | 711 | — | — | |
600 | 787 | — | — | 787 | — | — | |
700 | 900 | — | — | 900 | — | — | |
800 | 1000 | — | — | 1000 | — | — | |
900 | 1100 | — | — | 1100 | — | — | |
1000 | 1200 | — | — | 1200 | — | — | |
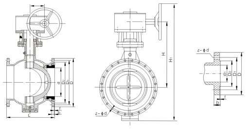
不锈钢偏心半球阀结构图

如果你需订购我厂偏心半球阀产品,咨询时烦请注明产品型号,如无法提供型号数据,请说明公称通径、公称压力、不锈钢材质牌号、使用介质、介质温度及执行器机构类型等。