021-31001158  mmvalves@126.com

技术新闻

电动衬氟蝶阀工作原理(图)

Writer: admin Time:2020-05-30 09:42 Browse:

电动衬氟蝶阀工作原理:
 
电动衬氟蝶阀是由电动执行器和法兰或对夹式衬氟蝶阀组成,通过电动执行器驱动蝶阀旋转90度来开关阀门,蝶阀阀座与密封面衬有氟塑料,具有零泄露、寿命长及超强的耐腐蚀性和耐磨性等优点。电动衬氟蝶阀根据不同工况条件选择不同的衬里阀体,分为全衬氟蝶阀和半衬氟蝶阀,控制方式有开关切断型和智能调节型。电动衬氟蝶阀具有严密的密封性能,且不仅有普通蝶阀的机械强度,又能发挥PTFE的耐腐蚀、耐酸碱的化学特性,在一般常规条件下的工况中,比不锈钢阀体的蝶阀具有更高的性价比。
 
电动衬氟蝶阀是在会与介质接触的过流部件(碟板,阀体内壁)衬上一层较厚的氟塑料高分子材料,所以也被称之为电动衬塑蝶阀,适用于各种不同工业管路中液体和气体(包括蒸气)的输送,特别是具有严重腐蚀性、冲刷、磨砺介质的使用场合,如:硫酸、氢氟酸、磷酸、氯气、强碱、王水等具有强腐蚀性的介质,但不适用于有颗粒和温度偏高的工艺介质中。
 
电动衬氟蝶阀技术参数:

公称通径 DN50~DN1200 (mm)
公称压力 PN0.6、1.0、1.6MPa
连接形式 对夹式、法兰式
驱动方式 电动控制AC220V AC380V(可带手轮)
控制方式 智能调节型(4-20mA)或开关动作模式
动作范围 0~90°
泄露量 按GB/T4213-92,为Kv值的10-4,软密封:零泄漏
阀体材质 碳钢WCB,不锈钢304,不锈钢316,316L
密封圈 增强聚四氟乙烯PTFE
适用介质 弱腐蚀性流体以及强酸、强碱、王水等任意具有强腐蚀性的介质

电动衬氟蝶阀适用温度(℃):

1、聚全氟乙烯FEP (F46):-85~150
2、四氟乙烯-乙烯ETFE(F40):-80--220
3、可溶性四氟PFA( FA):-70~200
4、聚四氟乙烯PTFE(F4):-200~180
5、聚偏二氟乙烯PVDF(F2):-70~100
6、改性聚乙烯FRPE(PO):-58~80

不同材料适用于不同温度和不同介质
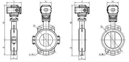
电动衬氟蝶阀结构图
电动衬氟蝶阀(全衬氟) 电动衬氟蝶阀(半衬氟)
 
电动衬氟蝶阀特点
1、阀体有不锈钢及其它材质阀体可选,且重量轻,电动开关速度迅速;
2、电动防腐蝶阀密封材料适用寿命长,具有耐老化、耐腐蚀、耐冲刷等特点;
3、可在任何位置安装,维修方便,法兰对夹孔连接适用多种标准;
4、电动耐腐蚀蝶阀密封件可以更换,密封性能可靠,能够达到双向密封零泄漏。
5、电动防腐蝶阀适用于化学介质,阀板上下中孔处,采用球型摩擦面设计,扭矩力更小,密封性能极佳。
  • 阀门型号:D971F46,D941F46
  • 通径规格:DN50~DN1200
  • 结构形式:中线型(对夹式,法兰)
  • 阀体材质:铸钢WCB、不锈钢304、不锈钢316
  • 公称压力:PN6、PN10、PN16
  • 适用温度:-20℃~180℃
  • 应用范围:腐蚀性流体及强酸强碱介质等
  • 产品特点:密封性能好,具有超强的耐腐蚀性和耐磨性
电动衬氟蝶阀性能规范:

公称通径 DN(mm) 50~1200
公称压力 PN(MPa) 0.6 1.0 1.6
试验压力 强度试验 0.9 1.5 2.4
密封试验 0.66 1.1 1.76
气密封试验 0.6 0.6 0.6
适用温度 ≤180℃
适用介质 任何具有腐蚀性的介质

电磁阀相关产品