保温篮式过滤器产品概述
保温篮式过滤器是我厂针对某些物料过滤时需对其保持相应的温度才能获得较好的流动性能而设计,其在普通篮式过滤器的壳体上焊装金属夹套,并在它们之间形成的流道里注入蒸汽或热油等,以对整个壳体流动加热,避免物料凝固或结晶,从而保障粘性液体的输送速度,或满足下一道工序对温度的要求。本产品主要应用在石油、化工、沥青、冶金、制药、食品等工业管路系统中,用于分离介质流中夹带的杂物。
保温篮式过滤器采用在外壳上再设置保温夹套的双层结构设计,并在其不同的侧面焊接有一个或两个保温加热流体的入口和出口,通过它可以向中间层流通蒸汽或热油,从而能对壳体进行均匀地流动加热,使过滤易于进行。其夹套层选用碳素钢或不锈钢板焊接,比铸造的越发耐压牢靠。本产品具有较好的保温特性,又能有效地减少管路中介质热量损失,所以特适合过滤低温环境下或常温下会凝固的高粘度物料。
保温篮式过滤器部件材料
序号 | 部件名称 | 材料名称 | |||||
1 | 筒 体 | 20# | 1Cr5Mo | 15CrMo | 304 | 316 | 316L |
2 | 接 管 | 20# | 1Cr5Mo | 15CrMo | 304 | 316 | 316L |
3 | 法 兰 | A105 | 1Cr5Mo | 15CrMo | 304 | 316 | 316L |
4 | 法 兰 盖 | Q235B | 1Cr5Mo | 15CrMo | 304 | 316 | 316L |
5 | 过 滤 篮 | 304 | 304 | 304 | 304 | 316 | 316L |
6 | 螺 栓 | 35CrMoA | 35CrMoA | 35CrMoA | 304 | 316 | 316 |
7 | 螺 母 | 30CrMo | 30CrMo | 30CrMo | 304 | 316 | 316 |
8 | 保温夹套 | Q235B | 1Cr5Mo | 15CrMo | 304 | 304 | 304 |
9 | 排污丝堵 | 304 | 304 | 304 | 304 | 316 | 316L |
10 | 放空螺塞 | 304 | 304 | 304 | 304 | 316 | 316L |
保温篮式过滤器技术规范
公称压力PN(MPa) | 1.0 | 1.6 | 2.5 | 4.0 | 2.0 | 5.0 |
壳体强度试验压力(MPa) | 1.5 | 2.4 | 3.75 | 6.0 | 3.0 | 7.5 |
高压液密封试验压力(MPa) | 1.1 | 1.76 | 2.75 | 4.4 | 2.2 | 5.5 |
低压气密封试验压力(MPa) | 0.6 | 0.6 | 0.6 | 0.6 | 0.6 | 0.6 |
设计制造 | SH/T 3411-1999石油化工泵用过滤器选用、检验及验收 | |||||
法兰尺寸 | JB/T 81~82、GB/T 9115~9119、HG/T 20592、HG/T 20615、SH/T 3406、ASME B16.5等 | |||||
检验验收 | SH/T 3411-1999石油化工泵用过滤器选用、检验及验收 | |||||
压力试验 | JB/T 9092、GB/T 13927、API 598 | |||||
过滤精度 | 10目-500目 | |||||
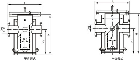
保温篮式过滤器外型尺寸
公称压力 PN | 公称直径 DN | 尺寸(mm) | 全夹套式 A×B(mm) | ||||
L | H | H1 | D | Φd | |||
10 ~ 40 (Class150)20 (Class300)50 | 15 | 215 | 350 | 180 | 108 | 60 | 15×40 |
20 | 215 | 350 | 180 | 108 | 60 | 20×40 | |
25 | 215 | 350 | 180 | 108 | 60 | 25×50 | |
32 | 235 | 360 | 180 | 108 | 60 | 32×50 | |
40 | 300 | 430 | 210 | 159 | 60 | 40×80 | |
50 | 300 | 430 | 210 | 159 | 60 | 50×80 | |
65 | 450 | 490 | 250 | 159 | 100 | 65×100 | |
80 | 460 | 530 | 290 | 273 | 100 | 80×125 | |
100 | 500 | 600 | 345 | 325 | 140 | 100×150 | |
125 | 580 | 700 | 410 | 377 | 170 | 125×200 | |
150 | 600 | 780 | 470 | 377 | 200 | 150×200 | |
200 | 660 | 930 | 580 | 426 | 250 | 200×250 | |
注:全保温夹套式的规格以A×B表示:A表示法兰内径的公称尺寸,B表示法兰其他尺寸的公称尺寸。 | |||||||
保温篮式过滤器结构图

本产品有半夹套式和全夹套式两种,全夹套式的规格以A×B表示:A表示法兰内径的公称尺寸,B表示法兰其他尺寸的公称尺寸,如有其他技术要求,请在合同中详细说明。如果你需订购我厂篮式过滤器产品,咨询时烦请提供型号数据,公称通径、公称压力、筒体和滤篮材质、过滤精度等。