Writer: admin Time:2020-07-13 09:25 Browse:℃
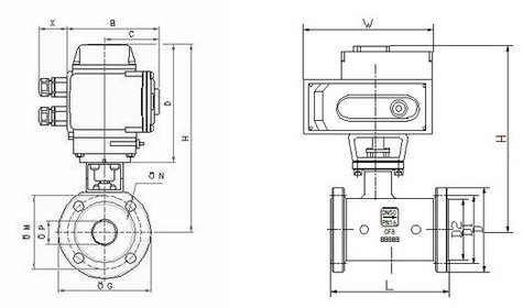
| 公称通径 | DN15~DN200(mm) |
| 公称压力 | 1.0、1.6、2.5MPa |
| 连接形式 | 对夹、法兰 |
| 结构形式 | 分体式、整体式 |
| 驱动形式 | 电源驱动AC220V、AC380V、DC24V(其它特制) |
| 动作范围 | 0~90° |
| 阀芯结构 | O型阀芯 |
| 阀体材质 | 铸钢(WCB)、不锈钢(304、316、316L) |
| 密封材料 | PTFE(聚四氟乙烯)、PPL(对位聚苯)、金属密封(硬质合金) |
| 使用介质 | 易凝固介质 |
| 控制方式 | 开关式(两位切断)、调节型(阀门定位器4~20mA信号) |

| 可选功能 | |
| 防爆功能 | 防爆等级:Exd II BT4 |
| 调节功能 | 输入输出4-20mA、O- 5V.DC、0- 10V.DC |
| 手动功能 | 可装配手动装置,开阀、关阀功能 |
QQ: 769693943
Phone: 13816746668
Tel: 021-31001158
Email: 769693943
Add: 上海市金山区沪杭公路4169号