021-31001158  mmvalves@126.com

技术新闻

电动四通球阀工作原理(图)

Writer: admin Time:2020-06-16 17:07 Browse:

 
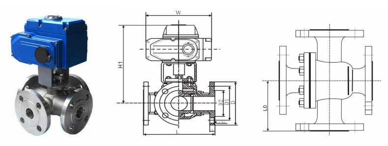
电动四通球阀是“X”型流道的四通四面座球阀,旋转90°可同时对两种介质的流向进行切换,即方便而迅速,实现一阀多用的效果。电动四通球阀替代了以前四个阀门的复杂操作,解除了所占空间大、成本高、操作烦琐等问题,可实现正反供水切换,每旋转90度,供水方式即能切换一次,操作简单方便。
电动四通球阀结构图
 
电动四通球阀特点:
 
电动四通球阀球体的两条通道为X形布置,四个通道口径均布于球体赤道圆周截面上,当球体沿顺时针旋转90时,能使相对的两个通道实现两两互通。在电站系统中称为双向供水转阀(在石化系统中也称空气换向切换阀),适用于液体、气体、粉尘、浆料及含固体颗粒介质的循环系统,如:电站机组冷却器正反向循环供水系统。
  • 阀门型号:Q946F,Q946H
  • 通径规格:DN50~DN500
  • 结构形式:四通铸造阀体
  • 阀体材质:铸钢(WCB)、不锈钢(304、316、316L)
  • 公称压力:PN10、PN16、PN25、PN40
  • 适用温度:-40℃~450℃
  • 应用范围:液体、气体、油品、浆料及含固体颗粒介质
  • 产品特点:可同时切换两种介质的流向,实现一阀多用
电动四通球阀参数:

公称通径 DN15~DN200(mm)
公称压力 PN1.6、2.5、4.0、6.4MPa
连接形式 法兰式
结构形式 四通铸造阀
驱动方式 电动控制(可带手动手轮)
使用温度 -40℃~450℃
电源电压 AC220V、AC380V(其他定制DC24等)
阀体材质 碳钢WCB、不锈钢304、316、316L
密封材料 PTFE(聚四氟乙烯)、PPL(对位聚苯)、金属密封(硬质合金)

电动四通球阀换向原理:
四通球阀换向原理图

“LL'’型四只需操作板手或执行器将球体转动90°,同时对两种介质的流向进行切换,即方便而迅速,实现一阀多用的效果。

电动四通球阀可选功能:

  可选功能
防爆功能 防护等级:相当IP65(或IP67)、隔爆标志:ExdⅡBT4
调节功能 输入输出4-20mA、O- 5V.DC、0- 10V.DC
手动功能 可装配手动装置,开阀、关阀功能
相关温度 环境温度:-25~+70℃、环境湿度:≤95%

电磁阀相关产品