021-31001158  mmvalves@126.com

CJZQ高压液压球阀

更新时间:2024-04-13 10:04:40

CJZQ高压液压球阀

  • 1、产品型号:CJZQ。
  • 2、公称通径:DN10~50。
  • 3、公称压力:31.5Mpa。
  • 4、适用温度:-20~+100℃~+170℃。
  • 5、阀体材质:铸钢、不锈钢。
  • 6、适用介质:水、油、气。
  • 7、结构形式:球形。
  • 8、连接方式:外螺纹。
  • 9、驱动方式:手动、电动、气动。
  • 10、制造标准:国标GB、德国DIN、美国API、ANSI。

产品说明

CJZQ高压液压球阀适用于液压系统和化工系统的各种管路上做为启闭用。开关迅速、方便,流体阻力小,是所有阀类中流体阻力最小的一种只要阀杆转动90°,球阀就完成了全开或全关动作,很容易实现快速启闭。阀杆密封可靠。球阀启闭时阀杆只作旋转运动,因此阀杆的填料密封不易被破坏,而且阀杆倒密封的密封力随着介质压力的增加而增大。适用介质:液压油、水一乙二醇、其它混合液体。

产品特点

CJZQ高压液压球阀是我公司引进德国先进技术工艺,主要用于液压管路中控制油液的流通和截止,本型球阀具有流阻损失小,密封性能可靠,操作方便,外观精美等特点。 

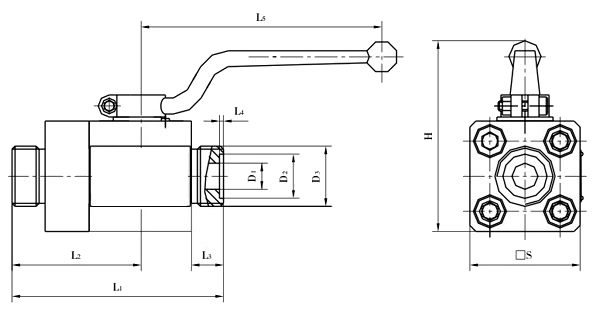
外形结构图

 

主要外形尺寸

型号 D1 D2 D3 L1 L2 L3 L4 L5 H S
CJZQ-H10L Ф9 Ф20 M27×1.5 100 62 14 2 105 86 46
CJZQ-H15L Ф14 Ф22 M30×1.5 105 64 16 2 147 99 52
CJZQ-H20L Ф18 Ф28 M36×2 121 74 18 2.5 185 108 60
CJZQ-H25L Ф23 Ф35 M42×2 135 80 20 2.5 185 118.5 70
CJZQ-H32L Ф30 Ф40 M52×2 160 96 22 2.5 240 137 84
CJZQ-H40L Ф38 Ф45 M60×2 180 106 24 2.5 240 148 96
CJZQ-H50L Ф48 Ф55 M72×2 205 105 26 2.5 240 172 120