
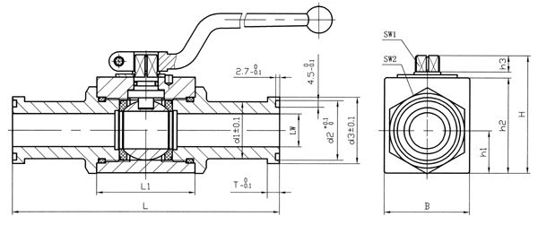
| 简略型号 | bar | DN | LW | L | L1 | B | H | h1 | h2 | h3 |
| BKH-SAE-FS-210-13 | 210 | 13 | 13 | 151 | 47 | 35 | 49 | 18 | 38 | 10 |
| BKH-SAE-FS-420-13 | 420 | 13 | 13 | 151 | 47 | 35 | 49 | 18 | 38 | 10 |
| BKH-SAE-FS-210-20 | 210 | 20 | 19 | 162 | 60 | 48 | 70 | 25 | 55 | 11 |
| BKH-SAE-FS-420-20 | 315 | 20 | 19 | 174 | 60 | 48 | 70 | 25 | 55 | 11 |
| BKH-SAE-FS-210-25 | 210 | 25 | 25 | 178 | 65 | 57 | 79 | 28.5 | 64 | 11 |
| BKH-SAE-FS-420-25 | 315 | 25 | 22 | 198 | 65 | 57 | 79 | 28.5 | 64 | 11 |
| BKH-SAE-FS-210-32 | 210 | 32 | 30 | 191 | 84 | 75 | 101 | 37.5 | 84 | 12 |
| BKH-SAE-FS-420-32 | 350 | 32 | 27 | 223 | 84 | 75 | 101 | 37.5 | 84 | 12 |
| BKH-SAE-FS-210-40 | 210 | 40 | 36 | 231 | 91 | 85 | 112 | 42.5 | 95 | 12 |
| BKH-SAE-FS-420-40 | 350 | 40 | 32 | 281 | 91 | 85 | 112 | 42.5 | 95 | 12 |
| BKH-SAE-FS-210-50 | 210 | 50 | 48 | 232 | 100 | 104 | 131 | 62 | 112.5 | 12 |
| BKH-SAE-FS-420-50 | 350 | 50 | 45 | 316 | 100 | 104 | 131 | 62 | 112.5 | 12 |
| SW1 | SW2 | T | d1 | d2 | d3 | 美标O形圈 |
| 09 | 30 | 6.8 | 24 | 25.5 | 30.2 | 18.6×3.5 |
| 09 | 30 | 7.9 | 24 | 25.5 | 31.8 | 18.6×3.5 |
| 12 | 41 | 6.8 | 31.7 | 31.9 | 38.1 | 25×3.5 |
| 12 | 41 | 8.9 | 32 | 31.9 | 41.3 | 25×3.5 |
| 12 | 50 | 8.1 | 38 | 39.8 | 44.4 | 32.9×3.5 |
| 12 | 50 | 9.6 | 38 | 39.8 | 47.6 | 32.9×3.5 |
| 14 | 60 | 8.1 | 43 | 44.6 | 50.8 | 37.7×3.5 |
| 14 | 60 | 10.4 | 44 | 44.6 | 54 | 37.7×3.5 |
| 14 | 70 | 8.1 | 50 | 54.1 | 60.3 | 47.2×3.5 |
| 14 | 70 | 12.7 | 51 | 54.1 | 63.5 | 47.2×3.5 |
| 14 | 90 | 9.6 | 62 | 63.6 | 71.4 | 56.7×3.5 |
| 14 | 90 | 12.7 | 67 | 63.6 | 79.4 | 56.7×3.5 |
QQ: 769693943
Phone: 13816746668
Tel: 021-31001158
Email: 769693943
Add: 上海市金山区沪杭公路4169号