
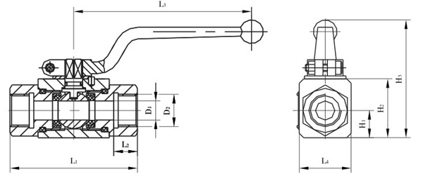
| 型号 | D1 | D2 | L1 | L2 | L3 | L4 | H1 | H2 | H3 |
| YJZQ-J10N | Ф10 | M18×1.5 | 78 | 14 | 105 | 32 | 16 | 36 | 76 |
| YJZQ-J15N | Ф15 | M22×1.5 | 86 | 16 | 147 | 38 | 19 | 45 | 80 |
| YJZQ-J20N | Ф20 | M27×2 | 108 | 18 | 185 | 48 | 25 | 55 | 101 |
| YJZQ-J25N | Ф25 | M33×2 | 116 | 20 | 185 | 57 | 28.5 | 64 | 111 |
| YJZQ-J32N | Ф32 | M42×2 | 136 | 22 | 240 | 75 | 37.5 | 84 | 134 |
| YJZQ-J40N | Ф40 | M48×2 | 148 | 24 | 240 | 85 | 42.5 | 95 | 165 |
| YJZQ-J50N | Ф50 | M64×2 | 180 | 26 | 240 | 104 | 52 | 112.5 | 180 |

| 型号 | D1 | D2 | D3 | L1 | L2 | L3 | L4 | L5 | H1 | H2 | H3 |
| YJZQ-J10W | Ф10 | Ф20 | M27×1.5 | 94 | 16 | 2 | 105 | 32 | 16 | 36 | 76 |
| YJZQ-J15W | Ф15 | Ф22 | M30×1.5 | 102 | 16 | 2 | 147 | 38 | 19 | 45 | 80 |
| YJZQ-J20W | Ф20 | Ф28 | M36×2 | 124 | 18 | 2.5 | 185 | 48 | 25 | 55 | 101 |
| YJZQ-J25W | Ф25 | Ф35 | M42×2 | 136 | 20 | 2.5 | 185 | 57 | 28.5 | 64 | 111 |
| YJZQ-J32W | Ф32 | Ф40 | M52×2 | 150 | 20 | 2.5 | 240 | 75 | 37.5 | 84 | 134 |
| YJZQ-J40W | Ф40 | Ф50 | M64×2 | 180 | 24 | 2.5 | 240 | 85 | 42.5 | 95 | 165 |
| YJZQ-J50W | Ф50 | Ф60 | M72×2 | 210 | 26 | 2.5 | 240 | 104 | 52 | 112.5 | 180 |
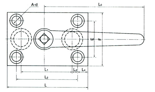
| 型号 | A | h | H | L0 | E | F | L | L1 | L2 | L3 | L4 | Ф | D |
| YJZQ-J10B | 33 | 42 | 68 | 160 | 38 | 54 | 81 | 45 | 56 | 11 | 10 | Ф7 | 10 |
| YJZQ-J15B | 39 | 46 | 75 | 160 | 42 | 60 | 92 | 52 | 60 | 6 | 16 | Ф9 | 15 |
| YJZQ-J20B | 49 | 50 | 78 | 180 | 50 | 70 | 108 | 60 | 70 | 7.5 | 17 | Ф11 | 20 |
| YJZQ-J25B | 52 | 60 | 86 | 220 | 55 | 77 | 114 | 65 | 80 | 11 | 17.5 | Ф11 | 25 |
QQ: 769693943
Phone: 13816746668
Tel: 021-31001158
Email: 769693943
Add: 上海市金山区沪杭公路4169号