
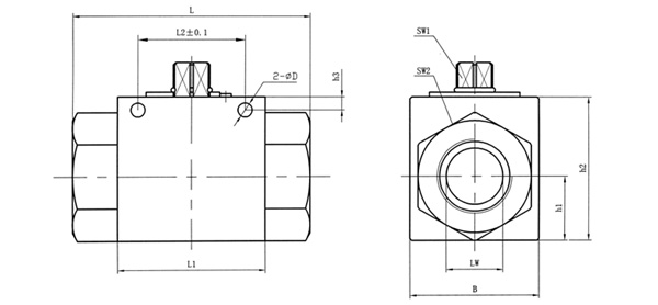
| 简略型号 | PN(bar) | DN | LW | RA | d1 | i | L | L1 | B | L2 | h1 | h2 | SW1 | SW2 | D | h3 |
| VH2V-M16×1.5 | 500 | 06 | 06 | 11 | M16×1.5 | 11 | 69 | 40 | 26 | 31.5 | 13.5 | 35 | 09 | 22 | 4.5 | 4.8 |
| VH2V-M27×1.5 | 500 | 10 | 10 | 20 | M27×1.5 | 12 | 76 | 42 | 32 | 31.5 | 16 | 40 | 09 | 27 | 5.3 | 5.8 |
| VH2V-M36×2 | 400 | 20 | 20 | 30 | M36×2 | 15 | 103 | 60 | 48 | 48.5 | 25 | 58 | 12 | 41 | 6.5 | 6 |
| VH2V-M42×2 | 350 | 25 | 23 | 35 | M42×2 | 18 | 116 | 65 | 57 | 50.5 | 28.5 | 65 | 12 | 50 | 8.5 | 7 |
| 简略型号 | PN(bar) | DN | LW | RA | d1 | i | L | L1 | B | L2 | h1 | h2 | SW1 | SW2 | D | h3 |
| VH2V-G1/4 | 500 | 06 | 06 | / | G1/4 | 14 | 69 | 40 | 26 | 31.5 | 13.5 | 35 | 09 | 22 | 4.5 | 4.8 |
| VH2V-G3/8 | 500 | 10 | 10 | / | G3/8 | 14 | 72 | 42 | 32 | 31.5 | 16 | 40 | 09 | 27 | 5.3 | 5.8 |
| VH2V-G1/2 | 500 | 13 | 12 | / | G1/2 | 16 | 83 | 48 | 35 | 38.5 | 18 | 45 | 09 | 30 | 6.5 | 6 |
| VH2V-G3/4 | 400 | 20 | 20 | / | G3/4 | 18 | 93 | 60 | 50 | 48.5 | 23 | 58 | 12 | 41 | 6.5 | 6 |
| VH2V-G1 | 350 | 25 | 25 | / | G1 | 21 | 115 | 65 | 57 | 50.5 | 27.5 | 65 | 12 | 46 | 8.5 | 7 |
| 简略型号 | PN(bar) | DN | LW | RA | d1 | i | L | L1 | B | L2 | h1 | h2 | SW1 | SW2 | D | h3 |
| VH2V-NPT1/4 | 500 | 06 | 06 | / | NPT1/4 | 14 | 69 | 40 | 26 | 31.5 | 13.5 | 35 | 09 | 22 | 4.5 | 4.8 |
| VH2V-NPT3/8 | 500 | 10 | 10 | / | NPT3/8 | 14 | 72 | 42 | 32 | 31.5 | 16 | 40 | 09 | 27 | 5.3 | 5.8 |
| VH2V-NPT1/2 | 500 | 13 | 12 | / | NPT1/2 | 16 | 83 | 48 | 35 | 38.5 | 18 | 45 | 09 | 30 | 6.5 | 6 |
| VH2V-NPT3/4 | 400 | 20 | 20 | / | NPT3/4 | 18 | 95 | 60 | 50 | 48.5 | 23 | 58 | 12 | 41 | 6.5 | 6 |
| VH2V-NPT1 | 350 | 25 | 23 | / | NPT1 | 21 | 113 | 65 | 57 | 50.5 | 27.5 | 65 | 12 | 46 | 8.5 | 7 |
| 简略型号 | PN(bar) | DN | LW | RA | d1 | i | L | L1 | B | L2 | h1 | h2 | SW1 | SW2 | D | h3 |
| VH2V-08LR | 500 | 06 | 06 | 08 | M14×1.5 | 10 | 67 | 40 | 26 | 31.5 | 13.5 | 35 | 09 | 22 | 4.5 | 4.8 |
| VH2V-12LR | 500 | 10 | 10 | 12 | M18×1.5 | 11 | 74 | 42 | 32 | 31.5 | 16 | 40 | 09 | 27 | 5.3 | 5.8 |
| VH2V-15LR | 500 | 13 | 12 | 15 | M22×1.5 | 12 | 82 | 48 | 35 | 38.5 | 18 | 45 | 09 | 30 | 6.5 | 6 |
| VH2V-18LR | 500 | 13 | 12 | 18 | M26×1.5 | 12 | 82 | 48 | 35 | 38.5 | 18 | 45 | 09 | 30 | 6.5 | 6 |
| VH2V-22LR | 400 | 20 | 19 | 22 | M30×2 | 14 | 101 | 60 | 50 | 48.5 | 23 | 58 | 12 | 41 | 6.5 | 6 |
| VH2V-28LR | 350 | 25 | 24 | 28 | M36×2 | 14 | 108 | 65 | 57 | 50.5 | 27.5 | 65 | 12 | 46 | 8.5 | 7 |
| 简略型号 | PN(bar) | DN | LW | RA | d1 | i | L | L1 | B | L2 | h1 | h2 | SW1 | SW2 | D | h3 |
| VH2V-10SR | 500 | 06 | 06 | 10 | M18×1.5 | 12 | 73 | 40 | 26 | 31.5 | 13.5 | 35 | 09 | 22 | 4.5 | 4.8 |
| VH2V-14SR | 500 | 10 | 10 | 14 | M22×1.5 | 14 | 80 | 42 | 32 | 31.5 | 16 | 40 | 09 | 27 | 5.3 | 5.8 |
| VH2V-16SR | 500 | 13 | 12 | 16 | M24×1.5 | 14 | 86 | 48 | 35 | 38.5 | 18 | 45 | 09 | 30 | 6.5 | 6 |
| VH2V-20SR | 500 | 13 | 12 | 20 | M30×2 | 16 | 90 | 48 | 35 | 38.5 | 18 | 45 | 09 | 30 | 6.5 | 6 |
| VH2V-25R | 400 | 20 | 20 | 25 | M36×2 | 18 | 109 | 60 | 50 | 48.5 | 23 | 58 | 12 | 41 | 6.5 | 6 |
| VH2V-30SR | 350 | 25 | 25 | 30 | M42×2 | 20 | 120 | 65 | 57 | 50.5 | 27.5 | 65 | 12 | 46 | 8.5 | 7 |
QQ: 769693943
Phone: 13816746668
Tel: 021-31001158
Email: 769693943
Add: 上海市金山区沪杭公路4169号