021-31001158  mmvalves@126.com

多路阀

DL8P型多路换向阀液压原理(图)

Writer: admin Time:2020-09-14 15:50 Browse:

DL8P型多路换向阀 液压原理图:

 

DL8P型多路换向阀液压原理图

DL8P型多路换向阀 技术参数:

额定压力/Rated Pressure:21MPa
额定流量/Rated Flow:(P→V)100 L/min
(P→V、C→T)80 L/min

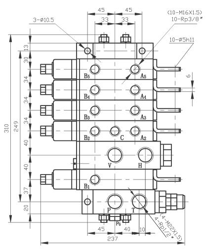
DL8P型多路换向阀 外形尺寸:

DL8P型多路换向阀外形尺寸