021-31001158  mmvalves@126.com

多路阀

4SDN20/10-21整体式下车多路阀液压原理(图)

Writer: admin Time:2020-09-14 15:55 Browse:

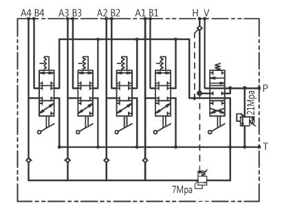
4SDN20/10-21整体式下车多路阀 液压原理图:

4SDN20/10-21整体式下车多路阀液压原理图

4SDN20/10-21整体式下车多路阀 技术参数:

额定压力/Rated Pressure:21MPa
额定流量/Rated Flow:
(P→V)120 L/min
(P→C)63 L/min

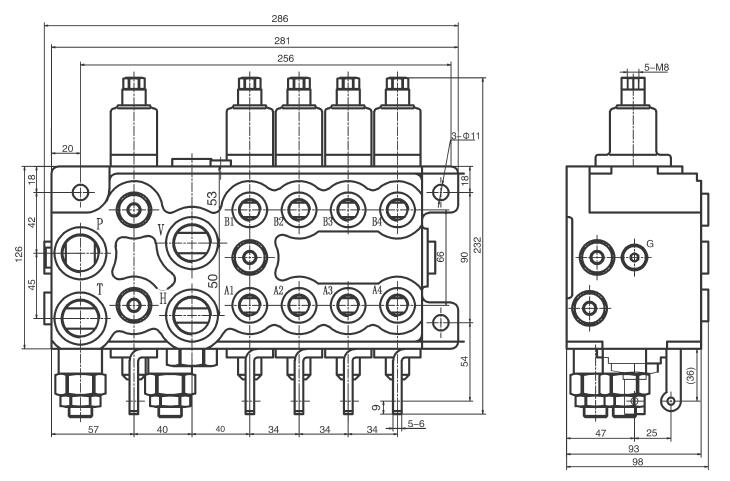
4SDN20/10-21整体式下车多路阀 外形尺寸:

4SDN20/10-21整体式下车多路阀外形尺寸