021-31001158  mmvalves@126.com

多路阀

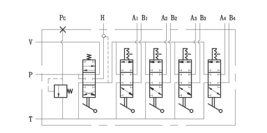
DL8CYF下车多路阀液压原理(图)

Writer: admin Time:2020-09-12 11:46 Browse:

DL8CYF下车多路阀 液压原理图:

DL8CYF下车多路阀液压原理图

DL8CYF下车多路阀 技术参数:

额定压力/Rated Pressure:21MPa
额定流量/Rated Flow:(P→V)120 L/min
(P→T)80 L/min

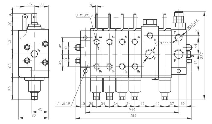
DL8CYF下车多路阀 外形尺寸:

DL8CYF下车多路阀外形尺寸