| 阀门漏率:Valve Leak Rate | ≤1.3×10-4Pa.L/S. |
| 适用温度:Applicable Temperature |
-30~+150℃ -30~+150℃(PPL密封) |
| 适用范围:Appy Range | |
| 连接型式 Loose Flange | 使用压力范围(Pa) |
| 活套法兰(GB6070、JB919) | 0.6×106~1.3×10-4 |
| 焊接法兰(GB6070、JB919) | 1.6×106~1.3×10-4 |
| 快卸法兰(GB4982) | 0.1×106~1.3×10-4 |
| 螺纹连接 Threaded Connection | 1.6×106~1.3×10-4 |
|
Model 型号 |
DN | G | H | E | L |
| GU-10(G) | 10 | 1/4" | 52 | 105 | 68 |
| GU-16(G) | 16 | 1/2" | 64 | 130 | 72 |
| GU-20(G) | 20 | 3/4" | 67 | 130 | 82 |
| GU-25(G) | 25 | 1" | 83 | 165 | 90 |
| GU-32(G) | 32 | 1-1/4" | 89 | 165 | 112 |
| GU-40(G) | 40 | 1-1/2" | 100 | 190 | 120 |
| GU-50(G) | 50 | 2" | 125 | 190 | 145 |
| GU-63(G) | 63 | 2-1/2" | 150 | 250 | 185 |
| GU-80(G) | 80 | 3" | 161 | 250 | 210 |
| GU-100(G) | 100 | 4" | 180 | 280 | 268 |
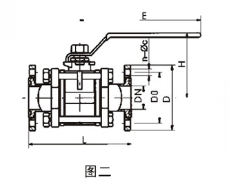
|
Model 型号 |
DN | D | Do | H | E | L | n-φc |
| GU-10(F) | 10 | 55 | 40 | 52 | 105 | 84 | 4-φ6.6 |
| GU-16(F) | 16 | 60 | 45 | 64 | 130 | 84 | 4-φ6.6 |
| GU-25(F) | 25 | 70 | 55 | 83 | 165 | 114 | 4-φ6.6 |
| GU-32(F) | 32 | 90 | 70 | 89 | 165 | 140 | 4-φ9 |
| GU-40(F) | 40 | 100 | 80 | 100 | 190 | 160 | 4-φ9 |
| GU-50(F) | 50 | 110 | 90 | 125 | 190 | 170 | 4-φ9 |
| GU-63(F) | 63 | 130 | 110 | 150 | 250 | 195 | 4-φ9 |
| GU-80(F) | 80 | 145 | 125 | 161 | 250 | 220 | 8-φ9 |
| GU-100(F) | 100 | 165 | 145 | 180 | 280 | 280 | 8-φ9 |
|
Model 型号 |
DN | D1 | D | H | E | L |
| GU-10(KF) | 10 | 12.2 | 30 | 52 | 105 | 84 |
| GU-16(KF) | 16 | 17.2 | 30 | 64 | 130 | 84 |
| GU-25(KF) | 25 | 26.2 | 40 | 83 | 165 | 114 |
| GU-32(KF) | 32 | 34.2 | 55 | 89 | 165 | 140 |
| GU-40(KF) | 40 | 41.2 | 55 | 100 | 190 | 160 |
| GU-50(KF) | 50 | 52.2 | 75 | 125 | 190 | 170 |
QQ: 769693943
Phone: 13816746668
Tel: 021-31001158
Email: 769693943
Add: 上海市金山区沪杭公路4169号