
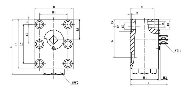
| 简略型号 | DN | LW | L | L1 | L2 | L3 | L4 | L5 | L6 | L7 | B | B1 |
| KHP-06 | 06 | 06 | 64 | 8.5 | 17.5 | 59 | 25 | 8.5 | 35 | 35 | 40 | 27 |
| KHP-10 | 10 | 9.5 | 77 | 7.5 | 27.5 | 70 | 29 | 10 | 44 | 55 | 55 | 40 |
| KHP-16 | 16 | 16 | 110 | 8.5 | 41.5 | 100 | 43 | 17 | 58 | 83 | 60 | 45 |
| KHP-20 | 20 | 20 | 126 | 10 | 48.5 | 117 | 54 | 20 | 69 | 97 | 70 | 51 |
| KHP-25 | 25 | 23.5 | 145 | 10 | 57.5 | 135 | 64.5 | 24 | 81 | 115 | 80 | 60 |
| KHP-32 | 32 | 30 | 177 | 12 | 68 | 165 | 75.5 | 29 | 96 | 136 | 100 | 78 |
| KHP-40 | 40 | 38 | 200 | 30 | 56 | 185 | 80 | 30 | 112 | 112 | 130 | 95 |
| KHP-50 | 50 | 48 | 245 | 38 | 68 | 220 | 106 | 38 | 136 | 136 | 149 | 112 |
| 简略型号 | SW1 | SW2 | H | H1 | H2 | D | D1 | D2 | D3 | A | S | O 形圈 |
| KHP-06 | 09 | 22 | 37.5 | 30 | 7 | 6.6 | 11 | 6 | 11.7 | 1.6 | 23 | 8×2 |
| KHP-10 | 09 | 30 | 58 | 40 | 8.5 | 9 | 13 | 9.5 | 15 | 2 | 31 | 10×2.6 |
| KHP-16 | 09 | 41 | 72.5 | 52 | 11 | 9 | 13 | 16 | 25 | 2 | 43 | 20.29×2.62 |
| KHP-20 | 12 | 41 | 88.5 | 60 | 11 | 10.5 | 16.5 | 20 | 30 | 2.5 | 50 | 23.39×3.53 |
| KHP-25 | 12 | 46 | 97.5 | 65 | 11 | 10.5 | 17 | 23.5 | 35 | 2.5 | 55 | 28.17×3.53 |
| KHP-32 | 14 | 55 | 118.5 | 80 | 12 | 13 | 19 | 30 | 40 | 2.5 | 67 | 32.92×3.53 |
| KHP-40 | 14 | 65 | 118.5 | 93 | 12 | 17 | 25 | 38 | 48 | 3 | 77 | 42×3.5 |
| KHP-50 | 14 | / | 129 | 110 | 12 | 22 | 33 | 48 | 55.4 | 2.9 | 88.5 | 49×3.5 |
| 简略型号 | 内六角螺栓DIN912 | 扭距 Nm(摩擦系数μ=0.14时) |
| KHP-06 | M6-10.9 | 13 |
| KHP-10 | M8-10.9 | 30 |
| KHP-16 | M8-12.9 | 35 |
| KHP-20 | M8-12.9 | 60 |
| KHP-25 | M10-12.9 | 60 |
| KHP-32 | M12-12.9 | 110 |
| KHP-40 | M16-12.9 | 300 |
| KHP-50 | M20-12.9 | 600 |
QQ: 769693943
Phone: 13816746668
Tel: 021-31001158
Email: 769693943
Add: 上海市金山区沪杭公路4169号