| 手动 | Q41F3 | 蜗轮 | Q341F3 |
| Q41F46 | Q341F46 | ||
| 气动 | Q641F3 | 电动 | Q941F3 |
| Q641F46 | Q941F46 |
| 设计标准 | GB12237 |
| 结构长度 | GB12221 |
| 法兰标准 | JB/T79-94 |
| GB9113.1-26 | |
| 检验试验 | JB/T9092-99 |
| 驱动方式 | 手动、电动、气动、蜗轮 |
| 序号 | 零件名称 | 灰铸铁 | 铸钢 | 不锈耐酸铸钢 | 超低碳不锈耐酸铸钢 | ||
| Z | C | P8 | R8 | R3 | R3 | ||
| 1 | 阀体/阀盖 | A216-C | A216-WCB | A351-CF8 | A351-CF8M | A351-CF3 | A351-CF3M |
| 2 | 球体/阀杆 | A216-WCB | A351-CF8 | A351-CF8M | A351-CF3 | A351-CF3M | |
| 3 | 衬里/阀座 | PTFE(F4)、PCTFE(F3)、FEP(F46)、PFA(可溶F4) | |||||
| 4 | 填料/压盖 | PTFE(F4) | A351-CF3 | A351-CF3 | |||
| 5 | 填料 | A216-WCB | A351-CF8 | A351-CF8 | |||
| 6 | 支架 | A193-B7 | A194-8 | A193-B8M | |||
| 7 | 紧固螺栓 | A193-B7 | A193-B8M | A194-8 | |||
| 8 | 螺母 | A194-2H | A194-8 | A194-8 | |||
| 9 | 操作手柄 | A216-WCB | A216-WCB | A216-WCB | |||
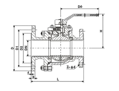
| 公称通经 | L | D | D1 | D2 | f | b | Z-φd | |
| DN(mm) | NPS(inch) | PN1.0MPa | ||||||
| 15 | 1/2 | 130 | 95 | 65 | 45 | 2 | 14 | 4-φ14 |
| 20 | 3/4 | 140 | 105 | 75 | 55 | 2 | 16 | 4-φ14 |
| 25 | 1 | 150 | 115 | 85 | 65 | 2 | 16 | 4-φ14 |
| 32 | 5/4 | 165 | 135 | 100 | 78 | 2 | 18 | 4-φ18 |
| 40 | 3/2 | 180 | 145 | 110 | 85 | 3 | 18 | 4-φ18 |
| 50 | 2 | 200 | 160 | 125 | 100 | 3 | 20 | 4-φ18 |
| 65 | 5/2 | 220 | 180 | 145 | 120 | 3 | 20 | 4-φ18 |
| 80 | 3 | 250 | 195 | 160 | 135 | 3 | 22 | 4-φ18 |
| 100 | 4 | 280 | 215 | 180 | 155 | 3 | 22 | 8-φ18 |
| 125 | 5 | 320 | 245 | 210 | 185 | 3 | 24 | 8-φ18 |
| 150 | 6 | 360 | 280 | 240 | 210 | 3 | 24 | 8-φ23 |
| 200 | 8 | 457 | 335 | 295 | 265 | 3 | 26 | 8-φ23 |
| 250 | 10 | 533 | 390 | 350 | 320 | 3 | 28 | 12-φ23 |
| 公称通经 | L | D | D1 | D2 | f | b | Z-φd | |
| DN(mm) | NPS(inch) | PN1.6MPa | ||||||
| 15 | 1/2 | 130 | 95 | 65 | 45 | 2 | 14 | 4-φ14 |
| 20 | 3/4 | 130 | 105 | 75 | 55 | 2 | 16 | 4-φ14 |
| 25 | 1 | 140 | 115 | 85 | 65 | 2 | 16 | 4-φ14 |
| 32 | 5/4 | 165 | 135 | 100 | 78 | 2 | 18 | 4-φ18 |
| 40 | 3/2 | 165 | 145 | 110 | 85 | 3 | 18 | 4-φ18 |
| 50 | 2 | 203 | 160 | 125 | 100 | 3 | 20 | 4-φ18 |
| 65 | 5/2 | 222 | 180 | 145 | 120 | 3 | 20 | 4-φ18 |
| 80 | 3 | 241 | 195 | 160 | 135 | 3 | 22 | 8-φ18 |
| 100 | 4 | 305 | 215 | 180 | 155 | 3 | 24 | 8-φ18 |
| 125 | 5 | 356 | 245 | 210 | 185 | 3 | 26 | 8-φ18 |
| 150 | 6 | 394 | 280 | 240 | 210 | 3 | 28 | 8-φ23 |
| 200 | 8 | 457 | 335 | 295 | 265 | 3 | 30 | 12-φ23 |
QQ: 769693943
Phone: 13816746668
Tel: 021-31001158
Email: 769693943
Add: 上海市金山区沪杭公路4169号