021-31001158  mmvalves@126.com

Q41F46衬氟球阀

更新时间:2024-04-13 10:04:36

Q41F46衬氟球阀

  • 1、产品型号:Q41F46。
  • 2、公称通径:DN15~DN300。
  • 3、公称压力:1.6Mpa~1.0Mpa。
  • 4、适用温度:-29~180ºC。
  • 5、阀体材质:铸钢、不锈钢。
  • 6、适用介质:王水、硫酸、盐酸、氢氟酸、腐蚀性液体。
  • 7、结构形式:球形。
  • 8、连接方式:法兰。
  • 9、驱动方式:手动、电动、气动。
  • 10、制造标准:国标GB、德国DIN、美国API、ANSI。

产品说明

Q41F46衬氟球阀可分为对分二片式和三片式两种结构型式,除具有的流体阻力小,启闭速度快,结构简单外,采用FEP衬里层的球阀,具有极高的化学稳定性,可以适用除“熔融碱金属和元素氟”,以外其它任何强腐蚀性质。采用全通径、浮动球结构,阀门可在整个压力范围内进行无泄漏关闭,更便于管路系统的通球扫线和管路维护。启闭件球件与阀杆铸(锻)为一体,杜绝了由于压力变化引起阀杆冲出承压件内的可能性,从根本上保证了工程中的使用安全性。结构紧凑合理,阀体内腔空间最小,减小了介质滞留,另外,特殊的模压工艺,使密封面致密度良好,加之人字环形PTFE填料组合,使阀门达到零泄漏。

基本型号 

手动 Q41F3 蜗轮 Q341F3
Q41F46 Q341F46
气动 Q641F3 电动 Q941F3
Q641F46 Q941F46

技术规范

设计标准 GB12237
结构长度 GB12221
法兰标准 JB/T79-94
GB9113.1-26
检验试验 JB/T9092-99
驱动方式 手动、电动、气动、蜗轮

主要零部件材料表

序号 零件名称 灰铸铁 铸钢 不锈耐酸铸钢 超低碳不锈耐酸铸钢
Z C P8 R8 R3 R3
1 阀体/阀盖 A216-C A216-WCB A351-CF8 A351-CF8M A351-CF3 A351-CF3M
2 球体/阀杆 A216-WCB A351-CF8 A351-CF8M A351-CF3 A351-CF3M
3 衬里/阀座 PTFE(F4)、PCTFE(F3)、FEP(F46)、PFA(可溶F4)
4 填料/压盖 PTFE(F4) A351-CF3 A351-CF3
5 填料 A216-WCB A351-CF8 A351-CF8
6 支架 A193-B7 A194-8 A193-B8M
7 紧固螺栓 A193-B7 A193-B8M A194-8
8 螺母 A194-2H A194-8 A194-8
9 操作手柄 A216-WCB A216-WCB A216-WCB

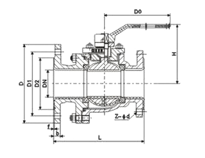
外形结构图

 

1.0MPa主要外形和连接尺寸

公称通经 L D D1 D2 f b Z-φd
DN(mm) NPS(inch) PN1.0MPa
15 1/2 130 95 65 45 2 14 4-φ14
20 3/4 140 105 75 55 2 16 4-φ14
25 1 150 115 85 65 2 16 4-φ14
32 5/4 165 135 100 78 2 18 4-φ18
40 3/2 180 145 110 85 3 18 4-φ18
50 2 200 160 125 100 3 20 4-φ18
65 5/2 220 180 145 120 3 20 4-φ18
80 3 250 195 160 135 3 22 4-φ18
100 4 280 215 180 155 3 22 8-φ18
125 5 320 245 210 185 3 24 8-φ18
150 6 360 280 240 210 3 24 8-φ23
200 8 457 335 295 265 3 26 8-φ23
250 10 533 390 350 320 3 28 12-φ23

1.6MPa主要外形和连接尺寸

公称通经 L D D1 D2 f b Z-φd
DN(mm) NPS(inch) PN1.6MPa
15 1/2 130 95 65 45 2 14 4-φ14
20 3/4 130 105 75 55 2 16 4-φ14
25 1 140 115 85 65 2 16 4-φ14
32 5/4 165 135 100 78 2 18 4-φ18
40 3/2 165 145 110 85 3 18 4-φ18
50 2 203 160 125 100 3 20 4-φ18
65 5/2 222 180 145 120 3 20 4-φ18
80 3 241 195 160 135 3 22 8-φ18
100 4 305 215 180 155 3 24 8-φ18
125 5 356 245 210 185 3 26 8-φ18
150 6 394 280 240 210 3 28 8-φ23
200 8 457 335 295 265 3 30 12-φ23

上一篇:没有了 下一篇:Q41F46衬四氟球阀