Writer: admin Time:2020-09-11 14:48 Browse:℃



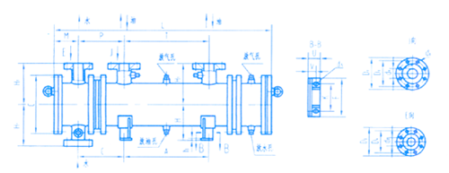
| 型号 | 10/19F | 10/25F | 10-29F | 10/36F | 10/45F | 10/55F | 10/68F | 10/77F | 10/100F | 10/135F | 10/176F | 10/244F | 10/299F |
| A | 2690 | 2690 | 2670 | 2640 | 2670 | 2590 | 2590 | 2590 | 2690 | 2620 | 4700 | 4800 | 5800 |
| C | 360 | 415 | 445 | 495 | 550 | 600 | 655 | 705 | 805 | 905 | 805 | 908 | 908 |
| D1 | 280 | 280 | 280 | 280 | 280 | 335 | 335 | 405 | 405 | 405 | 405 | 405 | 405 |
| D2 | 190 | 190 | 215 | 215 | 280 | 280 | 280 | 280 | 335 | 335 | 335 | 335 | 335 |
| D3 | 240 | 240 | 240 | 240 | 240 | 295 | 295 | 355 | 355 | 355 | 355 | 355 | 355 |
| D4 | 160 | 160 | 185 | 195 | 240 | 240 | 240 | 240 | 295 | 295 | 295 | 295 | 295 |
| Dg | 273 | 325 | 351 | 402 | 450 | 500 | 560 | 600 | 700 | 800 | 705 | 810 | 810 |
| d2 | 80 | 80 | 100 | 100 | 150 | 150 | 150 | 150 | 200 | 200 | 200 | 200 | 200 |
| d3 | 8-ф23 | 8-ф23 | 8-ф23 | 8-ф23 | 8-ф23 | 12-ф23 | 12-ф23 | 12-ф23 | 12-ф25 | 12-ф25 | 12-ф25 | 12-ф25 | 12-ф25 |
| d4 | 8-ф18 | 8-ф18 | 8-ф18 | 8-ф18 | 8-ф23 | 8-ф23 | 8-ф23 | 8-ф23 | 8-ф23 | 8-ф23 | 8-ф23 | 8-ф23 | 8-ф23 |
| d5 | 4孔16×22 | 4孔16×32 | 4孔16×32 | 4孔19×32 | 4孔19×32 | 4孔19×32 | 4孔19×32 | 4孔19×22 | 4-ф22 | 4-ф22 | 4-ф22 | 4-ф22 | 4-ф22 |
| F1 | 200 | 200 | 250 | 270 | 300 | 325 | 325 | 400 | 435 | 435 | 430 | 480 | 480 |
| G | 240 | 240 | 280 | 285 | 310 | 345 | 345 | 355 | 360 | 375 | 425 | 450 | 450 |
| H | 190 | 216 | 268 | 292 | 305 | 330 | 300 | 380 | 432 | 482 | 435 | 485 | 485 |
| H1 | 248 | 280 | 298 | 324 | 350 | 375 | 375 | 432 | 490 | 540 | 489 | 540 | 540 |
| h | 10 | 10 | 10 | 10 | 10 | 14 | 14 | 14 | 14 | 14 | 14 | 14 | 14 |
| L | 3460 | 3470 | 3510 | 3520 | 3580 | 3630 | 3640 | 3655 | 3770 | 3770 | 5709 | 6022 | 7059 |
| M | 140 | 145 | 160 | 165 | 190 | 195 | 200 | 205 | 255 | 255 | 201 | 611 | 611 |
| P | 290 | 292 | 310 | 320 | 345 | 385 | 390 | 395 | 475 | 475 | 381 | 404 | 404 |
| T | 2690 | 2690 | 2690 | 2680 | 2680 | 2615 | 2600 | 2595 | 2510 | 2510 | 4705 | 4993 | 5905 |
| U | 60 | 60 | 85 | 85 | 85 | 100 | 100 | 100 | 100 | 125 | 125 | 125 | 125 |
| V | 35 | 35 | 50 | 50 | 50 | 70 | 70 | 70 | 100 | 100 | 100 | 100 | 100 |
QQ: 769693943
Phone: 13816746668
Tel: 021-31001158
Email: 769693943
Add: 上海市金山区沪杭公路4169号