多管道油压冷却器介绍说明书(图)
Writer: admin Time:2020-09-11 15:57 Browse:℃

多管道油压冷却器 简介:
OR系列60~1200型冷却器
流量60L/min~1200L/min,重量8.5kg~72kg,换热面积0.26m2~4.4m2。采用多管式,传热面积广,良好的传热管,不漏油,装配简易。抗污染,适用于较脏和高粘度油液的冷却,也适用于水对水、水对气的热交换。
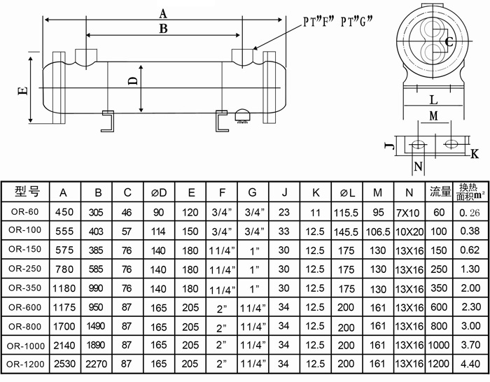
多管道油压冷却器 尺寸图:

多管道油压冷却器 特点:
1、传热面积广:本冷却器的传热管采用多管式裸管的设计,其接触面积广,冷却面积大,传热效率高,冷却效果佳。
2、良好的传热管:采用导热性良好的99.9%纯铜(采用纯红铜管热传导率0.95以上),为最适合散热的冷却管。
3、不漏油:因冷却器板管与本体采用一体化设计,可以避免水与油混合的困扰,同时在出厂前经过气密测试确实紧密,故能达到防漏的目的。
4、装配简易:脚座可360度自由转动,对于冷却器本体随意更换方向及角度装配,通过脚座可直接焊接在母机或油槽的任何位置,既方便又简单。
OR系列冷却器 使用注意事项:
1、本冷却器只适用于淡水,使用海水须特别订做。冷却器冷却管之油口两方可自由决定出入口,油液本身流向不受限制,而水之进口一定要由下方进入,由上方出水口出水;
2、最高压力:油侧10kg/cm2,水侧7kg/cm2;
3、在冷却水可能出现冻结的季节,不工作时应将冷却器内的水放出;
4、每六个月清洗散热管(紫铜管内径),冷却器水侧(限传热管内侧)约每四个月或半年,清除水垢一次,方可保持良好冷却效率,高粘度油液使用时请将油量与水量保持等量。以保持良好的冷却效果;
5、水入口及油入口温度差在80℃以上时不能装用。食品及化学药品不能使用。
多管道油压冷却器 水垢的清洗:
1、物理清洗办法:固定管板式的可以用水泵刷子冲洗,如果是抽芯式即浮头式的即可把管束抽出来冲洗;
2、化学清洗:方法当积垢由疏松变为致密、硬质后,采用机械 清洗方法己达不到清垢目的,此时宜采用酸洗的方法。盐酸不用预热就能容易地溶解碳酸钙和碳酸镁水垢,因此酸洗液一般为常温盐酸溶液。酸洗虽然能很好的疏松水垢和恢复冷却器表面的正常状态,但盐酸对冷却铜管有腐蚀作用。为了保护冷却器管壁不受盐酸的侵蚀,在酸洗液内必须加入添加剂,即强烈地迟滞金属溶解过程的物质。我们选用的添加剂为苯骈三氮唑,即BC-801水稳定剂,使用浓度为3%左右。根据经验,若能够按时进行机械清洗,酸洗可2a--3a进行1次;反之,需每年进行1次酸洗。
【使用注意】
冷却器投用后,操作人员应定期对换热器进行巡回检查,判断其是否运行正常。
(1)检查工艺参数,严禁超温、超压运行。
(2)检查隔槽、大锅、接口法兰有无泄漏。
(3)检查基础支座的稳固情况。
(4)检查冷却器及管线的振动情况。
(5)定时查看油品颜色及换热后的温度变化。
(6)冷却器投用时,应打开冷却线上放空阀排气,见水后关闭,防止气阻影响冷却效果。
(7)冷却器停运扫线时,停冷却水,同时打开冷却水放空阀,避免憋压损坏设备。
(8)调节油品冷后温度时,应先冷却水出口阀控制。因为采用入口阀控制水量,虽然可以节约冷水,但是会引起冷却器内水流短路或流速减慢,造成上热下凉,影响换热效果。故不宜用入口控制。
【排除故障】
1、冷却液不足:添加冷却液
2、散热器散热片阻塞:寻找解决阻塞的原因,清洗散热器
3、散热器通风不畅:按安装要求增大通风有效面积,确保通风畅通
4、冷却液风扇运行不正常:检查风扇皮带紧张度,必要时更换皮带
5、风扇损坏:检修或更换
6、水泵损坏:检修或更换
7、节温器故障:更换
8、喷油泵故障:请授权人员检修或更换
9、供油定时不正确:查看喷油泵数据并请授权人员检修调整
10、环境(进气)温度过高:保持机房通风合理降低机房温度
11、机组过载严重:控制负载,禁止机组长时间超载运行
12、冷却液报警开关(传感器)或仪表故障:检查控制屏,仪表,机体传感器,修理或更换,排除故障。