
服务热线021-31001158
您的位置:德国托马斯阀门(Thomas) - 公司新闻

进口衬氟隔膜阀,Fluorine lined diaphragm valve,也叫衬四氟隔膜阀,全衬隔膜阀,F46隔膜阀,是指阀门内腔覆有可供选择的各种氟塑料, 表面均匀包覆一层FEP,PTFE,具有极高的化学稳定性,专用于控制各种非腐蚀性或强腐蚀性介质的阀门,是一种没有填料函的切断阀。应用在石油、化工、冶金、制药等工业部门的自动化控制系统中,适用于各种浓度的盐酸、酸碱交替等强腐蚀性介质的流通和截断的阀门。
口径:1/2"-8"”;DN15-200
压力:6-10Bar-16Bar;
温度:-20~+150℃;
阀体材质:碳钢;
衬里材质:氟塑料;
阀瓣材质:碳钢;
连接方式:法兰;
驱动方式:手动、气动、电动;
流体方向直通
驱动方式手动
原产地德国
1、衬氟隔膜阀隔膜可使流道内的腐蚀性介质与所有驱动部件处於完全隔离的状态,从而杜绝了通常阀门的“跑、冒、滴、漏”等弊端。
2.衬氟隔膜阀的阀体内腔为全氟F56内衬。因此具有优越的耐腐蚀的特点。
3. 衬氟隔膜阀由於密封件为富有弹性的四氟隔膜。因此还具有较好的密封性和较小的关闭力。
|
序号 |
零件名称 |
灰铸铁 |
铸钢 |
不锈耐酸铸钢 |
超低不锈钢耐酸铸钢 |
||
|
1 |
阀体/阀盖 |
HT250 |
WCB |
CF8 |
CF8M |
CF3 |
CF3M |
|
2 |
阀瓣/阀杆 |
35 |
1cr13 |
1Cr18Ni9Ti |
1Cr18Ni12Mo2Ti |
00cr18Ni10 |
00Cr17Ni14Mo2 |
|
3 |
衬里/阀座 |
PTFE(F4)、PCTFE(F3)、FEP(F46)、PFA(可溶性F4) |
|||||
|
4 |
隔膜 |
FEP(F46)/CR(氯丁橡胶)、PFA(可溶性F4)/FPDM(乙丙橡胶) |
|||||
|
5 |
支架 |
WCB |
CF8 |
CF8 |
|||
|
6 |
阀杆螺母 |
ZCuAI10Fe3 |
ZCuAI10Fe3 |
ZCuAI10Fe3 |
|||
|
7 |
紧固螺栓 |
35 |
1Cr17Ni2 |
1Cr18Ni9Ti |
|||
|
8 |
螺母 |
45 |
0Cr18Ni9 |
0Cr18Ni9 |
|||
|
9 |
手轮 |
WCB |
WCB |
WCB |
|||

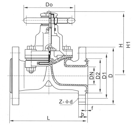
进口衬氟隔膜阀主要尺寸图
|
公称通径 |
标准值 |
参考值 |
||||||||||
|
DN(mm) |
NPS(inch) |
L |
D |
D1 |
D2 |
f |
b |
Z-фd |
d0 |
H |
H1 |
WT(kg) |
|
PN0.6MPa / PN1.0MPa |
||||||||||||
|
15 |
1/2 |
125 |
95 |
65 |
45 |
2 |
14 |
4-ф14 |
100 |
105 |
110 |
3.5 |
|
20 |
3/4 |
135 |
105 |
75 |
55 |
2 |
16 |
4-ф14 |
100 |
115 |
125 |
4 |
|
25 |
1 |
145 |
115 |
85 |
65 |
2 |
16 |
4-ф14 |
120 |
120 |
135 |
5.5 |
|
32 |
11/4 |
160 |
135 |
100 |
78 |
2 |
18 |
4-ф18 |
120 |
125 |
150 |
8 |
|
40 |
11/2 |
180 |
145 |
110 |
85 |
3 |
18 |
4-ф18 |
140 |
135 |
175 |
11 |
|
50 |
2 |
210 |
160 |
125 |
100 |
3 |
20 |
4-ф18 |
140 |
155 |
195 |
14 |
|
65 |
21/2 |
250 |
180 |
145 |
120 |
3 |
20 |
4-ф18 |
200 |
170 |
200 |
23 |
|
80 |
3 |
300 |
195 |
160 |
135 |
3 |
22 |
4-ф18 |
200 |
200 |
255 |
29 |
|
100 |
4 |
350 |
215 |
180 |
155 |
3 |
22 |
8-ф18 |
280 |
270 |
325 |
46 |
|
125 |
5 |
400 |
245 |
210 |
185 |
3 |
24 |
8-ф18 |
320 |
335 |
405 |
70 |
|
150 |
6 |
460 |
280 |
240 |
210 |
3 |
24 |
8-ф23 |
320 |
370 |
450 |
95 |
|
200 |
8 |
570 |
335 |
295 |
265 |
3 |
26 |
8-ф23 |
400 |
480 |
600 |
170 |
|
250 |
10 |
680 |
390 |
350 |
320 |
3 |
28 |
12-ф23 |
500 |
545 |
620 |
270 |
|
300 |
12 |
790 |
435 |
395 |
362 |
4 |
24 |
12-ф23 |
500 |
585 |
680 |
320 |
|
PN1.6MPa |
||||||||||||
|
15 |
1/2 |
130 |
95 |
65 |
45 |
2 |
14 |
4-ф14 |
120 |
110 |
115 |
4 |
|
20 |
3/4 |
150 |
105 |
75 |
55 |
2 |
16 |
4-ф14 |
120 |
120 |
130 |
5 |
|
25 |
1 |
160 |
115 |
85 |
65 |
2 |
16 |
4-ф14 |
140 |
125 |
140 |
6 |
|
32 |
11/4 |
180 |
135 |
100 |
78 |
2 |
18 |
4-ф18 |
140 |
130 |
155 |
9 |
|
40 |
11/2 |
200 |
145 |
110 |
85 |
3 |
18 |
4-ф18 |
160 |
140 |
180 |
12 |
|
50 |
2 |
230 |
160 |
125 |
100 |
3 |
20 |
4-ф18 |
160 |
160 |
200 |
15 |
|
65 |
21/2 |
290 |
180 |
145 |
120 |
3 |
20 |
4-ф18 |
200 |
175 |
205 |
24 |
|
80 |
3 |
310 |
195 |
160 |
135 |
3 |
22 |
8-ф18 |
200 |
205 |
260 |
30 |
|
100 |
4 |
350 |
215 |
180 |
155 |
3 |
24 |
8-ф18 |
280 |
275 |
330 |
48 |
|
125 |
5 |
400 |
245 |
210 |
185 |
3 |
26 |
8-ф18 |
320 |
340 |
410 |
75 |
|
150 |
6 |
480 |
280 |
240 |
210 |
3 |
28 |
8-ф23 |
320 |
375 |
460 |
105 |
|
200 |
8 |
600 |
335 |
295 |
265 |
3 |
30 |
12-ф23 |
400 |
485 |
605 |
182 |
|
250 |
10 |
730 |
405 |
355 |
320 |
3 |
32 |
12-ф25 |
500 |
550 |
625 |
295 |
|
300 |
12 |
850 |
460 |
410 |
375 |
4 |
34 |
12-ф25 |
500 |
590 |
685 |
345 |
以上就是产品的各项参数、尺寸以及产品详情,为了方便我公司生产及技术人员为您准确选型。请您尽量了解口径、压力、使用介质及工况条件,以便我公司提供更准确、更有针对性的服务。如有任何疑问.您可以致电给我们,我们一定会尽心尽力为您提供优质的服务!

联系电话
微信扫一扫