
服务热线021-31001158
您的位置:德国托马斯阀门(Thomas) - 公司新闻

进口电动高温球阀阀体设计采用国际流行的一体式结构,比二瓣式球阀中部减少泄漏点。阀杆采用倒装双密封,完全避免泄漏。阀杆处密封填料、调整垫,均采用回弹性强、耐温、耐磨,耐压、耐腐蚀、自润滑性能良好、无毒型高新复合材料。导热油球阀可替代闸阀、排污阀、柱塞阀、截止阀使用,便于原管道阀门的更换安装。
阀体材质执行器参数
公称通径:DN15-DN200传动方式:电动(带手动)
公称压力:1.6Mpa,2.5Mpa控制电源:110/220V AC;50/60Hz
适用温度:-40℃~425℃动作时间:10s;30s;45s;135s
适用介质:水、蒸汽、酸碱物、导热油防护等级:IP65;IP67可定制IP68
阀体材质:铸铁,铸钢,不锈钢保护装置:内置过热保护、过载保护
连接方式:法兰连接控制方式:开关型、无源触点信号、开度信号、智能型
①高分子复合材料的密封圈材料,具有耐高温,耐高压,耐磨之性能;
②阀体内通道平整光滑,畅通无阻地输送粘性流体,浆液以及固体颗粒等介质;
③适用工作温度350度左右,是导热油专用阀门,广泛应用于石油,化工,制药电力,食品等行业。
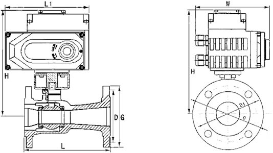
| 主要连接外形和尺寸 | 单位:mm | |||||
| 通径 | L | L1 | W | H | D | D1 |
| 15 | 130 | 119 | 110 | 256 | 95 | 65 |
| 20 | 150 | 155 | 132 | 260 | 105 | 75 |
| 25 | 160 | 155 | 132 | 266 | 115 | 86 |
| 32 | 180 | 155 | 132 | 270 | 136 | 100 |
| 40 | 200 | 208 | 165 | 312 | 146 | 110 |
| 50 | 230 | 208 | 165 | 325 | 160 | 125 |
| 65 | 290 | 208 | 165 | 336 | 180 | 145 |
| 80 | 310 | 256 | 211 | 365 | 195 | 160 |
| 100 | 350 | 256 | 211 | 400 | 215/230 | 180/190 |
| 125 | 400 | 256 | 211 | 420 | 245/270 | 210/220 |
| 150 | 480 | 288 | 235 | 440 | 280/300 | 240/250 |
| 200 | 600 | 288 | 235 | 470 | 335/360 | 295/310 |
注:此外形尺寸为1.6Mpa压力球阀。
进口电动高温球阀可替代闸阀、排污阀、柱塞阀、截止阀使用,便于原管道阀门的更换安装。我公司生产有多种结构长度的 电动高温球阀,可满足用户的各种需求。
以上就是产品的各项参数、尺寸以及产品详情,为了方便我公司生产及技术人员为您准确选型。请您尽量了解口径、压力、使用介质及工况条件,以便我公司提供更准确、更有针对性的服务。如有任何疑问.您可以致电给我们,我们一定会尽心尽力为您提供优质的服务!

联系电话
微信扫一扫