021-31001158  mmvalves@126.com

Z45X消防信号闸阀

更新时间:2024-04-13 10:04:02

Z45X消防信号闸阀

  • 1、产品型号:Z45X。
  • 2、公称通径:DN50~DN600。
  • 3、公称压力:1.0Mpa~2.5Mpa。
  • 4、适用温度:-20ºC~+150ºC。
  • 5、阀体材质:球铁、铸铁、铸钢、不锈钢。
  • 6、适用介质:水、油、气。
  • 7、结构形式:闸板式。
  • 8、连接方式:法兰、马鞍式、卡箍。
  • 9、驱动方式:手动、伞齿轮、电动、气动、液动。
  • 10、制造标准:国标GB、德国DIN、美国API、ANSI。

产品说明

Z45X消防信号闸阀常应用于自动喷水消防管路系统,来临界控供水管路,可以远地指示阀门开度。升杆式闸阀及附开度指示闸阀也经常应用于消防系统,如果闸阀安装位置离地面较高时,一般使用升杆闸阀,可以明显指示闸阀开度,若安装位置较低。则需用付开度指示闸阀。

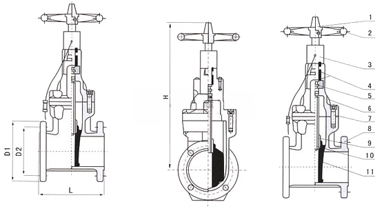
主要零部件材料

NO. 零件名称 材质
1 传动帽 球墨铸铁、铸钢
2 手轮 可锻铸铁
3 防尘罩 塑料
4 密封圈 丁腈橡胶、三元乙丙
5 止推轴承 锡青铜
6 阀盖 灰铸铁、球墨铸铁、铸钢
7 螺栓 碳钢、不锈钢
8 阀体 碳钢、球墨铸铁、铸钢
9 铜螺母 锡青铜
10 阀杆 不锈钢
11 阀瓣 球墨铸铁+三元乙丙或丁腈橡胶

主要技术参数

公称压力:1.0~2.5MPa
公称通径:50~400mm
工作温度:0~120℃
适用介质:水、油、气等
法兰标准:GB/T17241.6GB9113
试验标准:GB13927API598 

外形结构图

主要连接外型尺寸

DN 50 65 80 100 125 150 200 250 300 350 400 450 500 600
L 178 190 203 229 254 267 292 330 356 381 406 432 457 508
H(全开) 732 773 820 870 915 1003 1110 1263 1360 1550 1610 1900 1938 2130

上一篇:没有了 下一篇:没有了


CATEGORIES

CONTACT US

QQ: 769693943

Phone: 13816746668

Tel: 021-31001158

Email: 769693943

Add: 上海市金山区沪杭公路4169号