021-31001158  mmvalves@126.com

Z47WF燃气闸阀

更新时间:2024-04-13 10:04:04

Z47WF燃气闸阀

  • 1、产品型号:Z47WF、Z547WF、Z647WF、Z947WF。
  • 2、公称通径:DN25~DN800。
  • 3、公称压力:1.6Mpa~6.4Mpa。
  • 4、适用温度:-20ºC~+121ºC。
  • 5、阀体材质:WCB、铸钢、碳钢、不锈钢。
  • 6、适用介质:水、石油、天然气。
  • 7、结构形式:闸板式。
  • 8、连接方式:焊接、法兰。
  • 9、驱动方式:手动、伞齿轮、电动、气动。
  • 10、制造标准:国标GB、德国DIN、美国API、ANSI。

产品说明

Z47WF燃气闸阀专用于天然气、液体石油气煤气、油品等,它以独特的设计、新颖的结构和良好的密封性能彻底解决了阀门因燃气结焦而引起的关不严、开不动等问题,有效地提高了密封性能和使用寿命,真正达到零泄漏。

产品特点

1.阀体采用铸造结构。
2.阀座采用 O 形密封圈密封和施加预紧力的浮动阀座结构,使阀门进出口双向密封;并且该结构的启闭力矩仅为普通阀门的 1/2,能达到轻松开、关阀门。
3.阀座采用密封面上镶嵌 PTFE,具有 PTFE 对金属和金属对金属的双重密封,PTFE 密封面同时清除闸板脏物的作用。
4.阀门的闸板,无论是全开或是全关始终与密封面吻合,密封面得到保护不受介质直接冲刷,从而延长使用寿命。
5.阀门在全开时,通道平滑为直线,流阻系数极小,无压力损失,可通毛球清扫管线。
6.阀门关闭时能自动卸掉内腔高压(详见工作原理图),保证使用安全。
7.采用封闭齿轮转动启闭指示机构,能长期清晰地反映阀门的启闭情况。
8.直埋式阀门外表面采用环氧煤沥青防腐处理,能与管线同寿命。

产品执行标准

设计与制造:API 600
法兰尺寸:ANSI B16.5
结构长度:ANSI B16.10
压力~温度:ANSI B16.34
检验与试验:API 598

主要性能规范

压力等级 常温试验压力(MPa) 适用温度 适用介质
壳体试验 左密封 右密封 低压气密封 普通型 抗硫型
公称压力
(MPa)
1.6 2.4 1.76 1.76 0.6 -29~121℃或按用户要求 石油、天然气、水等非腐蚀性介质 含H2S、Co2的石油、天然气、水等腐蚀性介质
2.5 3.75 2.75 2.75 0.6
4.0 6.0 4.4 4.4 0.6
6.4 9.6 7.04 7.04 0.6
磅级(Lb) 150 3.0 2.2 2.2 0.6
300 7.5 5.5 5.5 0.6

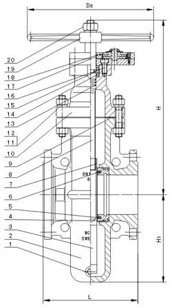
主要零件材质

序号 零件名称 材料
1 排污堵头 25
2 阀体 WCB
3 闸板 16Mn+ENP
4 阀座 16Mn
5 O形圈 NBR
6 密封圈 PTFE
7 阀杆螺母 ZQAL9-4
8 阀杆 1Cr13
9 垫片 柔性石墨+1Cr18Ni9
10 阀盖 WCB
11 双头螺柱 35CrMo
12 螺母 45
13 O形圈 NBR
14 轴承 组件Package
15 对开环 45
16 内六角螺钉 35
17 45
18 开关指示器 PTFE+1Cr18Ni9
19 手轮 Q235A
20 螺母 35

外形结构图

主要外形和连接尺寸

DN
(mm)
NPS
(in)
法兰 对焊 手动
L L1 H H1 D0
25 1 165 - 85 228 180
32 11/4 165 - 103 231 180
40 11/2 178 - 115 240 250
50 2 178 216 130 255 250
65 21/2 190 241 160 355 300
80 3 203 283 180 360 300
100 4 229 305 214 400 300
125 5 254 381 257 460 350
150 6 267 403 300 500 350
200 8 292 419 388 570 350
250 10 330 457 475 680 400
300 12 356 502 547 750 450
350 14 381 572 625 875 450
400 16 406 610 712 1000 500
450 18 432 660 785 1130 500
500 20 457 711 880 1200 600
600 24 508 813 1045 1420 800
700 28 610 914 1190 1650 800
800 32 660 914 1360 1880 1000
900 36 771 1016 1510 2100 1000
1000 40 811 - 1715 2300 1200

上一篇:没有了 下一篇:没有了


CATEGORIES

CONTACT US

QQ: 769693943

Phone: 13816746668

Tel: 021-31001158

Email: 769693943

Add: 上海市金山区沪杭公路4169号