021-31001158  mmvalves@126.com

ZJHPF46气动波纹管衬氟调节阀

更新时间:2024-04-13 10:04:00

ZJHPF46气动波纹管衬氟调节阀

  • 1、产品型号:ZJHPF46。
  • 2、公称通径:DN20~DN300。
  • 3、公称压力:1.6MPa~2.5MPa~4.0MPa。
  • 4、适用温度:-29ºC~+180ºC。
  • 5、阀体材质:铸钢、不锈钢。
  • 6、适用介质:腐蚀性水、腐蚀性液体、腐蚀性气体。
  • 7、结构形式:单座、套筒式、笼式。
  • 8、连接方式:法兰。
  • 9、驱动方式:气动。
  • 10、制造标准:国标GB、德国DIN、美国API、ANSI。

产品说明

ZJHPF46气动波纹管衬氟调节阀是由气动薄膜执行机构直通单座衬氟调节阀阀体两部分组成。采用顶部导向结构,配用多弹簧执行机构,具有结构紧凑、重量轻、动作灵敏、流体通道呈S流线型、压降损失小、阀容量大、流量特性精确、拆装方便等优点。广泛应用于精确控制气体、液体等介质的工艺参数对压力、流量、温度、液位保持在给定值。气动衬四氟调节阀阀体接触腐蚀介质的部位均采用耐腐蚀、抗老化的聚全氟乙丙烯,高压衬氟塑工艺,又采用聚四氟乙烯波纹管密封。衬四氟气动调节阀具有对酸、碱等高强腐蚀介质和有毒挥发的气体、液体介质流量的调控。因而衬四氟气动调节阀广泛适用于化工、冶金、医药等行业中。

产品特点

(1)耐腐性好:阀体内腔、阀芯、阀座、均包衬有3mm厚的聚全氟乙丙烯,能耐强腐蚀性流体。
(2)密封性能好:采用聚四氟乙烯波纹管和填料双重密封。
(3)泄漏量少:由于阀芯、阀座是软密封的泄漏量远远低于国家Ⅳ级标准。
(4)调节精度高:采用精小型的气动执行机构和电动执行机构,体积小,重量轻。
(5)特别适用于允许泄漏量小且阀前后压差不大的场合。本系列产品有标准型、调节切断型。产品公称压力等级有PN0.6、1.0、1.6、2.5、class 150LB;公称通径范围DN20~300;使用温度由-20℃~ 200℃范围内多种档次;泄漏等级VI级,流量特性为线性或等百分比。

结构特征

气开-气关正反作用

 

技术参数

公称通径(DN) 20 25 32 40 50 65 80 100 150
阀座直径(dn) 20 25 32 40 50 65 80 100 150
额定流量系数(KV) 5.0 8 12 20 32 50 70 100 240
允许压差(MPa) 3.8 3.2 3.0 2.0 1.8 1.5 1.4 1.0 0.6
公称压力(MPa) 1.6、2.5、4.0、6.4
额定行程(mm) 16 25 40 60
配用执行器型号 ZHA/B-22 ZHA/B-23 ZHA/B-34 ZHA/B45
阀芯形式 单座柱塞式衬氟阀芯
流量特性 快开特性

执行机构

配置执行器类别 ZHA/B多弹簧簿膜执行机构
执行器型号 ZHA/B-22 ZHA/B-23 ZHA/B-34 ZHA/B-45 ZHA/B-56
有效面积(cm2) 350 350 560 900 1400
行程(mm) 10、16 24 40 40、60 100
弹簧范围(KPa) 20~100(标准)、20-60、60-100、40-200、80-240
膜片材料 丁腈橡胶夹尼龙布、乙丙橡胶夹尼龙布
供气压力 140~400KPa
气源接口 RC1/4"
环境温度 -30~+70℃
可配附件 定位器、空气过滤减压器、保位阀、行程开关、阀位传送器、手轮机构等
作用形式 气关式(B)—失气时阀位开(FO);气开式(K)—失气时阀位关(FC)

性能指标

项目 不带定位器 带定位器
基本误差% ±5.0 ±1.0
回差% 3.0 1.0
死区% 3.0 0.4
始终点偏差% 气开 始点 ±2.5 ±1.0
始点 ±5.0 ±1.0
气关 始点 ±5.0 ±1.0
终点 ±2.5 ±1.0
额定行程偏差% ≤2.5
泄露量L/h 0.01%×阀额定容量
可调范围R 30:1

零件材料

阀体、阀盖 ZG230-450衬F46
阀座、阀芯 304衬F46
阀杆 304衬F46
导向套 304衬F46
波纹管 不锈钢+F46

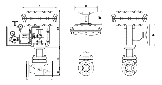
外形结构图

 

主要外形尺寸

公称通径(DN) 20 25 32 40 50 65 80 100 125 150
L PN16/25 181 184 200 222 254 276 298 352 410 451
PN40 194 197 200 235 267 292 317 368 425 473
PN64 206 200 210 251 286 311 337 394 440 508
H PN16/25 52.5 57.5 75 75 85.5 92.5 100 110 142.5 158
PN40 52.5 57.5 75 75 82.5 92.5 100 117.5 150 167.5
PN64 65 40 85 85 90 102.5 107.5 125 172.5 195
H1 132 132 158 170 179 214 221 234 270 294
H2 298 298 298 298 298 380 380 380 510 510
H3 180 180 180 180 180 236 236 236 310 310
L1 289 289 289 289 289 347 347 347 476 476
A 282 282 282 282 282 360 360 360 470 470
D 220 220 220 220 220 270 270 270 320 320

上一篇:没有了 下一篇:没有了


CATEGORIES

CONTACT US

QQ: 769693943

Phone: 13816746668

Tel: 021-31001158

Email: 769693943

Add: 上海市金山区沪杭公路4169号