021-31001158  mmvalves@126.com

ZJHS气动薄膜角形单座调节阀

更新时间:2024-04-13 10:04:15

ZJHS气动薄膜角形单座调节阀

  • 1、产品型号:ZJHS。
  • 2、公称通径:DN20~DN200。
  • 3、公称压力:1.6MPa~6.4MPa。
  • 4、适用温度:-29ºC~+550ºC。
  • 5、阀体材质:铸钢、不锈钢。
  • 6、适用介质:水、油品、蒸汽、液体。
  • 7、结构形式:角形。
  • 8、连接方式:法兰。
  • 9、驱动方式:气动。
  • 10、制造标准:国标GB、德国DIN、美国API、ANSI。

产品说明

ZJHS气动薄膜角形单座调节阀是采用顶部导向结构,由多弹簧气动薄膜执行机构和角式调节阀阀体组成。气动角型调节阀具有结构紧凑、重量轻、动作灵敏、流体通道呈流线型、压降损失小、阀容量大、流量特性精确、拆装方便等优点。气动薄膜角形单座调节阀配用电-气阀门定位或气动阀门定位器,可实现对工艺管路流体介质的自动调节控制。气动角式高压调节阀具有体积小、重量轻、阀芯采用顶导向结构,流路简单、阻力小、易于冲洗的特点。气动薄膜角形单座调节阀广泛应用于精确控制气体、液体等介质,工艺参数如压力、流量、温度、液位保持在给定值。气动角式高压调节阀特别适用于允许泄露量小阀前阀后压差不大的高粘度、含有悬浮物和颗粒状物质的的调节,可避免结焦、堵塞,便于自净与清洗的场合 。

阀体

形      式 角式单座铸造球型阀
公称通径 20、32、40、50、65、80、100、1 25、150、200mm
公称压力 PN16、40、64bar
法兰标准 JB/T79.1-94、79.2-94等
材      料 铸钢( ZG230450)、不锈钢(ZGICr18Ni9Ti、ZGICr18Ni12M02Ti)等
上  阀  盖 标准型:-17-230℃  散热型:230-450℃  低温型:-60--196℃  波纹管密封型:-40-350℃
阀盖形式 螺栓压紧式
填      料 V型聚四氟乙烯填料、含浸聚四氰乙烯石棉填料、石棉纺织填料、石墨填料
结构形式 (详见图1-图4)

阀内组件

阀芯型式 单座柱塞型阀芯    
流量特性 等百分比特性和线性特性    
材      料 不锈钢(1Cr18Ni9Ti、1Cr18Ni12M02Ti、17-4PH、9Cr18、316L)、不锈钢堆司太莱合金、钛和耐腐蚀台金等。    

执行机构

型      式 ZHA/B多弹簧薄膜执行机构
型      号 ZHA/B-22 ZHA/B-23 ZHA/B-34 ZHA/B-45 ZHA/B-56
有效面积cm2 350 350 560 900 1400
行程mm 10、16 25 40 40、60 100
弹簧范围KPa 20-100(标准)、20-60、60-100、40-200、80-240
膜片材料 丁晴橡胶夹尼龙布、乙丙橡胶夹尼龙布
供气压力 140-400KPa
气源接口 RC1/4"
环境温度 -30-70℃
阀作用形式
气关式(B)- 失气时阀位开(FO);气开式(K)一失气时阀位关(FC)
附件
定位器、空气过滤减压器、保位阀、行程开关、阀位传送器、手轮机构等

性能

项        目 不带定位器 带定位器
基本误差% ±5.0 ±1.0
回      差% ≤3.0 ≤1.0
死      区% ≤3.0 ≤0.4
始终点偏差% 气开 始点 土2.5 ±1.0
终点 ±5.0 ±1.0
气关 始点 ±5.0 ±1.0
终点 土2.5 ±1.0
额定行程偏差% ≤2.5
泄漏量1/h 0.01%X阀额定容量
可调范围R 30:1

额定流量系数Kv、额定行程

公称通径DN(mm) 20 25 32 40 50 65 80 100 125 150 200
阀座直径DN(mm) 10 12 15 20 25 32 40 50 65 80 100 125 150 200
额定流量系数Kv 1.6 2.5 4 6.3 10 16 25 40 63 100 160 250 400 630
额定行程L(mm) 10 16 25 40 60
配用执行机构型号 ZHA/B-22   ZHA/B-23 ZHA/B-34 ZHA/B-45

允许压差

公称通径DN (mm) 20 25 32 40 50 65 80 100 125 150 200
阀座直径DN (mm) 10 12 15 20 25 32 40 50 65 80 100 125 150 200
执行机构 ZHA/B-22 ZHA/B-23 ZHA/B-34 ZHA/B-45
作用
方式
气源压力
(Kpa)
弹簧范围
(Kpa)
允许压差△(bar)
气关 140 20~100 46.4 30.9 19.8 11.1 7.1 4.4 2.8 1.8 1.7 1.1 0.7 0.7 0.5 0.3
250 20~100 64 64 59.4 33.4 21.4 13.1 8.4 5.3 5.1 3.3 2.1 2.2 1.5 0.9
400 40-200 64 64 64 6.4 49.9 30.5 19.5 12.5 11.8 7.8 5 5.1 3.6 2.1
气开 140 20~100 64 61.9 39.6 32.3 14.3 8.7 5.6 3.5 3.4 2.2 1.7 1.5 1.1 0.6
250 40-200 64 64 64 64 64 56.8 36.4 23 22.1 14.3 9.1 9.5 6.6 3.7
400 80-240 64 64 64 6.4 64 64 50.4 31.8 30.6 19.8 12.6 13.2 9.2 5.2
备注:对于波纹管密封调节阀,最大允许压差为10bar,表中数值若小于10bar则不变,若大于10bar则取l0bar。

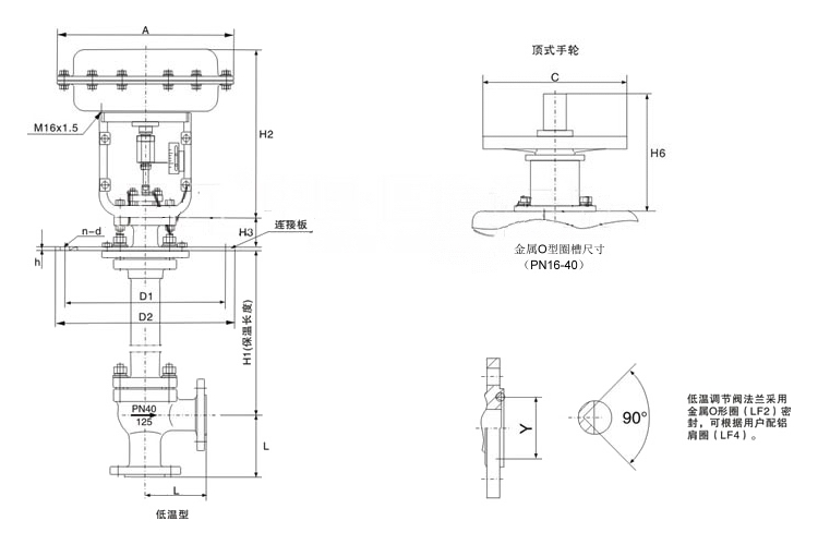
外形结构图

主要外形尺寸

公祢通径 20 25 32 40 50 65 80 100 125 150 200
L PN16/40 85 95 115 115 130 145 155 175 200 240 300
PN64 100 115 130 130 150 170 190 215 250 275 325
A   285 285 285 285 285 360 360 360 470 470 470
H1 PN16/40 107 107 114 132 137 164 174 189 213 243 298
PN64 119 119 122 140 157 169 179 200 230 250 304
H2   298 298 298 298 298 380 380 380 510 510 510
H3 PN16/40 267 267 282 300 305 402 412 427 474 504 559
PN64 279 279 290 308 315 407 417 438 621 641 695
H4 PN16/40 267 267 282 300 305 402 412 427 604 634 689
PN64 279 279 290 308 315 407 417 438 621 641 695
C   220 220 220 220 220 270 270 270 320 320 320
H6   180 180 180 180 180 236 236 236 310 310 310
重量
(kg)
PN16/40 16 17 19 24 30 48 57 64 100 120 185
PN64 20 21 25 34 42 64 72 83 138 150 225
备注:
1、  表中重量为不带附件标准数据,也可安装侧装式手轮。
2、阀门法兰及法兰端面距可按用户指定标准制造,如:ANSI,JIS,DIN标准。

外形结构图

主要外形尺寸

公祢通径 20 25 32 40 50 65 80 100 125 150 200
L PN16/40 85 95 115 115 130 145 155 175 200 240 300
PN64 100 115 130 130 150 170 190 215 250 275 325
A   285 285 285 285 285 360 360 360 470 470 470
H1   700 700 700 700 700 700 700 700 700 700 700
H2   298 298 298 298 298 380 380 380 510 510 510
H3   88 88 88 88 88 94 94 94 110 110 110
D1 PN16/40 230 230 250 270 305 342 375 430 490 556 665
PN64 270 270 305 342 375 430 490 556 665 665 765
D2 PN16/40 310 310 335 355 390 430 465 520 585 660 770
PN64 355 355 390 430 465 520 585 600 770 770 890
D2 PN16/40 15 15 15 15 15 18 18 18 20 20 20
n-d PN16/40 8-12 8-12 8-12 8-14 8-14 10-14 10-14 12-16 14-16 16-16 18-16
PN64 8-14 8-14 8-14 10-14 10-14 12-16 14-16 16-16 18-16 18-16 18-16
Y   45 45 60 65 75 90 104 135 165 195 245
C   220 220 220 220 220 265 270 270 320 320 320
H6   180 180 180 180 180 240 236 236 310 310 310
重量 (kg) 36 43 46 54 62 82 95 128 190 252 283
备注:
1、保温长度以700mm为例,表中重量为PN16数据,也可安装侧装式手轮。
2、阀门法兰及法兰端面距可按用户指定标准制造,如:ANSI,JIS,DIN标准。

上一篇:没有了 下一篇:没有了


CATEGORIES

CONTACT US

QQ: 769693943

Phone: 13816746668

Tel: 021-31001158

Email: 769693943

Add: 上海市金山区沪杭公路4169号