| 形 式 | 角式单座铸造球型阀 |
| 公称通径 | 20、32、40、50、65、80、100、1 25、150、200mm |
| 公称压力 | PN16、40、64bar |
| 法兰标准 | JB/T79.1-94、79.2-94等 |
| 材 料 | 铸钢( ZG230450)、不锈钢(ZGICr18Ni9Ti、ZGICr18Ni12M02Ti)等 |
| 上 阀 盖 | 标准型:-17-230℃ 散热型:230-450℃ 低温型:-60--196℃ 波纹管密封型:-40-350℃ |
| 阀盖形式 | 螺栓压紧式 |
| 填 料 | V型聚四氟乙烯填料、含浸聚四氰乙烯石棉填料、石棉纺织填料、石墨填料 |
| 结构形式 | (详见图1-图4) |
| 阀芯型式 | 单座柱塞型阀芯 | ||
| 流量特性 | 等百分比特性和线性特性 | ||
| 材 料 | 不锈钢(1Cr18Ni9Ti、1Cr18Ni12M02Ti、17-4PH、9Cr18、316L)、不锈钢堆司太莱合金、钛和耐腐蚀台金等。 |
| 型 式 | ZHA/B多弹簧薄膜执行机构 | ||||
| 型 号 | ZHA/B-22 | ZHA/B-23 | ZHA/B-34 | ZHA/B-45 | ZHA/B-56 |
| 有效面积cm2 | 350 | 350 | 560 | 900 | 1400 |
| 行程mm | 10、16 | 25 | 40 | 40、60 | 100 |
| 弹簧范围KPa | 20-100(标准)、20-60、60-100、40-200、80-240 | ||||
| 膜片材料 | 丁晴橡胶夹尼龙布、乙丙橡胶夹尼龙布 | ||||
| 供气压力 | 140-400KPa | ||||
| 气源接口 | RC1/4" | ||||
| 环境温度 | -30-70℃ | ||||
| 项 目 | 不带定位器 | 带定位器 | ||
| 基本误差% | ±5.0 | ±1.0 | ||
| 回 差% | ≤3.0 | ≤1.0 | ||
| 死 区% | ≤3.0 | ≤0.4 | ||
| 始终点偏差% | 气开 | 始点 | 土2.5 | ±1.0 |
| 终点 | ±5.0 | ±1.0 | ||
| 气关 | 始点 | ±5.0 | ±1.0 | |
| 终点 | 土2.5 | ±1.0 | ||
| 额定行程偏差% | ≤2.5 | |||
| 泄漏量1/h | 0.01%X阀额定容量 | |||
| 可调范围R | 30:1 | |||
| 公称通径DN(mm) | 20 | 25 | 32 | 40 | 50 | 65 | 80 | 100 | 125 | 150 | 200 | |||
| 阀座直径DN(mm) | 10 | 12 | 15 | 20 | 25 | 32 | 40 | 50 | 65 | 80 | 100 | 125 | 150 | 200 |
| 额定流量系数Kv | 1.6 | 2.5 | 4 | 6.3 | 10 | 16 | 25 | 40 | 63 | 100 | 160 | 250 | 400 | 630 |
| 额定行程L(mm) | 10 | 16 | 25 | 40 | 60 | |||||||||
| 配用执行机构型号 | ZHA/B-22 | ZHA/B-23 | ZHA/B-34 | ZHA/B-45 | ||||||||||
| 公称通径DN (mm) | 20 | 25 | 32 | 40 | 50 | 65 | 80 | 100 | 125 | 150 | 200 | |||||
| 阀座直径DN (mm) | 10 | 12 | 15 | 20 | 25 | 32 | 40 | 50 | 65 | 80 | 100 | 125 | 150 | 200 | ||
| 执行机构 | ZHA/B-22 | ZHA/B-23 | ZHA/B-34 | ZHA/B-45 | ||||||||||||
|
作用 方式 |
气源压力 (Kpa) |
弹簧范围 (Kpa) |
允许压差△(bar) | |||||||||||||
| 气关 | 140 | 20~100 | 46.4 | 30.9 | 19.8 | 11.1 | 7.1 | 4.4 | 2.8 | 1.8 | 1.7 | 1.1 | 0.7 | 0.7 | 0.5 | 0.3 |
| 250 | 20~100 | 64 | 64 | 59.4 | 33.4 | 21.4 | 13.1 | 8.4 | 5.3 | 5.1 | 3.3 | 2.1 | 2.2 | 1.5 | 0.9 | |
| 400 | 40-200 | 64 | 64 | 64 | 6.4 | 49.9 | 30.5 | 19.5 | 12.5 | 11.8 | 7.8 | 5 | 5.1 | 3.6 | 2.1 | |
| 气开 | 140 | 20~100 | 64 | 61.9 | 39.6 | 32.3 | 14.3 | 8.7 | 5.6 | 3.5 | 3.4 | 2.2 | 1.7 | 1.5 | 1.1 | 0.6 |
| 250 | 40-200 | 64 | 64 | 64 | 64 | 64 | 56.8 | 36.4 | 23 | 22.1 | 14.3 | 9.1 | 9.5 | 6.6 | 3.7 | |
| 400 | 80-240 | 64 | 64 | 64 | 6.4 | 64 | 64 | 50.4 | 31.8 | 30.6 | 19.8 | 12.6 | 13.2 | 9.2 | 5.2 | |
| 公祢通径 | 20 | 25 | 32 | 40 | 50 | 65 | 80 | 100 | 125 | 150 | 200 | |
| L | PN16/40 | 85 | 95 | 115 | 115 | 130 | 145 | 155 | 175 | 200 | 240 | 300 |
| PN64 | 100 | 115 | 130 | 130 | 150 | 170 | 190 | 215 | 250 | 275 | 325 | |
| A | 285 | 285 | 285 | 285 | 285 | 360 | 360 | 360 | 470 | 470 | 470 | |
| H1 | PN16/40 | 107 | 107 | 114 | 132 | 137 | 164 | 174 | 189 | 213 | 243 | 298 |
| PN64 | 119 | 119 | 122 | 140 | 157 | 169 | 179 | 200 | 230 | 250 | 304 | |
| H2 | 298 | 298 | 298 | 298 | 298 | 380 | 380 | 380 | 510 | 510 | 510 | |
| H3 | PN16/40 | 267 | 267 | 282 | 300 | 305 | 402 | 412 | 427 | 474 | 504 | 559 |
| PN64 | 279 | 279 | 290 | 308 | 315 | 407 | 417 | 438 | 621 | 641 | 695 | |
| H4 | PN16/40 | 267 | 267 | 282 | 300 | 305 | 402 | 412 | 427 | 604 | 634 | 689 |
| PN64 | 279 | 279 | 290 | 308 | 315 | 407 | 417 | 438 | 621 | 641 | 695 | |
| C | 220 | 220 | 220 | 220 | 220 | 270 | 270 | 270 | 320 | 320 | 320 | |
| H6 | 180 | 180 | 180 | 180 | 180 | 236 | 236 | 236 | 310 | 310 | 310 | |
|
重量 (kg) |
PN16/40 | 16 | 17 | 19 | 24 | 30 | 48 | 57 | 64 | 100 | 120 | 185 |
| PN64 | 20 | 21 | 25 | 34 | 42 | 64 | 72 | 83 | 138 | 150 | 225 | |
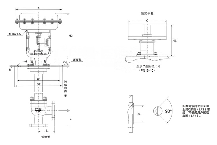
| 公祢通径 | 20 | 25 | 32 | 40 | 50 | 65 | 80 | 100 | 125 | 150 | 200 | |
| L | PN16/40 | 85 | 95 | 115 | 115 | 130 | 145 | 155 | 175 | 200 | 240 | 300 |
| PN64 | 100 | 115 | 130 | 130 | 150 | 170 | 190 | 215 | 250 | 275 | 325 | |
| A | 285 | 285 | 285 | 285 | 285 | 360 | 360 | 360 | 470 | 470 | 470 | |
| H1 | 700 | 700 | 700 | 700 | 700 | 700 | 700 | 700 | 700 | 700 | 700 | |
| H2 | 298 | 298 | 298 | 298 | 298 | 380 | 380 | 380 | 510 | 510 | 510 | |
| H3 | 88 | 88 | 88 | 88 | 88 | 94 | 94 | 94 | 110 | 110 | 110 | |
| D1 | PN16/40 | 230 | 230 | 250 | 270 | 305 | 342 | 375 | 430 | 490 | 556 | 665 |
| PN64 | 270 | 270 | 305 | 342 | 375 | 430 | 490 | 556 | 665 | 665 | 765 | |
| D2 | PN16/40 | 310 | 310 | 335 | 355 | 390 | 430 | 465 | 520 | 585 | 660 | 770 |
| PN64 | 355 | 355 | 390 | 430 | 465 | 520 | 585 | 600 | 770 | 770 | 890 | |
| D2 | PN16/40 | 15 | 15 | 15 | 15 | 15 | 18 | 18 | 18 | 20 | 20 | 20 |
| n-d | PN16/40 | 8-12 | 8-12 | 8-12 | 8-14 | 8-14 | 10-14 | 10-14 | 12-16 | 14-16 | 16-16 | 18-16 |
| PN64 | 8-14 | 8-14 | 8-14 | 10-14 | 10-14 | 12-16 | 14-16 | 16-16 | 18-16 | 18-16 | 18-16 | |
| Y | 45 | 45 | 60 | 65 | 75 | 90 | 104 | 135 | 165 | 195 | 245 | |
| C | 220 | 220 | 220 | 220 | 220 | 265 | 270 | 270 | 320 | 320 | 320 | |
| H6 | 180 | 180 | 180 | 180 | 180 | 240 | 236 | 236 | 310 | 310 | 310 | |
| 重量 | (kg) | 36 | 43 | 46 | 54 | 62 | 82 | 95 | 128 | 190 | 252 | 283 |
QQ: 769693943
Phone: 13816746668
Tel: 021-31001158
Email: 769693943
Add: 上海市金山区沪杭公路4169号