021-31001158  mmvalves@126.com

ZJHP,ZJHM气动薄膜单座调节阀

更新时间:2024-04-13 10:04:08

ZJHP,ZJHM气动薄膜单座调节阀

  • 1、产品型号:ZJHP、ZJHM。
  • 2、公称通径:DN20~DN200。
  • 3、公称压力:1.6MPa~6.4MPa。
  • 4、适用温度:-29ºC~+550ºC。
  • 5、阀体材质:铸钢、不锈钢。
  • 6、适用介质:水、油品、蒸汽、液体。
  • 7、结构形式:单座。
  • 8、连接方式:法兰、焊接、螺纹。
  • 9、驱动方式:气动。
  • 10、制造标准:国标GB、德国DIN、美国API、ANSI。

产品说明

ZJHP、ZJHM气动薄膜单座调节阀是由多弹簧气动薄膜执行机构和低流阻精小型调节阀阀体组成,多弹簧执行机构高度低、重量轻、装备简便。气动薄膜单座调节阀阀体流道呈S流线型,具有结构紧凑、重量轻、动作灵敏、压降损失小、阀容量大、流量特性精确、维护方便等优点,可用于苛刻的工作条件。气动薄膜单座调节阀配用电-气阀门定位或气动阀门定位器,可实现对工艺管路流体介质的自动调节控制。气动薄膜单座调节阀广泛应用于精确控气体、液体、蒸汽等介质的工艺参数如压力、流量、温度、液位等参数保持在给定值气。ZJHP、ZJHM气动薄膜单座调节阀特别适用于允许泄露量小、阀前后压差不大及有一定粘度和含少量纤维介质的场合。

阀体

形      式 直通单座铸造球型阀
公称通径 20、25、32、40、50、65、80、100、125、150、200mm
公称压力 PN16、40、64bar
法兰标准 JB/T79.1-94、792-94等
材      料 铸钢( ZG230450)、铸不锈钢(ZGICr18Ni9Ti、ZGICr18Ni12M02Ti)等
上  阀  盖 标准型:-17-230℃  散热型:230-450℃  低温型:-60--196℃  波纹管密封型:-40-350℃
阀盖形式 螺栓压紧式
填      料 V型聚四氟乙烯填料、含浸聚四氰乙烯石棉填料、石棉纺织填料、石墨填料

阀内组件

阀芯型式 单座柱塞型阀芯、套筒阀芯
流量特性 等百分比特性和线性特性
材      料 不锈钢(1Cr18Ni9Ti、1Cr18Ni12M02Ti、17-4PH、9Cr18、316L)、不锈钢堆司太莱合金、钛和耐腐蚀台金等。

执行机构

型      式 ZHA/B多弹簧薄膜执行机构
型      号 ZHA/B-22 ZHA/B-23 ZHA/B-34 ZHA/B-45 ZHA/B-56
有效面积cm2 350 350 560 900 1400
行程mm 10、16 25 40 40、60 100
弹簧范围KPa 20-100(标准)、20-60、60-100、40-200、80-240
膜片材料 丁晴橡胶夹尼龙布、乙丙橡胶夹尼龙布
供气压力 140-400KPa
气源接口 RCl/4"
环境温度 -30-70℃
作用形式
气关式(B)- 失气时阀位开(FO);气开式(K)一失气时阀位关(FC)
附件
定位器、空气过滤减压器、保位阀、行程开关、阀位传送器、手轮机构等

性能

项        目 不带定位器 带定位器
基本误差% ±5.0 ±1.0
回      差% ≤3.0 ≤1.0
死      区% ≤3.0 ≤0.4
始终点偏差% 气开 始点 土2.5 ±1.0
终点 ±5.0 ±1.0
气关 始点 ±5.0 ±1.0
终点 土2.5 ±1.0
额定行程偏差% ≤2.5
泄漏量1/h 0.01%X阀额定容量
可调范围R 30:1

额定流量系数Kv、额定行程

公称通径DN(mm)   20 25 32 40 50 65 80 100 125 150 200
阀座直径DN(mm)   10 12 15 20 25 32 40 50 65 80 100 125 150 200
额定流量系数Kv 直线 1.8 2.8 4.4 6.9 11 17.6 27.5 44 69 110 176 275 440 690
等百分比 1.6 2.5 4.0 6.3 10 16 25 40 63 100 160 250 400 630
额定行程L(mm)   10 16 25 40 60
配用执行机构型号   ZHA/B-22 ZHA/B-23 ZHA/B-34 ZHA/B-45

分解图(1)

分解图(2)

允许压差

公称通径DN (mm) 20 25 32 40 50 65 80 100 125 150 200
阀座直径DN (mm) 10 12 15 20 25 32 40 50 65 80 100 125 150 200
执行机构 ZHA/B-22 ZHA/B-23 ZHA/B-34 ZHA/B-45
作用
方式
气源压力
(Kpa)
弹簧范围
(Kpa)
允许压差△(bar)
气关 140 20~100 64 61.9 39.6 22.3 21.4 8.7 5.6 3.5 3.4 2.2 1.4 1.5 1 0.6
250 20~100 64 64 64 64 64 56.8 36.4 23 22.1 14.3 9.1 9.5 6.6 3.7
400 40-200 64 64 64 64 64 64 50.4 31.8 30.6 19.8 2.6 13.2 9.2 5.2
气开 140 20~100 44.6 30.9 19.8 11.6 7 4.4 2.8 1.8 11.7 1.1 0.7 0.7 0.5 0.3
250 40-200 64 64 59.4 33.4 21.4 13.1 8.1 5.3 5.1 3.3 2.1 2.2 1.5 0.9
400 80-240 64 64 64 64 49.9 30.5 19.5 12.5 11.8 7.8 5 5.1 3.6 2.1
备注:对于波纹管密封调节阀,最大允许压差为10bar,表中数值若小于10bar则不变,若大于10bar则取l0bar.

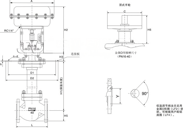
外形结构图

主要外形尺寸

外形尺寸及重量     单位:mm
公祢通径 20 25 32 40 50 65 80 100 125 150 200
L PN16/40 181 184 220 222 254 276 298 352 410 451 600
PN64 206 210 251 251 286 311 337 394 457 508 650
A   285 285 285 285 285 360 360 360 470 470 470
H1 PN16/40 128 128 152 152 160 205 205 208 273 330 364
PN64 140 140 160 160 180 210 210 220 290 340 370
H2   298 298 298 298 298 380 380 380 510 510 510
H3 PN16/40 208 208 224 228 228 334 334 342 408 453 482
PN64 220 220 240 240 240 350 350 360 420 470 500
H4   238 238 402 402 405 627 628 635 698 702 728
H5 PN16/40 53 58 68 73 80 90 98 108 123 140 168
PN64 63 68 75 83 88 100 105 125 148 170 203
C   220 220 220 220 220 270 270 270 320 320 320
H6   180 180 180 180 180 236 236 236 310 310 310
重量
(kg)
PN16/40 21 22 24 32 38 62 67 83 132 160 245
PN64 24 25 30 42 52 78 82 102 170 190 285
备注:
1、表中重量为不带附件标准数据,也可安装侧装式手轮。
2、阀门法兰及法兰端面距可按用户指定标准制造,如:ANSI,JIS,DIN标准。

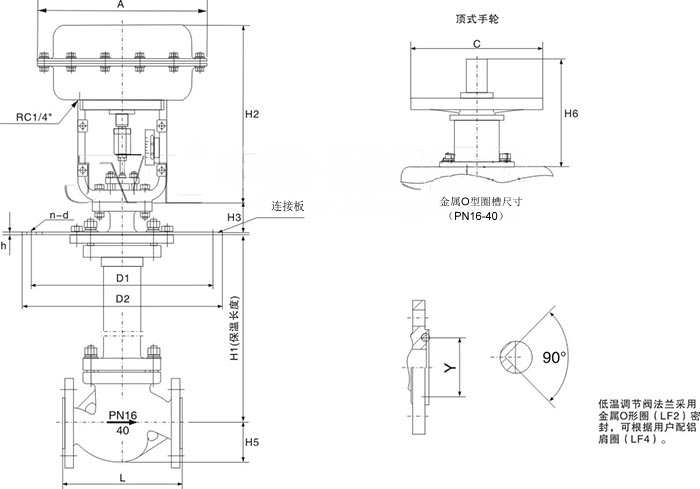
外形结构图

主要外形尺寸

公祢通径 20 25 32 40 50 65 80 100 125 150 200
L PN16/40 181 184 220 222 254 276 298 352 410 451 600
PN64 206 210 251 251 286 311 337 394 457 508 650
A   285 285 285 285 285 360 360 360 470 470 470
H1   700 700 700 700 700 700 700 700 700 700 700
H2   298 298 298 298 298 380 380 380 510 510 510
H3   88 88 88 88 88 94 94 94 110 110 110
H5 PN16/40 53 58 68 73 80 90 98 108 123 140 168
PN64 63 68 75 83 88 100 105 125 148 170 203
D1 PN16/40 230 230 250 270 305 342 375 430 490 556 665
PN64 270 270 305 342 375 430 490 556 665 665 765
D2 PN16/40 310 310 335 335 390 430 465 502 585 660 770
PN64 355 355 390 430 465 520 585 600 770 770 890
h   15 15 15 15 15 18 18 18 20 20 20
n-d PN16/40 8-12 8-12 8-12 8-14 8-14 10-14 10-14 12-16 14-16 16-16 18-16
PN64 8-14 8-14 8-14 10-14 10-14 12-16 14-16 16-16 18-16 18-16 18-16
Y   45 45 60 65 75 90 104 135 165 195 245
C   220 220 220 220 220 270 270 270 320 320 320
H6   180 180 180 180 180 236 236 236 310 310 310
重量 (kg) 40 48 52 60 68 90 105 143 210 282 315
备注:
1、  保温长度以700mm为例,表中重量为PN16数据,也可安装侧装式手轮。
2、阀门法兰及法兰端面距可按用户指定标准制造,如:ANSI,JIS,DIN标准。

外形结构图


主要外形尺寸
公祢通径 20 25 32 40 50 65 80 100 125 150 200
L 181 184 220 222 254 276 298 352 410 451 600
A 285 285 285 285 285 360 360 360 470 470 470
H1 152 152 177 177 183 221 221 230 315 355 385
H2 298 298 298 298 298 380 380 380 510 510 510
H3 220 220 240 240 240 350 350 360 420 470 500
H5 75 81 89 95 109 121 133 146 160 180 210
L1 101 101 108 108 108 123 123 123 140 140 140
L2 126 126 126 130 141 156 170 180 200 220 265
C 220 220 220 220 220 270 270 270 320 320 320
H6 180 180 180 180 180 236 236 236 310 310 310
法兰规格DN 40 40 50 65 80 100 125 150 200 250 300
重量(kg) 26 27 35 44 56 84 88 109 185 202 305
备注:
1、  表中数据位PN16数据,也可安装侧装式手轮。
2、阀门法兰及法兰端面距可按用户指定标准制造,如:ANSI,JIS,DIN标准。

上一篇:没有了 下一篇:没有了


CATEGORIES

CONTACT US

QQ: 769693943

Phone: 13816746668

Tel: 021-31001158

Email: 769693943

Add: 上海市金山区沪杭公路4169号